Пежо 408. Помогите в самостоятельном ремонте.
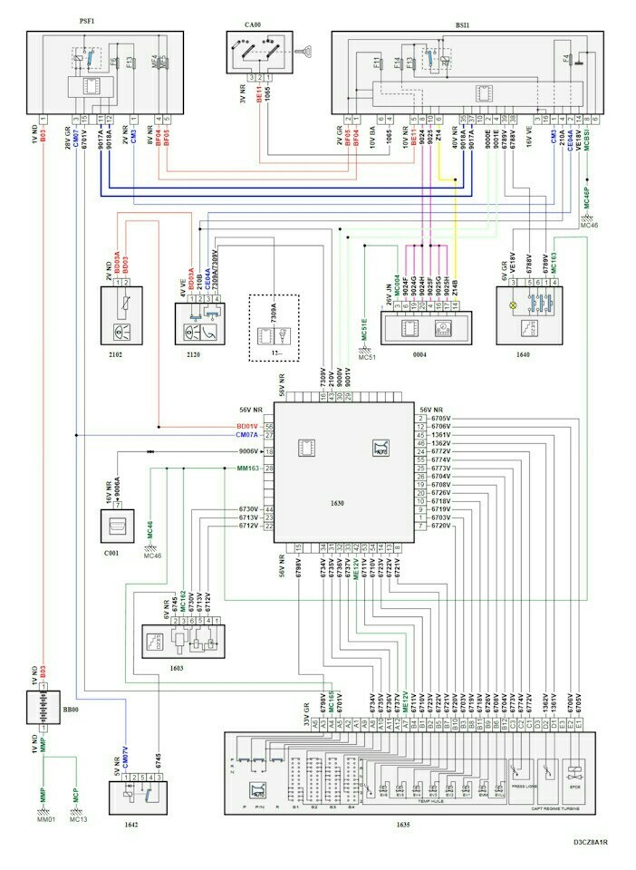
Всем привет. Пол года назад был приобретен львенок и к сожалению на нем с момента покупки не работал АБС/ЕСП. Летом как-то они и не нужны были, но с приближением к зиме задумался о восстановлении этой функции. Для начало был приобретен elm327...
Заюзав елмку были обнаружены ошибки u1313 и u1113. Ошибки эти говорят, что нет связи с блоком АБС и концевик педали тормоза. Концевик был куплен и поменян, но результата это не принесло. Затем была попытка съездить к одноклубнику с лексией и диагбоксом, но там те же ошибки и + c0040 описание которое для пежо найти я не смог, для GM пишут, что это ошибка правого датчика АБС, но нами в диагбоксе был проведен тест и все датчики показывают ОДИНАКОВУЮ скорость!
На следующий день я поехал к электрику в сервис(мультибрендовый), он подключался лаунчем, но там те же ошибки. Затем он полез к концевику педали тормоза и контрольной выявил, что нет второго плюса на концевик! Куда он делся не нашли и было принято решение пока нет схем проводки взять через доп предохранитель плюс от стопаков(один из двух плюсов который приходит на концевик)! Это принесло успех и радости не было предела... Но это только заглушило ошибки, но АБС/ЕСП так и не работают...
Продолжение следует!
Ps: если будут предположения, буду рад почитать.









Автомобильное сообщество
32.4K постов51K подписчика
Правила сообщества
Добро пожаловать в автомобильное сообщество!
У нас запрещено:
-Публикация видео с тематикой ДТП, без описания и комментариев к нему.
-Нарушать правила сайта.
-Создавать посты несоответствующие тематике сообщества.
-Рекламировать что бы то ни было.
-Баяны не желательны (игнорирование баянометра карается флюгегехайменом).
-Заваривать ромашковый чай в костюме жирафа.
У нас разрешено:
-Создавать интересный контент.
-В сообществе разрешены авторские видео посты. Пост должен содержать, помимо самого видео, описание происходящего в нем. Авторским, будет так же считаться посты от имени ютуб каналов.
-в сообществе разрешены не авторские видео посты, только с описанием происходящего на видео.
-Участвовать в жизни сообщества.
-Предлагать темы для постов.
-Вызывать администратора или модераторов сообщества при необходимости.
-Высказывать идеи по улучшению Автомобильного сообщества.
-Изображать коняшку при комментировании.