Нужен совет по RC пульту FlySky
Добрый день всем! дело в том что у меня в 32 года заиграло детство в одном месте, решил я поиграть с радиоуправляемыми машинками, а точнее собрать для себя и для ребёнка. попал в руки пуль вот такой:
и приёмник к нему соответственно:
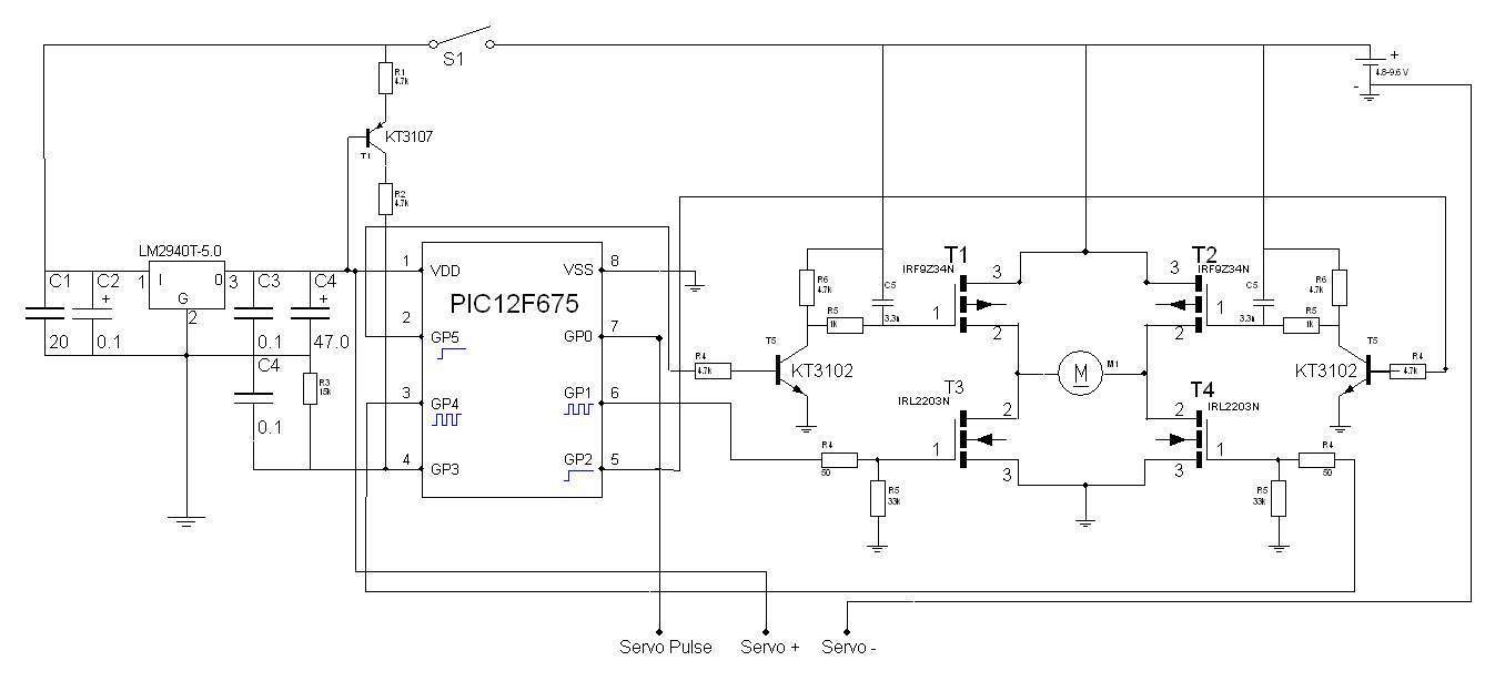
разобрался, с подключением сервы sg90, всё без проблем работает. теперь что касается второго канала, к нему нужно подключить ESC которого у меня нет и достать в нашем городе его попросту не возможно, ниша радиоуправляемых моделей не развита вовсе, ждать 2 месяца заказ с али в лом(уж извините). и тут пытливый ум поставил вопрос вопрос чем заменить ESC? тот же пытливый ум предположил, а если вытащить плату управления мотором из сервы SG90 и вместо мотора подключить её к сборке L298N вот такой:
то есть контакты которые шли на мотор сервы, их подключить ко входам IN1 и IN2 платы L298, а массы объединить, я так понимаю с платы сервы выходит ШИМ с переполюсовками?!?. в интернете подобного подключения я не нашёл.
Обращаюсь ко всем бывалым знатокам в сфере радиоуправляемых моделей за советом! возможно ли описанное мной подключение? есть ли ещё варианты замены или сборки ECS?
заранее благодарен всем за помощь! прошу не минусите, спасибо за понимание!






Лига RC хобби и моделистов
314 постов1.7K подписчиков
Правила сообщества
Запрещается
1) Оскорблять друг друг
2) Всякого вида реклама