Первичную часть можно анализировать по аппликэйшн ноуту :
AN-EVALSF2-ICE2A365-12.pdf
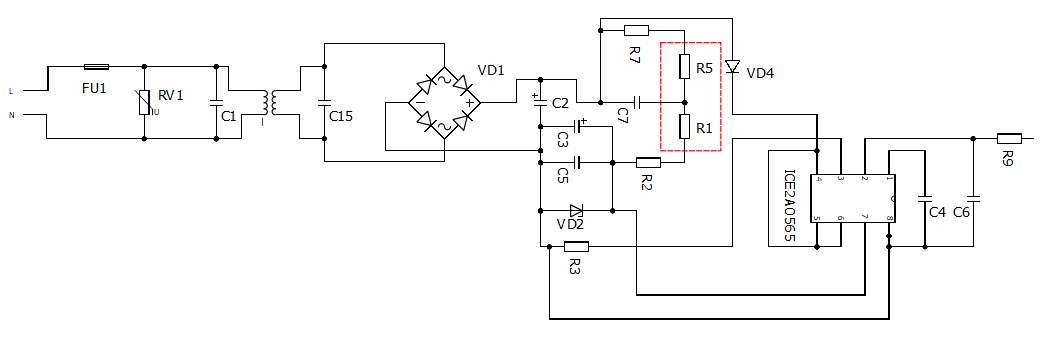
Вторичные дебри(стабилизация и заряд акб) по ходу только разрисовывать по плате. Типичный глюк блока - отключка при набросе нагрузки. Например в пожарной сигнализации при включении сирен звукового оповещения. Бульдозерная схема ремонта не помогает.
Что такое "аппликэйшн ноут"? где взять указанную вами пдфку? Что значит "бульдозерная схема"? Уж простите, если вопросы глупые.
Как вариант (токовый) - коротыш в конденсаторе С2, или за ним что то стало иметь сопртивление, близкое к 0. Возможен(по напряжению) межвитковый коротыш в первичной обмотки силовика, со вторички поперло повышенное напряжение, и диоды гавкнулись.
Не так спросил, извините. То, что конденсат - понятно... если поменяю резисторы, всё заработает, или не факт? Может из строя выйти микруха ICE2A0565?






Сообщество Ремонтёров - Помощь
11.3K поста14.7K подписчиков
Правила сообщества
Посты с процессом ремонта создавайте в родительском сообществе pikabu.ru/community/remont.
В этом сообществе, можно выкладывать посты с просьбами о помощи в ремонте электро-техники. Цифровой, бытовой и т.п., а про ремонт картин, квартир, ванн и унитазов, писать в других сообществах :)
Требования к оформлению постов:
1. Максимально полное наименование устройства.
2. Какие условия привели к поломке, если таковые известны.
3. Что уже делали с устройством.
4. Какое имеется оборудование.
5. Ну и соответственно, уровень знаний.