AD7793 + термопара + термометр сопротивления (Arduino)
AD7793 — малошумящий 24-разрядный сигма-дельта АЦП с тремя дифференциальными аналоговыми входами. АЦП AD7793 предназначен для высокоточного измерения постоянного напряжения, может применяться для измерения напряжения термопар и других датчиков с выходным напряжением в несколько единиц или десятков мВ.
Перед прочтением статьи рекомендую ознакомится с двумя первыми статьями про АЦП AD7793:
В статье AD7793 + термопара (Arduino) был рассмотрен пример создания простого но высокоточного измерителя-регулятора температуры с применением в качестве датчика термопару. Большая разрядность АЦП AD7793 и линейность характеристики позволяет весьма точно измерять постоянное напряжение которое не превышает единиц мВ. Ранее описанный измеритель-регулятор преобразует ЭДС термопары в температуру с погрешностью не более ±0,2…±0,3 °С на всем диапазоне, а погрешность измерения ЭДС термопары не превышает 5…10 мкВ.
В этой статье будет рассмотрен пример использования АЦП AD7793 в качестве измерителя-регулятора с использованием датчика термометра сопротивлений.
Для примера была выбрана номинальная статическая характеристика (НСХ) 100П, при желании можно добавить в измеритель-регулятор еще несколько номинальных статических характеристик (НСХ).
Измеритель-регулятор с датчиком термосопротивления не будет отдельным уст-вом, он дополнит уже ранее описанный в термометр-регулятор с использованием в качестве датчиков термопары ТХА и ТХК.
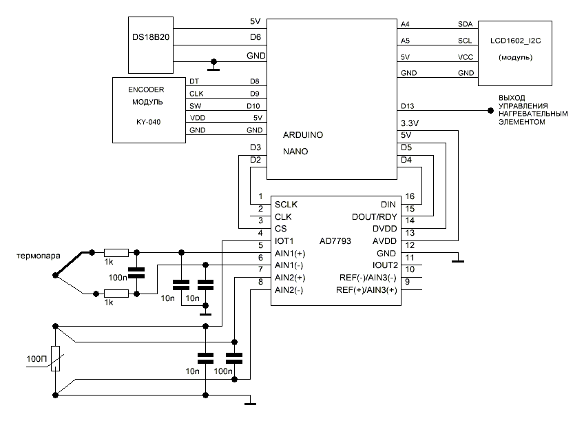
АЦП AD7793 содержит два программируемых источника тока номиналами 10 мкА, 210 мкА, 1 мА. Токовые выходы IOT1 и IOT2 могут независимо работать друг от друга, а источники тока могут быть направлены в один токовый выход.
IO REGISTER управляет работой токовых выходов и источника тока.
Биты IEXCDIR1 IEXCDIR0 позволяю выбрать режим работы токовых выходов, а биты IEXCEN1 IEXCEN0 задают номиналы тока.
В рассматриваемом примере оба источника тока в 1 мА перенаправлены на выход IOT1, что в сумме дает ток 2 мА. Ток подается на термосопротивление, на котором вход АЦП IN2 измеряет падение напряжения, исходя из полученного значения вычисляется сопротивление термометра сопротивления и программно высчитывается температура.
Для уменьшения влияния измерительных проводов используется 4-х проводная схема подключения, при этом пары измерительных проводов соединяются непосредственно на клеммах термосопротивления.
Управление измерителем-регулятором очень простое, кнопка энкодера переключает тип датчика (ХА, ХК, 100П), а поворот ручки энкодера изменяет температуру регулирования. Выбранный последним тип датчика и температура регулирования заносятся в энергонезависимую память.
Внутренние источники тока имею отличную стабильность, но не очень высокую точность выходного тока, поэтому для получения высокой точности измерения температуры при использовании термосопротивления необходимо произвести калибровку.
/// калибровка
float gis=0.2;
float i_1ma = 1.0137;
float r_0_kall = 0.29;
Гистерезис gis общий для всех датчиков, i_1ma калибровочный коэффициент источника тока, фактически это точное значение тока который выдает один источник тока, настраивать этот коэффициент необходимо при подключении ко входу сопротивления 300…400 Ом, меняя коэффициент необходимо добиться максимально точных показаний омметра измерителя-регулятора. r_0_kall — калибровка нуля, для его определения необходимо ко входу подключить сопротивление номиналом 1…5 Ом, а r_0_kall это погрешность измерения. Например, если Вы подключили ко входу сопротивление 1 Ом, а на дисплее Вы видите показание 0,71 Ом, то калибровочный коэффициент нуля будет 0,29. Для точного определения калибровочных значений необходимо повторить ранее описанную процедуру калибровки 2-3 раза.
Температура измеренная термометром сопротивления
Омметр
Индикатор нагрева
Тип датчика
Температура регулирования
Результаты измерений
На вход измерителя регулятора подключен магазин сопротивлений МСР-60М (0,02%)
300 Ом
200 Ом
100 Ом
50 Ом
Тест точности измерения сопротивления и точности преобразования сопротивления в температуру
Как видно из таблицы максимальная погрешность при измерении температуры не превышает 0,13 °С при диапазоне 1050 °С (-200…+850 °С), что дает относительную погрешность в 0,0123%. При измерении сопротивления в диапазоне от 0 до 400 Ом относительная погрешность не превысила 0,01%. Полученная погрешность будет немного выше, так как магазин сопротивлений имеет класс точности 0,02%.
Скетч - http://rcl-radio.ru/?p=128979










TECHNO BROTHER
2.1K поста13.7K подписчиков
Правила сообщества
1-Мы А-политическое сообщество. 2-Запрещено оскорбление: Администрации Пикабу, сообщества, участников сообщества а также родных, близких выше указанных.
3-Категорически запрещается разжигание межнациональной розни или действий, направленных на возбуждение национальной, расовой вражды, унижение национального достоинства, а также высказывания о превосходстве либо неполноценности пользователей по признаку их отношения к национальной принадлежности или политических взглядов. Мат - Нежелателен. Учитесь выражать мысли без матерщины