Ученые из Америки создали зомби-клетки
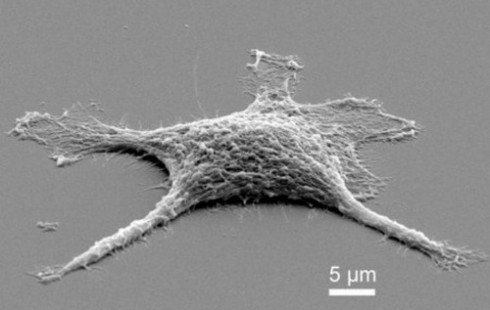
В настоящий момент в мире очень популярна тема живых ходячих мертвецов. Особенно это заметно в видеоиграх и фильмах, где каждый второй разработчик и режиссер ставит своим долгом выпустить игру или фильм про подгнивших зомби, которые наводят страх на всю округу. Но оказывается, тема зомби интересует не только развлекательную индустрию, но и науку. Ученые из Нью-Мексико заявляют, что создали целый миллион так называемых клеток-зомби, которые хоть и не являются живыми, но ведут себя именно так. Более того, исследователи говорят, что такие клетки даже превосходят в некоторых аспектах своих настоящих живых собратьев. Ученые объясняют, что клетка-зомби более стойко переносит экстремальные температуры и давление, по сравнению с обычными клетками. Huffington Post пишет, что созданная из диоксида кремния клетка-зомби имеет очень похожее на живую клетку строение. Для ее создания ученые умудрились поместить крошечную частицу диоксида кремния внутрь настоящей живой клетки и подвергли ее нагреву. Живая клетка потеряла свой белок, но диоксид кремния не позволил структуре клетки распасться и принял его форму. Доктор Браян Кер (Bryan Kaehr), профессор и специалист по материалам, в настоящий момент работающий в Университете Нью-Мексико, делает акцент на то, что клетки-зомби получились очень стабильными и выносливыми – они способны выдерживать высокую температуру до 500 градусов по Цельсию.Сделать эти клетки объемными пока невозможно. Зато они уже могут не только повторять форму живой клетки, из которой их создали, но и самостоятельно развиваться", – заявил один из исследователей.
p.s.некогда делать полноценный пост,уж просто заинтриговала меня эта статья.
p.p.s. кто там хотел зомби апокалипсис?)
p.s.некогда делать полноценный пост,уж просто заинтриговала меня эта статья.
p.p.s. кто там хотел зомби апокалипсис?)
