Управление и мониторинг оборудования на современных предприятиях
Здравствуйте дорогие читатели. Сегодняшняя статья посвящена очень интересной, на мой взгляд, теме - АСУ ТП или автоматизированная система управления технологическими процессами, на современных или модернизированных предприятиях. Данная статья основана на моем личном опыте работы с АСУ ТП электростанции, где я работаю, а конкретнее на одном дефекте в системе, который я недавно диагностировал.
Краткое описание системы АСУ ТП.
Для начала давайте вкратце разберемся, на физическом и программном уровнях, что в себя включает система АСУ ТП. Для удобства восприятия систему разбивают на три уровня: нижний, средний и верхний.
1) нижний уровень - это уровень оборудования, которым мы управляем и за которым мы наблюдаем в процессе его работы. Например: электродвигатели, трансформаторы, генераторы, электрооборудование распределительных устройств и тд. Наблюдение происходит за счет различных измерительных устройств. установленных на конечном оборудовании, а управление происходит за счет воздействия на управляющие органы оборудования;
2) средний уровень - это уровень преобразования данных, между нижним и верхним уровнями. На среднем уровне данные, полученные с измерительных устройств, преобразуются в цифровой вид, а управляющие команды с верхнего уровня преобразуются из цифрового вида в электрический сигнал, который воздействует на управляющий орган оборудования;
3) верхний уровень - это уровень обработки и представления данных. На данном уровне, в так называемые SCADA программы или системы (на русский переводится как диспетчерское управление и сбор данных) стекается вся информация о происходящем на предприятии. SCADA системы работают на серверном оборудовании. Система может самостоятельно поддерживать, заданный оператором, режим, сигнализировать о неисправностях оборудования, архивировать данные, предоставлять информацию для оператора в удобном для человека виде (в виде мнемосхем), и принимать от оператора команды на управление оборудованием.
Как АСУ ТП выглядит на практике.
Давайте теперь все описанное посмотрим, что называется в "железе", на примере ТЭЦ.
Верхний уровень АСУ ТП.
Вот так выглядит Блочный щит управления какой ни будь современной ТЭЦ:
Картинка с сайта https://forca.ru/knigi/arhivy/ustroystvo-i-obsluzhivanie-vto...
Все эти мониторы это и есть АРМ (автоматизированное рабочее место) операторов. На них дежурный персонал видит мнемосхемы технологических процессов происходящих на станции.
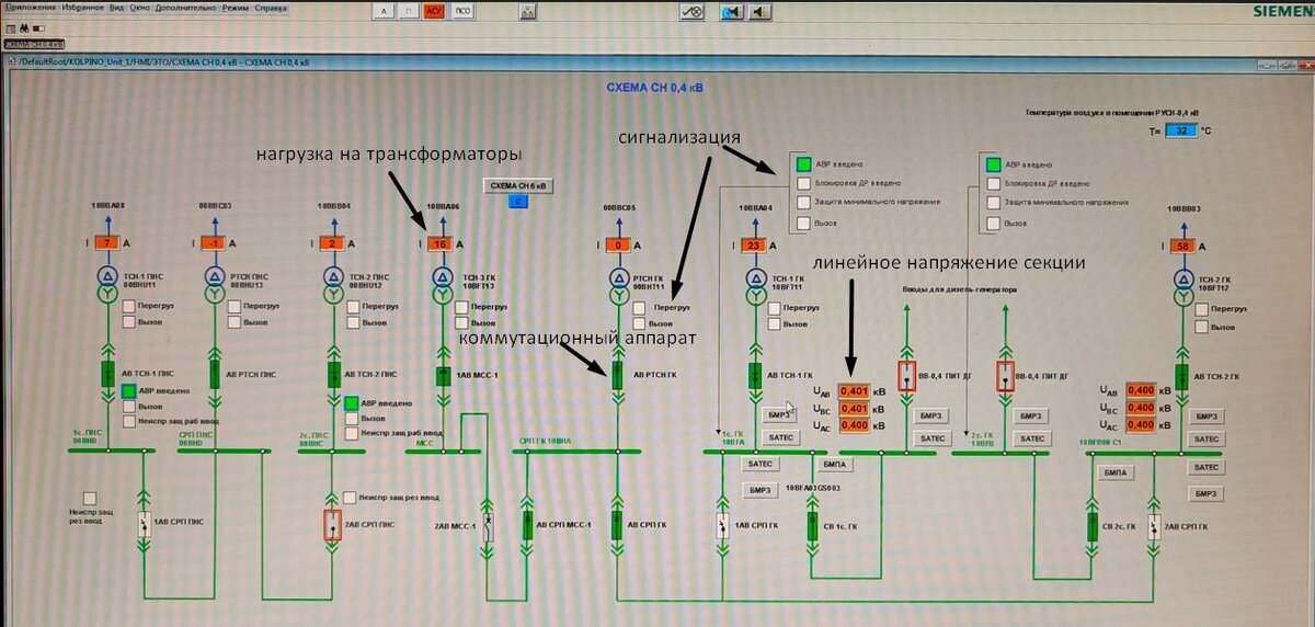
А вот кадр мнемосхемы управления и мониторинга за распределительным устройством собственных нужд напряжением 0,4 кВ (РУСН-0,4 кВ):
На кадре мы видим текущие электрические величины: напряжение на секциях и электрический ток (нагрузка) трансформаторов, информационную сигнализацию и положение коммутационных аппаратов.
Как раз на примере одного из выключателей, а именно 2 АВ СРП ПНС ( 2-ой Автоматический Выключатель Секции Резервного Питания Противопожарной Насосной Станции) мы и рассмотрим всю систему АСУ ТП.
Для управления данным выключателем мы кликаем два раза мышкой на его изображение, и получаем вот такое диалоговое окно:
Ни одна кнопка управления, однако, не активна. Есть какая то проблема.
Давайте заглянем под "капот" этого выключателя и увидим следящую картину:
Это программный (блочная форма программирования) код выключателя 2 АВ СРП ПНС и на данном кадре мы обнаруживаем проблему: SCADA система не может определить, в каком положении сейчас находится выключатель. Всего таких положений может быть три: включен, отключен, выкачен в контрольное или ремонтное положение. Фактически выключатель отключен, но сигнал об этом в SCADA систему не поступает. На основании этого система принимает решение о блокировке управления выключателем.
Кадр мнемосхемы, различные параметры и фрагмент кода - все это и есть верхний уровень АСУ ТП. А вот так выглядят серверы, на которых и работает SCADA:
Это фото с интернета, на моей ТЭЦ серверная выглядит похоже. Куча проводов, лампочек и обязательно шум вентиляторов.
Средний уровень АСУ ТП.
Если SCADA не видит нужных сигналов, значит они в нее не приходят - логичное заявление и мистер Шерлок Холмс одобрительно кивает мне в ответ :)
Мы идем в соседнее помещение - там находятся шкафы сопряжения оборудования. В них происходит преобразования полевых сигналов в сигналы, которая SCADA понимает.
Внутренне наполнение шкафа выглядит вот так:
Белые провода приходят, с полевого уровня, на платы преобразования сигналов с напряжения 220 Вольт (т.е входящее напряжение) на 24 Вольта (исходящее напряжение). Далее сигнал 24 Вольта уже идет в SCADA систему.
В данном конкретном случае по этим проводам приходит информация в дискретном виде (т.е либо напряжение есть либо его нет) от коммутационных аппаратов. Где то в этом шкафе есть плата, отвечающая за наш выключатель.
А вот и она:
На проводах мы видим какие то обозначения, многА букоФФ и цифр. Собственно понять, что тут происходит, нам поможет электрическая схема:
Часть принципиально схемы управления выключателем. Блок передачи информации на верхний уровень.
На схеме видно, что за передачу информации о положении выключателя "Отключено" отвечают: терминал А2 (это полевой уровень, терминал релейной защиты, об этом чуть далее) провод с номером 133 и реле К06 . Вот этот провод и реле (обвел красной рамкой):
За проводами не видно, что индикатор реле К06 не горит, а должен.
Далее мультиметром я замеряю напряжение на этом проводе относительно "земли" и получаю значение + 90 Вольт, при том что должно быть + 110 Вольт. При этом между этим проводом и общим "минусом" питания, напряжение получается вообще нулевым. Из этого можно предположить (творится какая то фигня!), что проблема где то на полевом уровне, куда мы и отправимся дальше.
В дополнении хочу отметить, что в этом шкафе происходит не только разделение уровней, но и разделение зоны ответственностей - за сам шкаф и SCADA отвечает цех АСУ ТП, за белые провода и за электрооборудование на другом конце - отвечает электроцех, я в том числе.
Нижний уровень уровень АСУ ТП.
Мы определились, что проблема возможно находится где то на уровне оборудования. В нашем случае это распределительное устройство ПНС (РУ ПНС). Само РУ состоит из шкафов, а шкафы разделены на отсеки:
Это шкаф выключателя 2 АВ СРП ПНС, управление которым мы видели на верхнем уровне, в виде нарисованного символа мнемосхемы.
Сам шкаф разделен на отсеки:
1) отсек сборных шин - через эти отсеки проходят общие силовые шины 0,4 кВ;
2) релейный отсек - в нем находится терминал управления и релейной защиты (сразу рядом с цифрой 2, и тот самый элемент А2 на принципиальной схеме) и вспомогательные элементы управления;
3) отсек выключателя - собственно в нем и находится тот самый объект мониторинга и управления, который сейчас не управляется с верхнего уровня.
4) ниже есть еще клеммный отсек, на данном фото его нет, он будет далее и работать я буду только в нем.
Готовимся к работе:
Открываем клеммный отсек и видим такую картину:
Вот отсюда и уходят провода в шкаф на среднем уровне. Находим наш 133 провод и мультиметром замеряем напряжение между клеммой 6 (+ 110 В) и клеммой 11 (- 110 В) и получаем 220 Вольт, что является нормой Значит сигнал "отключено" уходит на средний уровень. Далее я замерил напряжение на клемме 7 (положение включено) и получил ноль. Исходя из этого можно сделать заключение, что терминал релейной защиты (элемент А2 на принципиальной схеме) выдает правильную информацию о текущем положении выключателя - выключатель отключен (клеммы 6 - 11 дают 220 В) и не включен (клеммы 7 - 11 дают 0 В). Важно именно промерить оба положения, потому как может быть и такое, что приходит информация, что выключатель включен и отключен одновременно.
По результатам диагностики я сначала делаю предположение о проблеме в проводах - возможно ухудшение изоляции.
Но прежде чем делать окончательный вывод я прошу коллегу из цеха АСУ ТП отключить провод с его стороны, т.е в шкафе среднего уровня, и в таком положении померить напряжение между проводом 133 и общим минусом (с моей стороны общий минус эта та самая клемма 11, номер провода 102). В результате замера коллега получает те самые 220 В.
Значит проблема не в проводе и вообще не а полевом уровне. Но в чем же тогда дело. А вот в чем:
Это резистор и со временем его характеристики ухудшаются, так называемое старение. Он еще не в состоянии "сломан" но уже близко к такому состоянию. Именно по этому при начальном измерении, в шкафе среднего уровня, получались ненормальные показания. Мы называем это "плавающий дефект"
Данная проблема решается переключением провода на свободную клемму и перепрограммирование блока в SCADA системе. Это уже работа моих коллег. Моя же часть работы окончена, как и заканчивается данная статья.
Надеюсь, что вам было интересно и что вы не превратились в скелет, читая данную статью до конца.
Спасибо за просмотр, за лайк, если статья понравилась.
Увидимся в следящей статье :)
Данный пост - копия поста с моего Дзен канала.













