Сваебой на минималках
Ещё более компактный сваебой на Али, на Яндекс Маркете
Ученые Пермского Политеха разработали программу для безопасного возведения зданий в плотной застройке
В условиях плотной городской застройки возведение нового здания осложняется множеством факторов. В частности, устройство свайного фундамента ударными методами вызывает колебания, которые могут повредить соседние постройки. Раньше расчет безопасного расстояния до существующих рядом сооружений инженеры проводили вручную, что часто приводило к некорректным результатам и занимало много времени. Сегодня современные технологии дают возможность повысить качество этого процесса. Ученые Пермского Политеха разработали программу, которая позволяет быстро в полевых условиях определить минимально допустимое расстояние до существующего здания. По сравнению с ручными расчетами, способ обеспечивает 95%-ную точность.
На программное обеспечение выдано свидетельство о государственной регистрации программы для ЭВМ № 2025660379 Федеральной службой по интеллектуальной собственности. Исследование проведено в рамках реализации программы стратегического академического лидерства «Приоритет-2030».
Свайный фундамент служит в качестве несущего элемента для жилых зданий, коммерческих сооружений, трубопроводов и многих других сооружений. При его проектировании важно учитывать, как забивка свай повлияет на близлежащие здания. Необходимо правильно рассчитывать расстояние между ними, чтобы возникающая вибрация от забивки свай в грунт минимально воздействовала на соседние постройки и не привела к их повреждению.
В настоящее время такие расчеты выполняются вручную по методикам ведомственных строительных норм (ВСН 490-87) на основе приведенных там графиков и формул. Они устанавливают предельные уровни колебаний грунта и определяют безопасную зону их влияния. Однако это занимает большое количество времени, а также часто приводит к ошибкам и неточностям из-за человеческого фактора. Новые технологии позволяют интегрировать положения этой методики в более современные подходы к расчетам.
Ученые Пермского Политеха представили программу, которая на основе исходных данных о типе грунта и состоянии сооружений автоматически определяет возможность погружения свай вблизи существующих зданий в соответствии с ВСН 490-87. Решение исключает ошибки, возникающие при ручном расчете, и делает процесс доступным даже в полевых условиях.
ПО включает в себя пользовательскую форму ввода данных (свойства грунта, параметры свай и зданий), внутреннюю расчетную часть и форму вывода полученных результатов в удобном для специалиста текстовом виде.
На основе введенных характеристик программа рассчитывает минимально допустимое расстояние до соседних объектов, при котором их устойчивость не нарушится.
– Существуют коммерческие программы для подобных геотехнических расчетов (например, Plaxis 3D Dynamics). Однако они требуют специальных навыков работы с ПО, имеют высокую стоимость по сравнению с нашей и не адаптированы под стандартную методику (ВСН 490-87). Также в основном они ориентированы на сложное моделирование, тогда как на практике часто требуется лишь определение допустимого расстояния для забивки свай без детального моделирования, – объясняет Александра Еремина, инженер 1 категории кафедры строительного производства и геотехники ПНИПУ.
Политехники отмечают, что теперь графики, необходимые для расчета безопасного расстояния, полностью оцифрованы и переведены в алгоритмы, которые исключают субъективные ошибки, возникающие обычно при ручном расчете, и сводят к минимуму человеческий фактор. Нужно лишь ввести в систему исходные данные и пользователь в течении 3-5 минут получит готовый результат без необходимости работать с графиками вручную.
– Мы провели натурные испытания относительно трех зданий и сооружений, замерив параметры вибраций при реальном погружении свай. Результаты подтвердили надежность программы. Наше решение обеспечивает точность 90-95% по сравнению с ручными расчетами, поскольку исключает человеческий фактор и строго следует алгоритмам, – добавляет Александра.
Программа ученых Пермского Политеха уже готова к использованию в проектных организациях и строительных компаниях. Ее применение позволит снизить риски повреждения существующих близлежащих зданий при возведении новых и ускорить подготовку к строительным работам в стесненных условиях.
Сборка и тестирование сваекрута своими руками
Решили спрятать весь хлам и поставить на даче сарай.
Долго искали подходящее решение для фундамента, в итоге остановились на винтовых сваях (взяли зимой по скидке 76 мм).
Распланировали свайное поле, набросали макет. Далее начали думать, как закрутить их в землю — пошерстили авито и посты объявлений об услугах по монтажу свай (т.к. есть опыт закручивания свай вручную и желание этот опыт не повторять).
На глаза попались механизированные устройства по закрутке, и в рамках эксперимента мы решили попробовать (а на случай неудачи сохранен контакт специалиста по закрутке).
Итак, из чего делают сваекруты DIY?
1. Из всего, что вертит. Рекомендовано более 2 квт — с оказией приобретен мотобур (в нашем случае ADA 8 на "2.427 кВт"), почва суглинок без камней, поэтому есть запас по мощности.
2. Передача и усиление крутящего момента. Рекомендуют передачи от 1: 30 до 1:78 и более для тяжелого грунта — взяли ручной гайковерт 1:64.
3. Насадка на сваю — просто кусок трубы чуть больший, чем та, что будем закручивать.
Когда получены все элементы конструктора, нужно придумать, как их соединить между собой и зафиксировать для сокращения вибрации. Идея следующая: сварить все, что можно, сваркой, а съемные детали посадить в гнездо 1 дюйм (под гайковерт).
Начинаем
Кроме составляющих потребуется инструмент:
сварка;
болгарка;
съемник внутренних стопорных колец;
ключи для снятия ручки бура (в данном случае шестигранники)
*для монтажа свай еще стремянка и лом.
Расходники:
болты/пальцы;
трубки для стойки бура;
трубы для стопора/якоря.
Работаем
Требуется заменить заводское масло в редукторе. Для этого снимаем стопорное кольцо и вытаскиваем содержимое (собрать обратно возможно только одним способом — можно не запоминать), промываем зубной щеткой или тряпкой с бензином и плотно мажем жаростойкой смазкой.



Замена смазки гайковерта
Далее думаем как соединить бур и гайковерт. В комплекте были готовки дюйм-32 и дюйм-33, но вал бура диаметром всего 20 мм. Для соединения (и возможности это все разобрать) докуплен переходник для бензобура с вала 20 мм на шнек 22 мм и готовку дюйм-22. Переходник воткнут в головку гайковерта (та часть, что шестигранник) и приварен.


Переходник бур — гайковерт
Получился переходник на гайковерт дюйм. Далее гайковерт идет в аналогичную головку, приваренную к оголовью для трубы.
Теперь на эту конструкцию надо поставить бур. При работе его трясет, и получается большая нагрузка на сам вал — требуется закрепить всю конструкцию на одной оси. Для этого собираем треногу крепления бур-гайковерт (трубки приварены к стальной площадке и прикручены к ручке бура, от бура идут к гайковерту, там трубки приварены к кольцу из надрезанной трубы, надетой вокруг гайковерта). P.S. По итогу жестко крепить к гайковерту ее не стали, так как удобнее переставлять всю конструкцию отдельно.


Тренога для бура
Завершающий этап — стопор/якорь. Он должен останавливать корпус гайковерта от прокручивания. Первая версия представляла из себя трубу 2х4 длиной 4 метра, но этого оказалось недостаточно — труба гнется в месте крепления к гайковерту. Усилили дополнительно трубой 2х4.




Якорь для сваекрута усилен дополнительно
Тестируем
После сборки устройства его необходимо протестировать. Для этого берем: лом, лопату, стремянку, помощника, сваю и сам сваекрут. Выбираем место для будущей сваи, снимаем дерн (пара сантиметров земли), размещаем сваю на подготовленное место и вручную (ломом) подкручиваем ее, чтобы зафиксировать вертикально. Далее со стремянки устанавливаем всю конструкцию на сваю и жмем на газ.
Требуется контролировать смещение сваи от вертикали, а также учесть, что якорь тоже толкает сваю (для корректировки можно установить его сначала с одно стороны сваи, потом с противоположной).



Наживить сваю ломом, поставить на сваю сваекрут, уперев якорь в дерево, потом закручивать
Итог
Работоспособность подтверждена, по итогу испытаний доработан якорь и переварена тренога крепления бур-гайковерт. В целом, идея рабочая для глинистой почвы и суглинков. На крупных корнях свая уходит в сторону, на камнях и строительном мусоре не проверялась.
По времени на закручивание уходит около 10-15 минут. Вероятно, стоит делать перерыв после 3-5 свай (греется гайковерт). Стоимость комплектующих примерно равна услуге по закручиванию 25-30 свай.
Начало нового дома: подбор и монтаж фундамента
Перед началом строительства необходимо провести геологические изысканий для определения типа грунта. Пробурили три шурфа по 8 м на пятне застройки.
Результаты геологических изысканий показали, что сверху под растительным слоем находится глина, далее на глубине 2-х метров начинается суглинок с небольшой прослойкой песка. Уровень грунтовых вод на глубине порядка 4-х метров.
Для подбора фундамента необходимо вычислить вес будущего строения, для этого я написал простенький калькулятор. Высчитываем в нём общий вес дома, не забываем про полезную нагрузку и коэффициенты надёжности. Напоминаю, что полезная нагрузка - это временная нагрузка от нахождения людей, мебели и составляет 1,5кПа (153 кг/м2).
Предположим, что в качестве фундамента у нас железобетонные забивные сваи сечением 150 на 150 мм длиной 3 м.
По проекту у нас 50 свай. Из-за небольшого перепада участка на длине 15,5 метров получается довольно значительные уклон - больше метра, со восточной стороны дома часть своей буду четырёхметровыми.
Расчетный вес дома с учётом всех нагрузок, в том числе снеговой, ветровой и полезной нагрузки получается 137,5 тонн, делим на количество свай и получаем, что на одну сваю приходится 2,75 тонны нагрузки.
Переносим данные из геологического отчёта в расчётную программу, указывая параметры железобетонных свай, получаем несущую способность одной сваи 3,7 тонны. Понятно, что нагрузка распределяется не равномерно, каждая свая будет испытывать разное давление, но полученный запас надежности 130% позволяет пренебречь этим фактом.
Доставка и установка свай
Доставка свай выпала, наверное, на самые неблагоприятные погодные условия. В Московской области несколько дней до этого был переход через ноль - днём снег таял, а ночью образовавшиеся лужи замерзали.
В результате чего дороги покрылись ледяной глазурью.
Посёлок расположен в холмистой местности, поэтому спуски, а тем более подъемы в горку превратились в непреодолимые препятствиями для тяжелой техники.
КамАЗ гружёный сваями скатился в придорожную канаву. Пришлось вызывать трактор, который отвозил и разгружал по 10 свай. Таким образом разгрузка 50 свай заняла целый день
Монтаж свай занял два рабочих дня.
После установки свай обязательный этап приёмки фундамента:
1. Необходимо проверить габариты согласно проекта;
2. Соответствие диагоналей.
3. Смещения по осям;
4. Горизонтальный уровень оголовков проверить с помощью оптического нивелира.
Скачать подробные чек-листы приёмки фундаментов в моём Telegram-канале Pro.Каркасники
Подземный ввод коммуникации в дом
Прокопали траншеи для ввода силового кабеля и оптоволокна для интернета;
Смонтировали трубу с кабелем под вывод канализации к месту установки станции ЛОС;
С помощью трактора прокопали траншею на глубине 1,5 метра с трубой для ввода водоснабжения.
Для защиты от повреждения весь кабель протянут в ПНД-трубы.
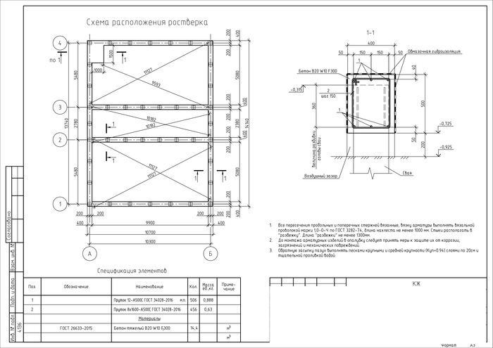
Обвязка свай



Обвязка свай осуществляется пакетом из обрезной антисептированной доски 50х200 мм сбитых и скрученных между собой шпильками М12. Сверху прибивается дополнительная строганная доска. Таким образом, общее сечение получается 245х150 мм.
Между оголовками свай и досками обязательно укладывается рулонная гидроизоляция в два слоя.




На представленных узлах наглядно показан принцип обвязки свай пакетом досок.
Готовый ростверк закрепляется сантехническим болтами 10х140 - минимум по две штуки на оголовок.
Сверху уложили закладные полосы ветрозащиты, в дальнейшем к ним на герметик будет крепиться мембрана, и в результате мы получим единичный контур защиты утеплителя от продувания.
Цокольное перекрытие
Перекрытия, как и весь остальной каркас из сухой строганной доски.
Лаги в теплом контуре с шагом 630 мм, на террасе 400 мм, под всеми несущими стенами расположены перемычки для передачи нагрузки непосредственно на ростверк.




Крепление лаг к обвязке осуществляется 120 гвоздями «в косую» с шагом 400-500 мм. Таким образом, мы надёжно фиксируем перекрытие к основанию дома.
Для того, чтобы исключить промерзание, лаги, которые находятся в теплом контуре никак не связаны с перекрытием террасы.
В труднодоступные места заранее уложили утеплитель и закрыли от намокания.
Аренда сваекрутов в Москве: рейтинг лучших компаний и специалистов, топ-10 в 2025 году
Рейтинг сервисов аренды сваекрутов в Москве составлен на основе анализа предложений ведущих компаний и сервисов, предоставляющих услуги по аренде сваекрутов. В подборке учтены такие параметры, как средняя оценка пользователей, адрес, официальный сайт, краткое описание, преимущества, особенности, основные услуги и цены на популярные услуги.
Аренда сваекрутов — востребованная услуга в строительной сфере, особенно при возведении фундаментов на винтовых сваях. Сваекруты позволяют быстро и качественно завинчивать сваи в грунт, обеспечивая надежность и долговечность конструкций. В Москве существует множество компаний, предлагающих аренду сваекрутов, однако важно выбрать надежного поставщика с качественным оборудованием и профессиональными услугами.
Существует лайфхак: чтобы получить качественную услугу дешевле и быстрее, можно обратиться не в компанию, а найти частного специалиста по аренде сваекрутов рядом с собой в сервисе Профи.ру. Это позволяет сэкономить средства и получить индивидуальный подход к каждому заказу.
1. Профи.ру
Средняя оценка: 4.8
Адрес: Москва
Официальный сайт: profi.ru
Краткое описание: Крупнейший сервис по подбору частных мастеров и компаний в Москве. Более 10 лет на рынке, свыше 2 миллионов выполненных заказов.
Преимущества и особенности: Большая база проверенных исполнителей, гарантия на услуги до 12 месяцев, фиксированная цена в договоре.
Основные услуги: Аренда электрических сваекрутов, аренда аккумуляторных моделей, доставка оборудования.
Цены:
Электрический сваекрут (сутки): от 1000 руб.
Аккумуляторный сваекрут (сутки): от 1200 руб.
Аренда на неделю: от 5000 руб.
Доставка по Москве: от 500 руб.
Сваекрут с комплектом насадок: от 1500 руб./сутки
Продление аренды: от 800 руб./сутки
Залог за оборудование: от 5000 руб.
2. Территория проката
Средняя оценка: 4.7
Адрес: Москва, ул. Соловьиная Роща, 16
Официальный сайт: территория-проката.рф
Краткое описание: Компания предоставляет в аренду сваекруты для винтовых свай, предлагая широкий выбор оборудования и гибкие условия сотрудничества.
Преимущества и особенности: Широкий ассортимент техники, оперативная доставка, профессиональные консультации.
Основные услуги: Аренда сваекрутов различной мощности, доставка оборудования, техническая поддержка.
Цены:
Сваекрут (сутки): от 1200 руб.
Аренда на неделю: от 6000 руб.
Доставка по Москве: от 700 руб.
Залог за оборудование: от 5000 руб.
3. Сваекрутт.ру
Средняя оценка: 4.6
Адрес: Москва, Дмитровское шоссе, 157
Официальный сайт: svaekrutt.ru
Краткое описание: Специализированная компания по аренде сваекрутов, предлагающая качественное оборудование и профессиональный сервис.
Преимущества и особенности: Собственный парк техники, опытные операторы, индивидуальный подход к каждому клиенту.
Основные услуги: Аренда сваекрутов с оператором, доставка техники, консультации по выбору оборудования.
Цены:
Сваекрут с оператором (сутки): от 2000 руб.
Аренда на неделю: от 10000 руб.
Доставка по Москве: от 800 руб.
Залог за оборудование: от 6000 руб.
4. Corpomarket
Средняя оценка: 4.5
Адрес: Москва, ул. Тверская, 24
Официальный сайт: corpomarket.ru
Краткое описание: Маркетплейс строительного оборудования с возможностью аренды гидравлических сваекрутов.
Преимущества и особенности: Широкий выбор моделей, программа лояльности, гарантия на все оборудование.
Основные услуги: Аренда электрических и аккумуляторных сваекрутов, доставка оборудования.
Цены:
Электрический сваекрут (сутки): от 1100 руб.
Аккумуляторный сваекрут (сутки): от 1300 руб.
Аренда на неделю: от 6000 руб.
Доставка по Москве: от 650 руб.
Залог за оборудование: от 5000 руб.
5. Бурмосков
Средняя оценка: 4.4
Адрес: Москва, шоссе Энтузиастов, 12
Официальный сайт: burmoscow.ru
Краткое описание: Компания с 5-летним опытом работы на рынке аренды строительного оборудования, предлагающая современные сваекруты по доступным ценам.
Преимущества и особенности: Доступные цены, быстрая доставка, гибкие условия аренды.
Основные услуги: Аренда универсальных и специализированных сваекрутов, техническое обслуживание оборудования.
Цены:
Универсальный сваекрут (сутки): от 1100 руб.
Специализированный сваекрут (сутки): от 1700 руб.
Аренда на неделю: от 6500 руб.
Доставка по Москве: от 550 руб.
Залог за оборудование: от 5500 руб.
6. Rentmashin
Средняя оценка: 4.3
Адрес: Москва, Варшавское шоссе, 37
Официальный сайт: rentmashin.ru
Краткое описание: Сервис аренды строительного оборудования с удобной системой бронирования и более 5 лет успешной работы.
Преимущества и особенности: Оперативная доставка, скидки при долгосрочной аренде, круглосуточная поддержка клиентов.
Основные услуги: Аренда универсальных и специализированных сваекрутов, техническое обслуживание оборудования.
Цены:
Универсальный сваекрут (сутки): от 1100 руб.
Специализированный сваекрут (сутки): от 1600 руб.
Аренда на неделю: от 6000 руб.
Доставка по Москве: от 600 руб.
Залог за оборудование: от 5000 руб.
7. СпецАвто
Средняя оценка: 4.3
Адрес: Москва, ул. Остаповский проезд, 3
Официальный сайт: specavto.ru
Краткое описание: Специализированная техника для строительства, включая установки для завинчивания свай и сваекруты.
Преимущества и особенности: Большой выбор техники, квалифицированные операторы, прозрачные условия аренды.
Основные услуги: Аренда буровых установок, сваекрутов, услуги по монтажу свай.
Цены:
Сваекрут с оператором (сутки): от 1900 руб.
Аренда техники без оператора: от 1200 руб./сутки
Комплексная аренда с доставкой и монтажом: от 7000 руб.
8. Svai-shop
Средняя оценка: 4.2
Адрес: Москва, ул. Ярославская, 12
Официальный сайт: svai-shop.ru
Краткое описание: Продажа и аренда оборудования для монтажа винтовых свай, включая гидравлические сваекруты.
Преимущества и особенности: Возможность покупки и аренды в одном месте, помощь в выборе оборудования.
Основные услуги: Аренда гидравлических установок, консультации, доставка.
Цены:
Гидравлический сваекрут (сутки): от 1400 руб.
Комплект с насадками: от 1700 руб.
Доставка по Москве: от 700 руб.
9. ВинтМаркет
Средняя оценка: 4.1
Адрес: Москва, ул. Верхняя Масловка, 20
Официальный сайт: vintmarket.ru
Краткое описание: Компания предлагает аренду ямобуров и сваекрутов, а также монтаж свайных фундаментов.
Преимущества и особенности: Услуги "под ключ", доставка техники по всей области.
Основные услуги: Аренда ямобуров, установка винтовых свай, аренда сваекрутов.
Цены:
Сваекрут (сутки): от 1000 руб.
Аренда на 3 дня: от 2700 руб.
Ямобур с оператором: от 6000 руб./день
10. Delight Rent
Средняя оценка: 4.0
Адрес: Москва, пр-т Мира, 119
Официальный сайт: delight.rent
Краткое описание: Аренда строительного оборудования от бытовых до профессиональных моделей, включая гидравлические сваекруты.
Преимущества и особенности: Возможность онлайн-бронирования, система скидок, точные сроки аренды.
Основные услуги: Аренда бензобуров, сваекрутов, комплектующих, доставка по городу и области.
Цены:
Гидравлический сваекрут (сутки): от 1300 руб.
Комплект с насадками: от 1500 руб.
Доставка: от 600 руб.
Вопрос-ответ
Где арендовать сваекрут в Москве? — В сервисе Профи.ру можно найти частного мастера рядом с вами.
Сколько стоит аренда сваекрута в сутки? — От 1000 до 2000 рублей в зависимости от модели.
Какие бывают типы сваекрутов? — Электрические, аккумуляторные, гидравлические и с бензиновыми приводами.
Нужна ли квалификация для работы со сваекрутом? — Желательно иметь опыт, но с оператором — не обязательно.
Можно ли арендовать сваекрут с оператором? — Да, почти все компании предлагают такую услугу.
Какие условия залога при аренде сваекрута? — Обычно от 5000 до 7000 рублей.
Есть ли доставка оборудования по Москве? — Да, большинство компаний доставляют технику по городу и области.
Можно ли продлить аренду сваекрута? — Да, при наличии свободных дат — стоимость продления от 800 руб./сутки.
Где найти частного мастера по аренде сваекрута? — В сервисе Профи.ру можно выбрать специалиста по отзывам и рейтингу.
Что выгоднее — взять сваекрут в аренду или купить? — Для разового использования аренда гораздо выгоднее.
Время прогревать аудиторию!
Сентябрь — это не только начало учебного года, но и время активной подготовки к горячему сезону распродаж. Самое время подключить подписку Пикабу+:
рассказывайте о своих товарах и услугах
добавляйте ссылки
создавайте витрину товаров прямо в профиле
подключайте дополнительное продвижение постов
Пора готовить сани!
Помогите, пожалуйста, определиться с фундаментом дома
На основании геологических изысканий проектировщик принял решение сделать 40 забивных Жб свай, 8 метров - ростверк и полы по грунту. Строители утверждают, что 8 метров - это излишне много, и будет достаточно 4 метра, и вместо ростверка можно сделать монолитную плиту на сваях. Посоветуйте, пожалуйста, какой-то оптимальный вариант можно выбрать в случае с такой землей. Может подойдет какой-то другой вид фундамента.














