Помогите, пожалуйста, определиться с фундаментом дома
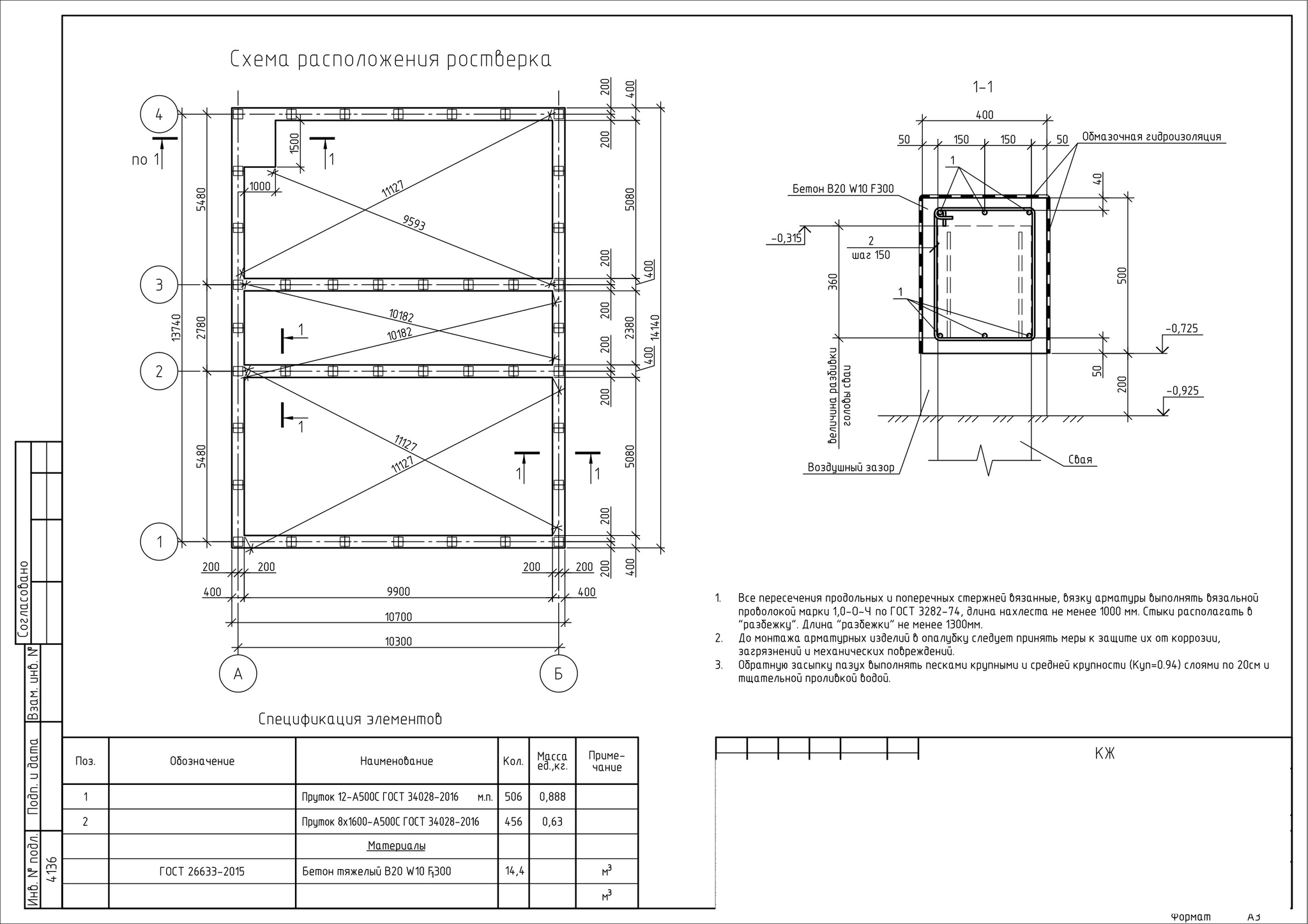
На основании геологических изысканий проектировщик принял решение сделать 40 забивных Жб свай, 8 метров - ростверк и полы по грунту. Строители утверждают, что 8 метров - это излишне много, и будет достаточно 4 метра, и вместо ростверка можно сделать монолитную плиту на сваях. Посоветуйте, пожалуйста, какой-то оптимальный вариант можно выбрать в случае с такой землей. Может подойдет какой-то другой вид фундамента.







Строительство и ремонт
10.5K постов48.1K подписчиков
Правила сообщества
Правила оформления постов.
Посты видеоролики должны обязательно иметь описание о чём видео. Если видео длинное, то крайне желательно указать время, когда и о чём рассказываете.
В случае нарушения пост выносится из сообщества.
Правила общения.
Запрещено регулярное хамское и неуважительное обращение к другим участникам сообщества в рамках общения в комментариях. В случае первого нарушения бан в сообществе на 2-3 недели. В случае повтора постоянный.
Про нейросети
Тексты сгенерированные нейросетью, выносятся из сообщества, пользователь блокируется на неделю. При повторном нарушении перманентный бан для пользователя.
Про рекламу
Рекламные посты от платных/бесплатных аккаунтов запрещены. За первое нарушение блокировка на 7 дней. За второе перманентная блокировка.
Только для профессиональных участников рынка строительных услуг. (публикующихся регулярно)
Пост должен быть основан на личном опыте.
Должен быть информационно-познавательным (разъясняет/ объясняет что-то связанное с материалом/работой/организацией/и.т.д.) или пищей для ума (Взгляд на проблему, с другой стороны)
Запрещается публикация видео длиной более 5 минут без текстового таймлайна. ( надо указать где и о чём вы рассказываете в видео)
Не злоупотребляйте тэгами. Количество своих тэгов не более 4х шт. Тэги проставляемые системой не учитываются. (Длиннопост, видео, и.т.д.)