Частотник
Вчера работал исправно. Плавно поднимал до 50гц. Сегодня работает как на видео. На регулятор скорости не откликается. Куда копать?
Советский аналог уделывает буржуйскую цифру!
Триггернули от кликбейтного заголовка? Ничего страшного, бывает )) Никому ничего доказать не хотел, просто появились вопросы относительно происходящего.
Описание видео:
Первый опыт. Замер тока двигателя в одной фазе на выходе ПЧ на частоте 49Гц.
Второй опыт. Тоже самое, только клещи висят на всех ТРЁХ фазах. Некоторые знания электротехники мне подсказывают, что тока в данном случае не должно быть, что, собственно и показывает стрелочный прибор, тогда что за петрушку кажут true rms цифровые клещи?
Проблема и индуктором
Может кто-то сталкивался? Есть индукционный нагреватель, питается от ПЧ 320кВт частотой 8кГц. Говорят ПЧ на заданную частоту не выходит, только 6кГц, мощность так же не развивает. Подозревают что проблема в конденсаторах которые в выходном контуре. Собственно вопрос, частота задаётся несмотря на характеристики контура или там автонастройка по обратной связи?
Нужна помощь с ремонтом ПЧ
Коллеги, особенно специалисты в области привода, нужна ваша помощь.
Есть вот такая вундервафля, стоит на вытяжке - дымосос на 1,5 кВт.
Сегодня эта штука сделала Бах с лёгким Шуманом.
Вскрытие показало вспухший кондëр и выгоревшее ХЗЧ..
Виновник видимо конденсатор, а вот что за деталь выгорела не совсем понятно. Гугление пока не помогает, может кто сталкивался или юзает такие ПЧ?
Technary.net - сеть электриков
Здравствуйте! Меня зовут Вадим Желтов, и я инженер из Мурманска, занимаюсь ремонтом электротехнического оборудования в судоремонте. Несколько лет назад у меня появилась идея создать приложение для электриков(пока на тот момент) по ремонту и обслуживанию электрических машин, трансформаторов, релейной защиты и тд. , хотелось сделать удобный инструмент для работы.
Коллегам электрикам хочу показать специализации по электротехническому направлению:
Электротехническая специализация в приложении Technary.net
Technary.net - платформа для людей с техническим опытом. Нашим продуктом хотим визуализировать технический опыт людей и компаний различных сфер и отраслей в техническом мире. В приложении много специализаций и каждый найдет себя.
Вместе с командой разработчиков работаем над проектом самостоятельно ( здесь имеется ввиду без инвесторов, государственного финансирования и тд.) исходя из нашего опыта и опыта наших коллег. Помимо стандартных инструментов социальной сети предлагаем следующие сервисы:
"Темы" - переработанный форум, позволяет быстро общаться по актуальным вопросам, по выбранным специализациям,
"Люди" - сервис позволяющий находить людей из любой сферы и отрасли в промышленности,
"Документы" - позволяет обмениваться технической документацией и файлами,
"Конвертер", "Расчеты", "Заметки", "Протоколы" - удобные сервисы на каждый день: записать, сделать отчет в формате pdf, посчитать и преобразовать.
На данный момент приложение доступно на Android. В начале 2025 года планируется запуск веб-версии, а к концу весны — версии для iOS.
P.s. Скачивайте приложение и Меняйте Мир вместе с Технарями
Ссылка на чат с тестировщиками и техподдержкой https://t.me/technary_chat
Codesys 2.3. Связь ОВЕН ПЛК100 с ПЧВ
Приветствую. Принципы связи одни и те же. У любого производителя ПЛК и преобразователя частоты. У ОВЕН просто есть примеры реализации. Если их поймёте, всё остальное не составит труда.
Сторона Преобразователя частоты
В принципе частотник должен работать уже "из коробки".
Важно найти параметры настроек сети по интерфейсу RS-485. И, если есть настройки управления по коммуникациям, настроить их.
Пример ПЧВ.
Открываем мануал, находим раздел параметры связи.
Настраиваем в соответствии с ваши задачами. Тут сразу можно заметить адресацию нужных регистров.
После этого открываем раздел Modbus.
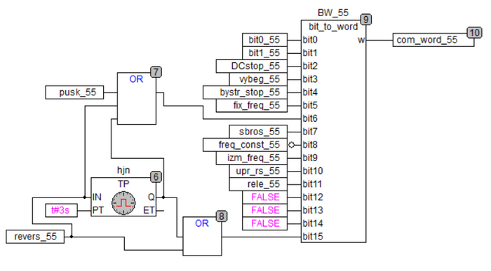
В каждом ПЧ есть два главных командных слова, всегда. На запись, и на чтение.
Слово записи. Команда управления ПЧ.
Слово чтение - состояние ПЧ.
Все разложено по битам, которое преобразуется в слово.
Все остальное - это регистры типа WORD. Опрашиваются и записываются соответствующими функциями 03 (чтение) и 06 (запись).
Не забываем настроить откуда пуск.
И откуда задание частоты.
Сторона ПЛК
На всех ПЛК практически всё однотипно. Надо знать карту регистров и по каким адресам "Просить и отдавать".
Нашёл пример в Codesys 2.3
Это мы отдаем команды, com_word_55 присваиваем адрес с мануала.(2001)
Это получаем. Адрес слова с мануала.(2002)
Вся другая адресация соответствует коду параметра.
На этом я всё. Пишите комментарии. Ставьте лайки.
Чип на компрессоре Atmos E80 VD
Добрый день, уважаемые форумчане!
Исходные данные:
1. Имеем воздушный компрессор Atmos E80 VD
2. Компрессор управляется частотником Danfoss VLT-2800
3. К частотнику подсоединена плата наработки часов Atmos Care с выносным чипом
4. Плата Atmos Care общается с частотником по RS485
Суть проблемы:
Требуется избавиться от этой платы (или чипа), чтобы компрессор мог работать, не потеряв в производительности.
Без этого чипа (или когда наработка часов больше установленного заводом) частотник не дает разгоняться компрессору больше 34Гц, с чипом - 68Гц.
Вопросы:
1. Как избавиться от платы/чипа без потери производительности?
2. Может кто поделится координатами со знающими людьми для отвязки частотника от чипа?



















