Размышления о НАТО на итальянском ТВ
пикабушники, я тут случайно наткнулся на выступление одного итальянского ведущего (видимо политсатира). Может кто перевести (возможно уже где-то переведено). Если долго, то переведите вкратце о чем ведущий
Ведущий анализирует выступление Байдена, которое уже растиражировали на прошлой неделе, от 97го года про НАТО и Россию.
Импортозамещение Twitter
Российские разработчики совместно с белорусскими коллегами рассказали о планах разработки аналога заблокированной в РФ социальной сети Twitter, не уступающую оригиналу.
Тестовое название отечественного твиттера - "Чык-чырык".
"Да я два года за рулем и ни одного ДТП!!!"
Знаете, на дороги я выехал очень недавно. Даже два поста сделал про то, как сдавал на права и по сути езжу самостоятельно всего 1,5 месяца. Но как же каждый раз у меня бомбит с тех, кто находится на дороге вместе со мной. Хочу рассказать вам четыре короткие истории, случившиеся со мной за эти 1,5 месяца. Истории, конечно, не новы, но выговориться мне необходимо.
Итак, история 1. Назовем ее "Я очень тороплюсь!".
Итак, одностороннее движение. Двухполосная дорога из-за комунальщиков превратилась в полутораполосную. Я спокойно еду по делам со скоростью ~45-50 км/ч, соблюдая все правила. И тут сзади начинают моргать фарами. "Торопится, наверное, очень..." - подумал я и прижался к правому краю дороги. Торопыга рванул вперед, чуть не снеся мне зеркало (я в этот момент выругался цензурно), проехал впереди меня метров 200 и припарковался на обочине. Итак, вопрос: Что движет теми, кому прямо кровь из носу надо тебя обогнать даже зная, что проехать до точки назначения нужно пару сотен метров?
История 2. В этот раз назовем ее "Наваливаем!".
Прямая дорога с кучей светофоров. Машин в дневное время не очень много, все на работах. Я еду по делам по правой полосе и ловлю так называемую "красную волну". Это когда ты останавливаешься на красный и это запускает череду последующих остановок на всех сфетофорах впереди. Я у стоп-линии. Слева от меня подлетает белая Шкода и встает на левой полосе. Свет меняется на желтый, Шкода уже на низком старте. Зеленый - свистит резина и Шкода рвется вперед, опережая меня как стоячего! Ну как "как". Я итак тронулся только на зеленый, так что просто стоячего. Догоняю его на следующем светофоре. Снова стоим вместе. Желтый - снова полная готовность. Зеленый - ВЖЖЖЖЖЖ!!! Только пыль глотать и остается.
Догоняю его на следующем светофоре. Снова стоим. И так пять светофоров подряд. Вопрос в этой ситуации: В чем смысл подобных стартов со светофора если издалека уже видно, что следующий светофор вот-вот станет красным и ты даже на желтый проскочить не успеешь?
История 3. Пусть будет "Ну куда ты прешь!?".
Это скорее набор случаев, объединенный в один. Еду я по проспекту трехполосному и подъезжаю к кругу. Правая полоса - только направо с круга, средняя - во внешний круг, левая - во внутренний. Я еду по средней чтобы по кругу проехать один съезд и попасть во второй. По правой едет черный крузак. Пропустив всех на кругу я выезжаю и пилю по внешнему кругу. И тут же слышу бибиканье от крузака, которого я внезапно "подрезал". Повернув на нужный мне съезд я чуть проехал и припарковался. Рядом подъехал этот крузак и из него высунулась рожа.
"Ты куда, с**а, прешь, д**ил?!" - прозвучал риторический вопрос.
"Я еду по своей полосе. Твоя полоса была только для поворота направо" - отвечаю.
"Правила учи, му**к!" - рявкнула рожа и крузак рванул дальше.
И такое происходило не раз и не два. Я регулярно получаю гудки и проклятия от тех, кто считает, что это Я нарушаю правила.
Вопрос для истории следующий: Откуда в людях столько желчи и уверенности в своей правоте?
Ну и последняя на сегодня история 4. В честь заголовка "Да я два года за рулем и ни одного ДТП!!! И ни одного штрафа не было!!!"
Я столько раз слышал подобные высказывания от родственников, друзей, коллег и просто случайных собеседников. Варьируются только сроки, но уверенность в своей непогрешимости и мастерстве у всех абсолютно одинаковая. Однако! Не было бы поста, если бы мне нечего было бы сказать по этому поводу.
Так как у меня появился автомобиль, теперь мы изредка едем попутными курсами с теми, кто кичится своими навыками и отсутствием ДТП. Я просто еду на каком-то расстоянии и вижу, что они творят на дороге. Один выскакивает на круг, не пропуская на нем никого. Едущие по кругу только оттормозиться кое как успевают, чтобы ему жопу не помять. Второй проскакивает на желтый на светофоре даже не смотря по сторонам. Третий бибикает пешеходам на пешеходном переходе чтобы шли быстрее. Четвертый без всякой на то причины начинает шашки на дороге, перестраиваясь и обгоняя всех почем зря. Пятый паркует свою тачку прямо на повороте. Шестой выезжает на встречку (одностороннюю дорогу) и едет по ней к пропущенному повороту. Седьмой выезжает с парковки наобум прямо на проезжую часть, заставляя проезжающие машины резко от него уворачиваться. Я уже не говорю про пересечение сплошной. К примеру, въезд во двор идет после круга и чтобы туда попасть надо проехать круг, съехать с него, проехать до ближайшего разрыва в сплошной, развернуться и после этого уже по своей полосе повернуть во двор. Вот так делают "опытные" водилы без единого ДТП и штрафа.
Смотря на все это вопросов даже не возникает. Отсутствие ДТП и штрафов не является показателем мастерства совсем. Скорее указывает на то, что человеку крупно везет и на дороге ему встречаются люди с хорошей реакцией, а также не встречаются экипажи ГИБДД и ДПС. Да, можно жить не превышая скорости и не пролетая на красный, но безопасность дорожного движения не ограничена этими двумя правилами. И если кто-то когда-то начнет бить себя в грудь и орать "Да я! Да у меня никогда!" - просто вспомните этот пост.
P.S. Я не утверждаю, что я белый и пушистый праведник. Сам однажды на парковке поехал против движения не увидев кирпич, так что пришлось сдавать назад и ехать как надо. Но так как свежи еще уроки со школы и правила в голове - такой дичи я творить в здравом уме не буду и вам не советую. Ведь отсутствие аварий или штрафов легко исправляется если давать этим событиям так много шансов.
Ответ на пост «Секты»1
Раз уж начали скидывать ОСП-студию, то держите еще видос вдогонку. В связи с нынешней повесточкой- актуален на 146%
P.S. название поста не получается подправить, к сожалению, вроде раньше можно было дописать.
Крым/Штормовое
Я совсем новичок на Пикабу, но обратила внимание, что тут очень много негативных людей. С чем связано пока не понимаю, но пытаюсь понять. Но сейчас не об этом. В том году мы побывали в Штормовом, что в Крыму, в конце июня. До этого отдыхали в Оленевке. Знаете, таких закатов я не видела нигде. Многие, кто видел мои фото в других соц.сетях сравнивали с Гоа, на Гоа не была. Но в Штормовом была. Пляжи широкие, море чистое и не было медуз. Развлечений нет, но с детьми место отличное! Очень скучаю по морю и по этим закатам.
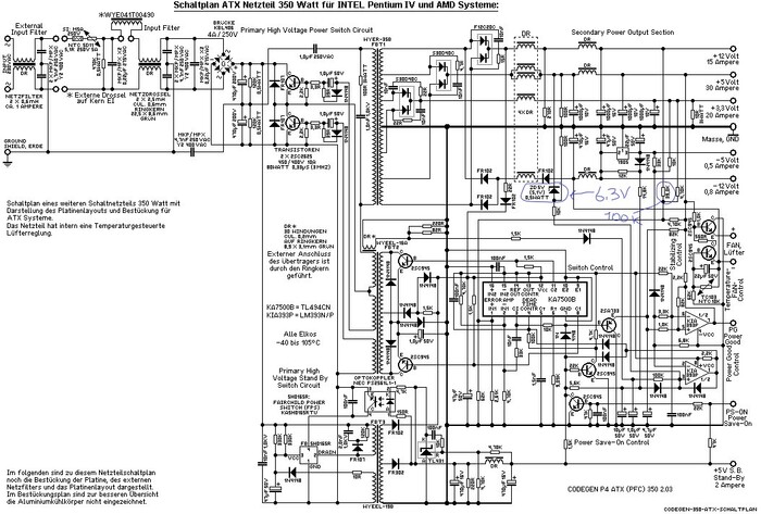
Переделка БП ATX Super Power 350W model 300x на 14.5 вольт на шим KA7500B
Понадобился мне блок питания, на 14,5 вольт и 10А, из поднебесной сейчас стало дорого заказывать, зашел на авито и купил АТХ за 300 рублей.
Далее беглый осмотр и гугление показало, что блок собран на ШИМ контроллере KA7500B, полагаю, что и другие блоки на этом контроллере можно будет переделать аналогично.
В интернете нашлась схема(переделки выделил синим):
Так же были умельцы, кто переделывал такие блоки, но переделывали как то слишком сложно. Мой вариант заключается в замене 2х деталей (один можно откусить) и все. Чтобы увеличть напряжение нужно увеличить номинал резистора на 39 кОм, я поставил 100 кОм и получил 14,6 Вольт. Чтобы не срабатывала защита от перенапряжения на линии 5 В стоит стабилитрон на 5.2 Вольта, я заменил его на 6,4 В(можно просто откусить), так же закоротил зеленый на землю, чтобы автоматически включать блок(это актуально для любого АТХ).
Все, на этом переделки схемы закончились, блок работает стабильно, выдает свои Амперы.
Вот эти детали на плате:
Я знаю что таких переделок море в интернете, но эта оказалась простой и я за несколько минут гугления не нашел ее описание, возможно, будет кому то полезно, можно использовать например как зарядник для АКБ автомобиля, только лучше для этого поставить резистор килоом на 80.
В первые разы лучше включать через лампочку, но я этого не делал))
Еще пара картинок результата:












