Горячее
Лучшее
Свежее
Подписки
Сообщества
Блоги
Эксперты
Войти
Забыли пароль?
или продолжите с
Создать аккаунт
Регистрируясь, я даю согласие на обработку данных и условия почтовых рассылок.
или
Восстановление пароля
Восстановление пароля
Получить код в Telegram
Войти с Яндекс ID Войти через VK ID
ПромокодыРаботаКурсыРекламаИгрыПополнение Steam
Пикабу Игры +1000 бесплатных онлайн игр Бесплатная браузерная игра «Слаймы Атакуют: Головоломка!» в жанре головоломка. Подходит для мальчиков и девочек, доступна без регистрации, на русском языке

Слаймы Атакуют: Головоломка!

Казуальные, Головоломки, Аркады

Играть

Топ прошлой недели

  • solenakrivetka solenakrivetka 7 постов
  • Animalrescueed Animalrescueed 53 поста
  • ia.panorama ia.panorama 12 постов
Посмотреть весь топ

Лучшие посты недели

Рассылка Пикабу: отправляем самые рейтинговые материалы за 7 дней 🔥

Нажимая «Подписаться», я даю согласие на обработку данных и условия почтовых рассылок.

Спасибо, что подписались!
Пожалуйста, проверьте почту 😊

Помощь Кодекс Пикабу Команда Пикабу Моб. приложение
Правила соцсети О рекомендациях О компании
Промокоды Биг Гик Промокоды Lamoda Промокоды МВидео Промокоды Яндекс Маркет Промокоды Пятерочка Промокоды Aroma Butik Промокоды Яндекс Путешествия Промокоды Яндекс Еда Постила Футбол сегодня
0 просмотренных постов скрыто
11
Аноним
Аноним
Лига электриков

Эквивалентные преобразования электрической цепи⁠⁠

2 года назад

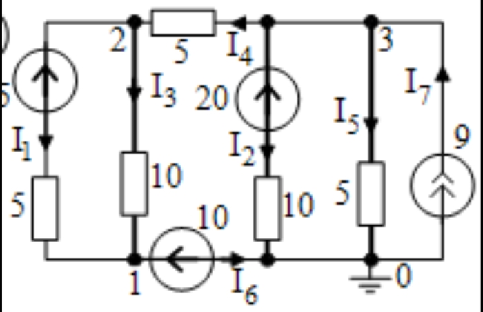
Всем привет, я за помощью. Электрики, выручайте.
Есть вот такая электрическая цепь. Её надо "свернуть", а также найти эквивалентное сопротивление (R экв) и определить токи в ветвях (I1 - I6).
Задача вроде несложная, но я тут столкнулся с проблемой, которую битый час не могу решить: чтобы определить токи I3 и I4 мне необходимо найти сопротивление Uab, которое на них действует. Но вычисления показывают, что у Uab больше, чем U, чего быть не может. Подскажите, пожалуйста, где я ошибся? Вообще идей нет.

Показать полностью 2
[моё] Электроника Электрика Схемотехника Тоэ
11
user6517478
Лига электриков

Какой из Ватт- метров показывает полную мощность и почему?⁠⁠

2 года назад
Какой из Ватт- метров показывает полную мощность и почему?
Показать полностью 1
[моё] Тоэ Электричество Курсовая Энергетика (производство энергии) Учеба Вопрос
17
user5048765
Студенческое общество

Решите пожалуйста задачу ТОЭ⁠⁠

2 года назад

Уже час сижу и не могу решить или дайте хотя бы идею.
Дано: U=48B Xc=10 Om R=20 Om. Реактивная мощность источника равна 0. Определить сопротивление катушки XL; напряжения и токи в цепи.

Решите пожалуйста задачу ТОЭ
[моё] Тоэ Электроника Учеба Срочно Электричество Помощь Сила Пикабу Сессия
30
19
aronman
aronman
Лига электриков

Уравнения по законам Кирхгофа для определения токов⁠⁠

3 года назад

Всем здравствуйте! Возникла трудность в составлении уравнений по первому и второму закону (правилу) Кирхгофа. По схеме нужно было определить токи, я всë сделал, но где-то затесались ошибки. В ТОЭ я не особо силëн поэтомк никак не могу найти у себя ошибки. Если кто-то может, помогите пожалуйста.

А вот и сама исходная схема

Показать полностью 2
Электричество Электрика Тоэ Электротехник Схема Кирхгоф Помощь Без рейтинга
29
134
introinspector
Наука | Научпоп
Серия Veritasum в моей озвучке

Как работает электричество? (Veritasium)⁠⁠

3 года назад

Дерек выпустил долгожданный ответ на критические видео-ответы от всего электротехнического топа ютуберов на видео с мысленным экспериментом с лампочкой, аккумулятором, ключом и двумя сверхпроводниками длиной в световую секунду. В видео будет объяснено почему же таки лампочка загорится, при определенных условиях, и так уж ли был неправ Дерек в исходном видео со своим ответом, что лампочка загорится через "1/с секунд". И в чём же состояла его ошибка.

Попутно будут разобраны три распространенных заблуждения о том, как работает электричество, а именно:

- электроны переносят энергию в цепи;

- подвижные электроны "толкают" друг друга в цепи;

- электрическое поле создается лишь батареей.

Показать полностью
[моё] Veritasium Научпоп Электричество Физика Озвучка Познавательно Интересное Эксперимент YouTube Тоэ Видео
11
7
Veroness

Про экзамен⁠⁠

5 лет назад

Было это в начале 2000х, когда я еще учился в колледже. Была у нас преподаватель, бабуля, Алевтина Семёновна Жихарева - добрейшей души человек, но ооочень требовательная и очень серьезно относившаяся к процессу обучения. Преподавала она ЭРМ (электро и радио материалы) и всеми нами любимые (ха-ха) ТОЭ (основы электротехники). Преподаватель она была просто прекрасный, с её слов даже была лаборантом Жореса Алфёрова. И вот незадолго до экзамена по тоэ, на какой-то из лабораторок у меня что-то пошло не так. Ну психанул немного, скомкал миллиметровку с неверной ВАХ (вольт-амперная характеристика),  подбросил бумажку почти до потолка и с хлопком поймал её в кулак. Семённа увидела это и подумала, что я забросил бумажку в лаборантскую, поскандалила, даже вроде выгнала меня из аудитории) И как я потом ни пытался убедить ее в обратном, извинялся, так и не поверила мне(.

А произошло это не так далеко к сессии. Ну в принципе у нее была такая позиция, что полностью правильно отвеченный билет - это трояк, а если хочешь больше, то идут рандомные вопросы по годовому курсу тоэ. А тут еще залет такой... В общем сдал я тогда на 5, но ответить мне пришлось почти весь курс, отвечал часа полтора-два, все кто были в аудитории уже посписывали всё кто что хотел, а она меня гоняла) В итоге сказала, что было приятно пообщаться,  а я ещё раз извинился.

С теплотой вспоминаю её всегда, жаль, не знаю, как её судьба дальше сложилась.. но несколько лет после выпуска в гости заходил, навещал её

[моё] Экзамен Тоэ Текст
5
3
DELETED

Неисправность сварочного полуавтомата, немного не понимаю физику процесса⁠⁠

5 лет назад

Сразу оговорюсь, неисправность пофиксина, сгорел диод в плате управления, пока все работает.


Но немного опишу неисправность:

При нажатии курка начинал лихорадочно щелкать, точнее жужжать, клапан подачи смеси. Рабочее напряжение клапана 24 вольта, переменка.  При отключении клапана начинал жужать пускатель. Напряжение катушки 24 вольта, переменка. Обе катушки, обоих элементов, подключены параллельно. Один конец на обмотку трансформатора, второй коммутируется семистором на плате управления.

При нажатии курка напряжение на них было 15 вольт. В принципе понятно почему начинал жужжать электромагнит....

Но вопрос не в этом.

Мы подключили еще одно реле  в параллель, сразу за клапаном и жужжать уже начало оно, будучи последним элементом цепи, а пускатель и клапан заработали в "штатном" режиме.


собственно вопрос: А что это за физическое явление такое, когда напряжения нехватает последней катушке в параллельной цепи?


Пост без рейтинга, реально пробел в образовании.

Показать полностью
[моё] Вопрос Тоэ Без рейтинга Текст
34
hlebushek228

Помогите решить задачу по ТОЭ⁠⁠

6 лет назад
Помогите решить задачу по ТОЭ

Помогите свернуть цепь сначала С источником Е1, а потом с источником Е2

Тоэ Задача Метод
5
Посты не найдены
О нас
О Пикабу Контакты Реклама Сообщить об ошибке Сообщить о нарушении законодательства Отзывы и предложения Новости Пикабу Мобильное приложение RSS
Информация
Помощь Кодекс Пикабу Команда Пикабу Конфиденциальность Правила соцсети О рекомендациях О компании
Наши проекты
Блоги Работа Промокоды Игры Курсы
Партнёры
Промокоды Биг Гик Промокоды Lamoda Промокоды Мвидео Промокоды Яндекс Маркет Промокоды Пятерочка Промокоды Aroma Butik Промокоды Яндекс Путешествия Промокоды Яндекс Еда Постила Футбол сегодня
На информационном ресурсе Pikabu.ru применяются рекомендательные технологии