История роботизированной змеи
Всем доброго времени суток. Вот и прошёл мой 3 курс в универе (МИЭМ НИУ ВШЭ). В течении года нам надо было сделать проект в качестве курсовой. Первая идея проекта состояла в том, чтобы сделать подлодку, но мы подумали, что это скучновато и было принято решение сделать подводную змею. Первым этапом стало создание презентационной гифки в Unity, чтобы защитить тему работы.
Но мне больше нравится вот так
Тему мы защитили, финансы получили, а значит пришло время проектирования и закупок. Первый концепт звена.
Сразу скажу, мы студенты на специальность коммуникационные технологии, у нас много электроники и мало механики/сопромата и делали мы всё по сути в первый раз, поэтому строго не судите.
После моделирования было решено сделать опытный образец для тестов и промежуточного отчёта. Тогда с stm32 я ещё не разобрался, поэтому тестовый образец был сделан на arduino nano. Детали печатались на 3d принтере Ender-3. В итоге получилось вот такое (5 звеньев).
Сразу стало понятно, что есть проблемы в прочности деталей и в надёжности их печати. Постарались их переделать, печататься всё стало нормально, но с прочностью всё равно остались проблемы. После презентации собрали финальную версию из 8 звеньев
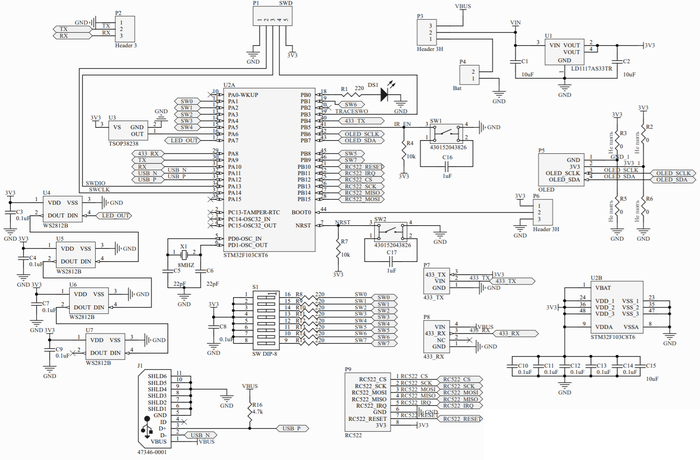
Одно звено печаталось 13 часов. Потом надо было сделать платы для управления и повышения напряжения. Платы делались с помощью фоторезиста.
Собрали, спаяли, сделали голову
Потом сделали корпус из силикона
Когда всё собрали начались испытания
Ну и финальным аккордом было выступление на техношоу. Даже по телеку показали)



































