Горячее
Лучшее
Свежее
Подписки
Сообщества
Блоги
Эксперты
Войти
Забыли пароль?
или продолжите с
Создать аккаунт
Регистрируясь, я даю согласие на обработку данных и условия почтовых рассылок.
или
Восстановление пароля
Восстановление пароля
Получить код в Telegram
Войти с Яндекс ID Войти через VK ID
ПромокодыРаботаКурсыРекламаИгрыПополнение Steam
Пикабу Игры +1000 бесплатных онлайн игр Управляйте маятником, чтобы построить самую высокую (и устойчивую) башню из падающих сверху постов. Следите за временем на каждый бросок по полоске справа: если она закончится, пост упадет мимо башни.

Башня

Аркады, Строительство, На ловкость

Играть

Топ прошлой недели

  • Oskanov Oskanov 9 постов
  • Animalrescueed Animalrescueed 46 постов
  • AlexKud AlexKud 33 поста
Посмотреть весь топ

Лучшие посты недели

Рассылка Пикабу: отправляем самые рейтинговые материалы за 7 дней 🔥

Нажимая «Подписаться», я даю согласие на обработку данных и условия почтовых рассылок.

Спасибо, что подписались!
Пожалуйста, проверьте почту 😊

Помощь Кодекс Пикабу Команда Пикабу Моб. приложение
Правила соцсети О рекомендациях О компании
Промокоды Биг Гик Промокоды Lamoda Промокоды МВидео Промокоды Яндекс Маркет Промокоды Отелло Промокоды Aroma Butik Промокоды Яндекс Путешествия Постила Футбол сегодня
0 просмотренных постов скрыто
180
iglashkov
iglashkov
8 лет назад
Сообщество Ремонтёров

Замена флешки на телефоне Lenovo K900⁠⁠

Сегодня на ремонте лопатофон с мёртвой флешкой, засланный подписчиком. )))

Немного диагностики. ))) Телефон компьютером не определяется, при запитке от ЛБП, висит на 80 миллиамперах.

Приступим к ремонту, 1 делом, подготовим новую флешку. Бутконфиг должен быть таким:

Boot configuration [PARTITION_CONFIG: 0x00] No boot partition configured.

Boot bus config [177]: 0x00 , width 1bit , Partition config [179]: 0x00.

H/W reset function [RST_N_FUNCTION]: 0x00

Ревизия флехи, не выше 4.5. Ни каких дампов заливать не нужно, раздел GP1 так же не нужно создавать, иначе получим непрошивашку.

Паять нужно крайне осторожно, на минимальных температурах, т.к. прямо под флехой, сидит здоровенный, 3х этажный проц.

По этой причине, защитный экран, под которым спряталась флеха, снимем паяльником.

На минимальных температурах сдуваем старую микруху, чистим посадочное место.

Новую реболим на свинец, мажем флюсом, усаживаем. )))

Собираем аппарат, подключаем к компьютеру, видим, что всё ок. )

Зашиваем программой Phone Flash Tool. Расписывать смысла не вижу, всё на скриншоте.

Ну и самое приятное, не нужно восстанавливать IMEI. )))

Источник(моя группа в вк): https://vk.com/igor_repair?w=wall-133928723_748

Показать полностью 10
[моё] Ремонт техники Lenovo k900 Lenovo Не включается Emmc Замена Кирпичи Cloverview Длиннопост
82
0
KitaPro
8 лет назад
Сообщество Ремонтёров - Помощь

Не включается планшет Cube u55gt⁠⁠

Здравствуйте, планшет Cube u55gt не включается, экран черный. АКБ заряжен, зарядка проходит. При прошивке выдает ошибку 3154 S_DA_SDMMC_WRITE_FAILED. При этом тест памяти вроде как проходит.

============ Memory Detection Report ===========

Internal RAM:

External RAM:

Type = DRAM

Size = 0x40000000 (1024MB/8192Mb)


NAND Flash:

ERROR: NAND Flash was not detected!


EMMC:

EMMC_PART_BOOT1 Size = 0x0000000000200000(2MB)

EMMC_PART_BOOT2 Size = 0x0000000000200000(2MB)

EMMC_PART_RPMB Size = 0x0000000000020000(0MB)

EMMC_PART_GP1 Size = 0x0000000000000000(0MB)

EMMC_PART_GP2 Size = 0x0000000000000000(0MB)

EMMC_PART_GP3 Size = 0x0000000000000000(0MB)

EMMC_PART_GP4 Size = 0x0000000000000000(0MB)

EMMC_PART_USER Size = 0x00000003ac000000(15040MB)


UFS:

ERROR: UFS was not detected!


============ RAM Test ============

Data Bus Test:

[D0]

.

.

[D31]


OK!!



Address Bus Test:

[A1]

.

.

[A29]


OK!!



RAM Pattern Test :

Writing ...

0x44332211,

0xA5A5A5A5,

0xA5A5A500,

0xA500A500,

0xA5000000,

0x00000000,

0xFFFF0000,

0xFFFFFFFF,

OK!!


Increment/Decrement Test:

Writing...

OK!!

============ RAM Test ============


Вот отладочная информация из Uart.

▒[PWRAP] pwrap_init_preloader

[PWRAP] pwrap_init


[PWRAP] _pwrap_init_sidly [Read Test] pass,SIDLY=0 rdata=5AA5


[PWRAP] _pwrap_init_sidly [Read Test] pass,SIDLY=1 rdata=5AA5


[PWRAP] _pwrap_init_sidly [Read Test] pass,SIDLY=2 rdata=5AA5


[PWRAP] _pwrap_init_sidly [Read Test] pass,SIDLY=3 rdata=5AA5


[PMIC_WRAP]wrap_init pass,the return value=0.


pl pmic init start


pl pmic efuse start


pl pmic efuse BUCK trim


[0x1C8]=0xB802


[0x1CA]=0x807F


[0x20E]=0xE0


[0x260]=0xE0


[0x286]=0xF0


pl pmic efuse end


pl pmic en rst [0x126]=0x13


[0xE]=0x1


[0x540]=0xA0


Battery exist


[0xE]=0x1


[0x540]=0xA0


pl vm read [0x290]=0x7F


pl vm no need tune


pl vm check [0x290]=0x7F


pl pmic init done


[PLFM] Init I2C: OK(0)


[PLFM] Init PWRAP: OK(0)


[PLFM] Init PMIC: OK(0)


[PLFM] chip[CA00]



[BLDR] Build Time: 20130802-191315


==== Dump RGU Reg ========


RGU MODE: 6D


RGU LENGTH: FFE0


RGU STA: 0


RGU INTERVAL: FFF


RGU SWSYSRST: 0


==== Dump RGU Reg End ====


RGU: g_rgu_satus:0


mtk_wdt_mode_config mode value=2D, tmp:22000030


PL P ON


WDT does not trigger reboot


mtk_wdt_mode_config mode value=70, tmp:22000071


kpd register for pmic set!


mt_usb_calibraion: input_reg = 0x0


mt_usb_calibraion: term_vref = 0x0, clkref = 0x0, vrt_vref = 0x0,


[RTC] get_frequency_meter: input=0x0, ouput=794


[RTC] External crystal exist


[RTC] bbpu = 0x8, con = 0x8426


[RTC] powerkey1 = 0x0, powerkey2 = 0x0


[RTC] irqsta = 0x0, pdn1 = 0x8000, pdn2 = 0x201, spar0 = 0x40, spar1 = 0x800


[RTC] new_spare0 = 0x0, new_spare1 = 0x1, new_spare2 = 0x1, new_spare3 = 0x1pl pmic powerkey Release


hw_set_cc: 450


[0x0]=0x7B


[0x1]=0x7B


[0x2]=0xB2


[0x3]=0xB2


[0x4]=0x8C


[0x5]=0x8C


[0x6]=0x1F


[0x7]=0x1F


[0x8]=0xC


[0x9]=0xC


[0xA]=0x0


[0xB]=0x0


[0xC]=0x41


[0xD]=0x41


[0xE]=0x1


[0xF]=0x1


[0x10]=0x0


[0x11]=0x0


[0x12]=0x0


[0x13]=0x0


[0x14]=0x60


[0x15]=0x60


[0x16]=0x0


[0x17]=0x0


[0x18]=0x0


[0x19]=0x0


[0x1A]=0x10


[0x1B]=0x10


[0x1C]=0x0


[0x1D]=0x0


[0x1E]=0x1


[0x1F]=0x1


[0x20]=0x1


[0x21]=0x1


[0x22]=0x0


[0x23]=0x0


[0x24]=0x0


[0x25]=0x0


[0x26]=0x0


[0x27]=0x0


[0x28]=0x21


[0x29]=0x21


[0x2A]=0x14


[0x2B]=0x14


[0x2C]=0x41


[0x2D]=0x41


[0x2E]=0xD4


[0x2F]=0xD4


[0x30]=0x0


[0x31]=0x0


[0x32]=0x0


[0x33]=0x0


[0x34]=0x0


[0x35]=0x0


[0x36]=0x0


[0x37]=0x0


[0x38]=0x55


[0x39]=0x55


[0x3A]=0x0


hw_set_cc: done


[PLFM] USB/charger boot!


[RTC] rtc_bbpu_power_on done


[SD0] Bus Width: 1


[SD0] SET_CLK(260kHz): SCLK(259kHz) MODE(0) DDR(0) DIV(193) DS(0) RS(0)


[SD0] Fail in SEND_OP_COND cmd


[SD0] init card failed


found:1,i:0


[EMI] DDR3


[EMI] eMMC/NAND ID = 0,0,0,0,0,0,0,0,0


[EMI] MDL number = 0


init ddr3 x32


Delay test


rank 0 coarse = 12


rank 0 fine = 40


10:| 0 1 1 1 0 0


opt_dle value:7


byte:0, (DQS,DQ)=(8,8)


byte:1, (DQS,DQ)=(8,9)


byte:2, (DQS,DQ)=(8,8)


byte:3, (DQS,DQ)=(8,B)


[EMI] DRAMC calibration passed



[MEM] complex R/W mem test pass


[SD0] Bus Width: 1


[SD0] SET_CLK(260kHz): SCLK(259kHz) MODE(0) DDR(0) DIV(193) DS(0) RS(0)


[SD0] Switch to High-Speed mode!


[SD0] SET_CLK(260kHz): SCLK(259kHz) MODE(2) DDR(1) DIV(96) DS(0) RS(0)


[SD0] Bus Width: 8


[SD0] Size: 15040 MB, Max.Speed: 52000 kHz, blklen(512), nblks(30801920), ro(0)


[SD0] Initialized


[SD0] SET_CLK(52000kHz): SCLK(50000kHz) MODE(2) DDR(1) DIV(0) DS(0) RS(0)


msdc_ett_offline_to_pl: size<2> m_id<0x70>


msdc <0> <HYNIX > <MMC16G>


msdc <1> <xxxxxx> <MMC16G>


msdc failed to find


*******EMMC_INFO*******


eMMC partition size(1 block = 512Bytes):


BOOT1:<4096> blocks


BOOT2:<4096> blocks


RPMB :<256> blocks


GP1 :<0> blocks


GP2 :<0> blocks


GP3 :<0> blocks


GP4 :<0> blocks


USER :<30801920> blocks


*******EMMC_INFO*******


▒▒▒▒▒▒▒▒▒▒▒ Boot Device: OK(0)


Смущает что пишет Boot Device OK, при этом не может найти вторую оперативку. (на плате их две sk hynix h5tq4g63afr)

msdc <1> <xxxxxx> <MMC16G> msdc failed to find



Куда копать, в сторону флешки или оперативки?


Опыта в ремонте планшетов нет, имеются прямые руки, паяльная станция.

Показать полностью
Планшет Cube u55gt Не включается Длиннопост Текст Помощь
8
adaika
8 лет назад

Xiaomi mi5 выключился и не включается⁠⁠

Доброго времени суток! Подскажите пожалуйста можно ли оживить xiaomi mi5? Ситуация вообщем то такая: Пользовался почти постоянно только мобильным интернетом, как то раз вечером отключил мобильный интернет и включил вай фай, положил телефон включенном состоянии, а утром проснулся он выключенный, процентов на 70 был заряжен в тот вечер. Не на что не реагирует, с помощью комбинации кнопок тоже не реагирует. Телефон заказывал через алиэкспресс, примерно месяц ему. Относил в сервис поковыряли и тоже не чего не сделали, только после них стал моргать красный индикатор при подключения провода к компу или к зарядки, и комп его определяет теперь только после того как замкнешь контакты на плате.

[моё] Xiaomi mi5 Не работает Не включается Текст
22
2
DeDLINe
DeDLINe
8 лет назад

Лига ремонтников, помогите. Не загружается электронная книга.⁠⁠

Собственно имеется старенькая книжка Onyx Boox Newton. На днях, придя домой и достав книжку из сумки, обнаружил, что она зависла с включенной подсветкой. Ну бывает, подумал я и сделал перезагрузку. Не тут то было. Подсветка погасла, говоря о том, что книга выключилась, но включаться она отказалась наотрез. Ну, села батарея от подсветки, подумал я и поставил на ночь на зарядку. (Родная зарядка, если что). Но на утро она опять же не включилась. Пошел курить форумы, где советовали долго держать кнопку "резет" или скинуть аккумулятор и подождать с пол часа (ждал больше часа), однако никакого результата не принесло. Единственное, что после множества манипуляций произошло, это появилась заставка включения (статичная, а должна анимация) и теперь при зарядке постоянно горит синий светодиод, который говорит о том, что система грузится, однако не загружается...
Прошу помощи, может кто сталкивался с подобным, а то в сервис нести как-то нет желания.

Просьба поднять в топ, для меня эта книга очень важна...
Для минусов внутри.

Лига ремонта Сообщество ремонтеров Onyx boox Электронные книги Не включается Текст
19
77
PiElSy
PiElSy
8 лет назад
Сообщество Ремонтёров

Ремонт MacBook Air 2015⁠⁠

Очередной макбук air, симптомы "часто не включается, выключается".

Разбираем устройство, опыт подсказывает, что возможно устройство залито при таком некорректном поведении.

Снимаем плату для полной диагностики

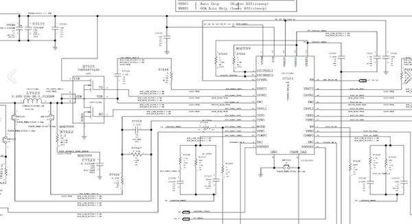
А тут у нас попадание жидкости, залиты TPS 51980A и SLG3NB148CV.

Очищаем плату от окислов

И снимаем микрухи для восстановления посадочных мест\дорожек. На примере TPS51980A.

Восстанавливаем посадочное место, а так же сгнившую дорожку.

Тоже самое проделываем с микрухой питания генератора часов.

Далее стандартная проверка сигнальных\питающих линий на наличие кз и прочей ерунды. И пробное включение.

*Не устанавливал ssd, поэтому система не смогла определить загрузочное устройство.

Далее тестирование, окончательная сборка и наведение марафета в устройстве.

Следы присутствия к сожалению скрыть не получиться, ввиду инородной перемычки и паяльной маски на обратной стороне платы.

Показать полностью 14
[моё] Apple Ремонт техники Пайка Восстановление Вода Не включается Длиннопост
32
25
evg707
evg707
8 лет назад
Сообщество Ремонтёров

Thomson 15a08f50 не включается⁠⁠

Доброго времени суток!!! Особенно моим 10 подписчикам .

Принесли телевизор Thomson 15a08f50. Сказали что не включается. Вот такой.

Его блок питания

Его и проверяем первым. Оказалось что напряжение скачет от 6 до 13 вольт. Значит в нем дело. Разбираем и находим вздутые конденсаторы на выходе 3 штуки 16в на 1000 мкФ

Соответственно меняем их. Таких же не было поставил чуть больше 16 на 2200. И проходят по дольше чем эти. в результате получаем что напряжение стабилизировалось и телевизор включился и отлично заработал. Обвел кондеры которые заменил.

На фото Потр@шков уже замененные конденсаторы.

Ну и результат. Все шуршит.

Показать полностью 4
[моё] Телевизор Не включается Ремонт Thomson Ремонт электроники Длиннопост
29
3
ffvffvfr
8 лет назад
Сообщество Ремонтёров - Помощь

Не включается p5ad2-e premium⁠⁠

Материнская плата не реагировала на power on, на этих контактах 2 вольта. При подаче дежурки сильно нагревался южный мост и транзистор около слота pci. Кроме них ничего не греется. Дежурка 5в проседала до 3.4, светодиод, который показывает что есть дежурное напряжение, светился еле-еле. Если выпаять транзистор который греется, то ЮМ не греется и светодиод уже светит нормально, дежурка не проседает, реакции на power on так же нет. Транзистор я проверил, он исправен пробовал впаивать другой, всё то же самое. Блок питания заведомо рабочий. Были вздутые конденсаторы в цепи питания процессора, около слота pci-e x16, около южного моста и около разъема питания. Я их заменил на исправные (нормально заменил, ничего не повредил, не отломал, дорожки не перебил, не первый день паяльник в руках держу). Ничего после этого не изменилось. Сопротивление между 5vsb и землей- 1кОм, в usb между data+ и data- 1.1кОм. Что теперь делать? Юг труп?

Прошу Вашей помощи, не топите в минусах пж

Не включается p5ad2-e premium
Показать полностью 1
[моё] Нужна помощь в ремонте Не включается Текст
18
cherniypoo
8 лет назад
Сообщество Ремонтёров - Помощь

Проблемка возникла⁠⁠

Вообщем имеем на руках от такой ноут asus x550c(фота с тырнета)

Проблемка возникла

Сразу к сути перейдём, была установлена система вин10 официалка, вообщем все работало шумело летало, зарядка есть не родная от него, универсальная, вообщем ноут не включается, однако индикатор заряда батареи горит, батарею снимал, подключал зарядку, ноут не врубается, подскажите примерно что может быть, заранее благодарен.

Показать полностью 1
Помощь Техника Ремонт Asus Ноутбук Не включается
14
Посты не найдены
О нас
О Пикабу Контакты Реклама Сообщить об ошибке Сообщить о нарушении законодательства Отзывы и предложения Новости Пикабу Мобильное приложение RSS
Информация
Помощь Кодекс Пикабу Команда Пикабу Конфиденциальность Правила соцсети О рекомендациях О компании
Наши проекты
Блоги Работа Промокоды Игры Курсы
Партнёры
Промокоды Биг Гик Промокоды Lamoda Промокоды Мвидео Промокоды Яндекс Маркет Промокоды Отелло Промокоды Aroma Butik Промокоды Яндекс Путешествия Постила Футбол сегодня
На информационном ресурсе Pikabu.ru применяются рекомендательные технологии