leizar
Ю.Корея. Ответы на вопросы (1)
Как и обещал, ответы на вопросы. + не повторяться с пикабушниками
1. Еда. Вот тут история одного пикабушника. Когда-то он ел за 10 тысяч вон = 350 рублей. Это 2 года назад. Сейчас 10 тысяч вон = 620 рублей.
http://pikabu.ru/story/stazhirovka_v_koree_chast_3_2314592
А тут еда в столовке от пикабушницы.
Я же питаюсь бесплатно, благо институт обеспечивает едой и общагой.
На фото: рис (каждый день), свинина острая, суп с ламинарией, хлеб (сам купил, не заедают хлебом), салат из шпината, яблоко. Еще есть кимчи (типа ядрено- острой квашеной капусты), но я его не люблю.
2. Собачатина. Так как в институте клонируют собак, их тут не едят, а производят. Продается на рынках, преимущественно не в центре Сеула. А в центре в некоторых ресторанах есть. Я не ел.
Скриншот с рабочего компа. Цветом обведены места продажи собачатины на рынках.
3. Привычки корейцев
Заметки пикабушницы
http://pikabu.ru/story/20_nablyudeniy_za_koreyskimi_parnyami_i_devushkami_3683577Почти всё верно. У меня тут рабочие отношения. Каждый месяц вроде должен быть корпоратив.
Фото: вид района в Сеуле, где сейчас нахожусь.
4. Корейские задроты
Вот одно фото, которое многое вам скажет.
п.с. На фото пикабушник @igorzuy, (мы нашли друг друга)
5. Рабочая неделя
Здесь с 8 утра до 6 вечера. Перерыв на обед 1 час. В субботу 8-12.
В офисе и в лаборатории. Учу новые и старые биологические технологии.
6. Зарплаты в Корее
Спросил - сказали. Простые младшие сотрудники получают две с половиной миллионов вон в месяц. То есть вроде бы простые лаборанты-аспиранты, но зарплаты для нас высокие.
7. K-pop
Я не слушаю, a все слушают.
ииии... в конце...
пародия от Гриффинов
Хотите ли посты про Корею?
п.с. - Так как уже 3 месяца нахожусь на практике в Корее, могу запилить посты про Ю.Корею. Странные места, привычки корейцев и т.д.
Собираю ваши вопросы.
Как посадить печень?
Мой прошлый пост стал популярным, его сохранили 340 человек. В этот раз добавлю личные фото. Продолжаем...
Вам вдруг срочно понадобились клетки печени, но вы не знаете как их посадить и вырастить?
Тогда этот простой рецепт для вас!
Для этого вам понадобится:
1. Печень
2. Натрий-фосфатный буфер PBS
3. Трипсин
4. ЭДТА (Этилендиаминтетрауксусная кислота) с антибиотиком
5. Культурная среда DMEM
6. Скальпель
7. Пинцеты
8. Ножницы
9. Серологические пипетки
10. Чашки Петри
11. Фильтр для клеток
12. Микроскоп
13. Инкубатор
ПРОТОКОЛ
1. Отделить скальпелем кусочек ткани 1 см из животной печени, поместить в чашку Петри.
2. Промыть кусочек 3 раза в ЭДТА с антибиотиком (1%).
3. Используя ножницы и скальпель, измельчить ткань до кашеобразного состояния.
4. Добавить 5 мл раствора трипсин /ЭДТА (1 мл/4 мл). Все перемешать в пробирке и поставить на 2 часа в инкубатор 37 градусов.
5. Пропустить ваш раствор через клеточный фильтр, чтобы в растворе остались только клетки. Центрифугировать раствор на 3000 об в минуту 5 минут.
6. Убрать пипеткой жидкую часть.
7. Промыть 3 раза клетки в DMEM (шаги 5 и 6).
8. Добавить 10 мл DMEM в клетки, перемешать и посадить в новую чашку Петри.
9. Поставить в инкубатор на неделю.
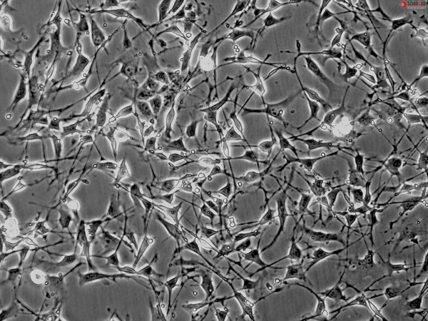
П.с. наши клетки называются гепатоциты
10. Клеткам тоже надо кушать, поэтому через неделю замените культурную среду на новую DMEM. Заодно и посмотрите в микроскоп, во сколько раз увеличилась ваша культура.
Вы получили ваши первые клетки печени!
Вы восхитительны!
Поздравляем!
Как приготовить стволовые клетки?
Вам вдруг срочно понадобились эмбриональные стволовые клетки, но вы не знаете как их получить?
Тогда этот простой рецепт для вас!
1. Беременная мышь (14 дней)
2. Спирт 70%
3. Ножницы
4. Скальпель
5. Пинцеты
6. Чашки Петри
7. Раствор трипсина-ЭДТА 0,05%
8. Серологические пипетки
9. Шприц 10 мл
10. Инкубатор
11. Морозильник
12. Жидкий азот
13. Углекислый газ
14. Натрий-фосфатный буфер PBS
15. Диметиллсульфоксид DMSO
16. Флаконы для культур клеток
17. Микроскоп
18. Культурная среда MEF
19. Криопробирки
20. Криоконтейнер
21. Гепмоцитометр
22. Центрифуга
23. Изопропанол
ПРОТОКОЛ
1. Усыпить беременную (день 13-14) ICR мышь с помощью CO2.
2. Положить на спину и обработать 70% этанолом. Используя ножницы, сделайте разрез на брюшке. Осторожно вырежьте матку с помощью стерильных ножниц и пинцета, затем поместите в чашку Петри со стерильным PBS.
3. Отделите эмбрионы от матки, освободить эмбрионы от амниотического мешка, затем переместить эмбрионы во вторую чашку Петри содержащую стерильную PBS.
4. Под препараторным микроскопом, убрать из эмбрионов головы, печень, кишечник, сердце и все внутренности используя два пинцета.
5. Переместите туши эмбрионов в чистую чашку Петри. Осторожно нарубите эмбрион на мелкие кусочки стерильным скальпелем или ножницами (около 1x1 мм). Добавить 5.0 мл 0.25% трипсин/EDTA на каждые 10 плодов, и соберите всё и перемешайте 10 мл пипеткой.
6. Переместите смесь ткань/трипсин с помощью пипетки из чашки Петри в 10 мл шприц с иглой на 18. Закрыть поршнем шприц, переворнуть и осторожно убрать воздух, затем осторожно, нажать и пропустить смесь ткань/трипсин через иглу, и собрать всё в 50 мл коническую пробирку (флакон). Осторожно пропустить смесь через иглу второй раз.
7. Инкубировать смесь ткани 15 минут при 37°C, перемешиванием 3 или 4 раза с использованием 10 мл пипетки, чтобы отделить ткань. Добавить равный объем полной среды MEF для деактивации трипсина.
8. Энергично перемешать смесь с помощью 10 мл пипетки.
9. Поместить 1 эквивалент эмбрионового эквивалента в флакон для культур клеток Т175 и добавить полную MEF среду, чтобы окончательный объем составил 30 мл на флакон. Эта плотность позволяет клеткам придерживаться, но не позволит им чрезмерно разливаться до сбора клеток через 3-4 дня. Инкубируют при 37 ° С и 5% СО2.
п.с. Наши клетки называются Мышиные эмбриональные фибробласты MEF
10. Как правило, диссоциированные MEF прикрепляются к флакону и начинают делиться за ночь. Заменить среду на следующий день с равным объемом свежей и полной MEF среды. Через 3-4 дней, когда клетки становятся почти слившимися, MEF клетки готовы быть заморожены. Прополоснуть клетки один раз свободным от Ca2 + / Mg2 +раствором PBS. Ослабить прикрепившиеся клетки, используя 3 мл 0,05% трипсина / EDTA раствора на колбу. Деактивируйте раствор трипсина, добавив 5 мл полной MEF среды.
11. Собрать клетки из различных колб и подсчитать количество жизнеспособных клеток с использованием красителя трипанового синего и гемоцитометра. Жизнеспособность должна быть в пределах 90-95%. Центрифугируйте клеточную суспензию при комнатной температуре в течение 4 мин при 200 г. Отберите среду, а клетки вновь разбавьте в полной среде при MEF 2x - желаемой конечной концентрации для замерзания (т.е. 2.4x10`7 / мл). Добавить равный объем фетальной бычьей сыворотки с 20% DMSO, чтобы получить окончательную концентрацию 1x для хранения. Разлить по 1 мл на криопробирку и заморозить. Каждая пробирка содержит 1,2 х 10`7 MEF клеток.
12. Заморозить клетки в криоконтейнере. Контейнер хранится при комнатной температуре и заполнен 250 мл изопропанола. Приготовленные криопробирки помещаются в криоконтейнер,и он помещается в морозильник с -70°C на ночь. Такая процедура обеспечивает охлаждение минус 1 градус в минуту, важный шаг, чтобы сохранить жизнеспособность клеток. После одной ночи, криопробирки убирают из криоконтейнера и помещают в жидкий азот (-196°C) для долгого хранения.
Вы получили ваши первые эмбриональные клетки!
Вы восхитительны!
Поздравляем!
Что опубликовать?
1. Интересна ли будет методика получения стволовых клеток ?
Стволовая клетка – это незрелая клетка, способная к самообновлению и развитию в специализированные клетки организма
или же
2. Фотографии клонированных собак в Корее по странам.
Кошка ожила
Помнится, в детстве нашли на улице в январе закоченевшую кошку... Занесли ее в школу и положили в углу у входной двери. Кто-то сказал, что она должна лежать в прохладе....Через некоторое время кошка стала страшно мяукать и учителя ее куда-то унесли.

























