Woodpecker1987

Woodpecker1987

На Пикабу
3907 рейтинг 9 подписчиков 0 подписок 19 постов 9 в горячем
135

Советские "калоши": магнитолы

Вега-328

По заверению отдельных источников - одна из первых массовых советских стерео-магнитол. Производство Бердским радиозаводом с 1982 года. На начало 1980-х годов имела очень броский внешний вид. Несмотря на очень высокую цену (400 с лишним рублей), внутри - стандартный аппарат третьего класса с характерными схематическими упрощениями радиоприемной части.

Электронная настройка только в диапазоне УКВ. Настройка в остальных диапазонах осуществлялась с помощью КПЕ. Хоть аппарат и имел целых два красивых индикатора, которые показывали не только уровень записи, но и уровень выходной мощности, индикация точной настройки на станции отсутствовала. Магнитофонная часть имела венгерский лентопротяжный механизм.

Были и экспортные варианты этих магнитол с разным набором диапазонов и со стереодекодером для пилот-тона на полевых транзисторах и микросхеме. Так же выпускались магнитолы Вега-332, отличавшиеся от основной модели диапазоном длинных волн вместо коротких.

На первый взгляд очень сложная, навороченная. У меня такая была в пользовании. Громко орущая, неубиваемая "балалайка", безотказно прослужившая много лет в гараже и на даче при любой погоде.

Одной из интересных функций, которая была у этой Веги - расширение стереобазы, для ее использования нужны были кассеты с качественными стерео-записями; моя модель была укомплектована декодером с полярной модуляцией, а в УКВ стерео-программы шли уже с пилот-тоном, поэтому все было в режиме "моно", соответственно при прослушивании радиоприемника от этой функции фактически не было толка.

Аэлита-102, она же Рига-111 и Радиотехника МЛ6102

Аппарат первого класса с высокими характеристиками радиоприемной части и набором интересных дополнительных функций. Точно так же, как и в случае с Вегой, имел дело с нею лично. Производство с 1984 года.

Электронная настройка во всех диапазонах. Все узлы - магнитофон, УНЧ, ПЧ-ЧМ, ПЧ-АМ, повышающий преобразователь напряжения для настройки на станции, блок УКВ - были выполнены в виде отдельных блоков, что значительно упрощало диагностику и ремонт.

Все три аппарата - по сути одно и то же под разными названиями: Аэлита сборки курганского завода "Курганприбор". "Радиотехника" и "Рига" - Рижского радиозавода имени А.С. Попова.

Латвийские имели более интересный дизайн и прямоугольную форму кнопок, имели несъемный блок питания. У нашего курганского варианта блок питания был съемным. Все три магнитолы имели функцию подзарядки батарей. В "Аэлите" переход с сетевого питания на батареи выполнялся электронным способом, автоматически, а на "Риге" и "Радиотехнике" - по старинке, кнопками.

Одна из самых странных и интересных функций данной магнитолы - микширование звука со встроенного микрофона со звуком радиоприемника (микширование со звуком магнитофона недоступно). При этом внешний микрофон, подключенный в гнездо в данной функции не участвовал, что для меня лично выглядит как-то странно и нелогично.

Из основных функций - стрелочный индикатор настройки и уровня записи. Уровень записи можно регулировать как в ручную, так и автоматически. Имеется гнездо для подключения внешней акустической системы. Звук у этих магнитол - один из лучших.

Ореанда-201

Чудесный аппарат завода "Фиолент", город Симферополь. Производилась с 1980 года. Радиоприемная часть второго класса по схемотехнике близка к "Океану-214", выпуск которого начался через 5 лет после "Ореанды". Мое личное мнение: по характеристикам значительно превосходила "Океаны". Имела очень хороший звук.

В модели имеются ручная и автоматическая регулировка уровня записи, индикатор уровня записи и точной настройки на станции, так же показывающий уровень заряда батарей.

Магнитолы разных годов выпуска также побывали у меня в руках многократно. Имелись отличия в блоках УКВ: в более ранних выпусках использовался УКВ 2-1С, в более поздних попадался 2-01С. Цвет корпуса - от черного до светло-серебристого.

В целом, классическая модель 1970-х годов с емкостной настройкой во всех диапазонах и барабанным переключателем. Схемотехника построена на базе кремниевых транзисторов.

ВЭФ-260-Сигма

С 1978 года выпускалась Рижским радиозаводом ВЭФ. Радиоприемная часть, как и у "Ореанды-201", имела классическую основу в виде барабана переключения диапазонов и настройки с помощью КПЕ, но не повторяла ее схематически - как и все ВЭФы была полностью самобытна, за исключением ЛПМ магнитофонной панели, который, как и в случае с Вегой-328, был взят у венгров.

Имела менее информативный индикатор настройки в виде светодиода, неотключаемую автоматическую регулировку уровня записи, самый минимальный набор органов управления. Из всех вышеперечисленных мне она больше всего нравилась за более компактный размер и меньший вес.

Тут я решил перечислить аппараты, с какими лично имел дело. Это не все аппараты, их намного больше, но на этом пока все. Позже подберу более интересные варианты.

Показать полностью 6
20

Перестройка блока "УКВ 1-05С" на диапазон УКВ-CCIR (87.5~108 МГц) в магнитоле "Аэлита-102"

УКВ 1-05С - один из самых удачных блоков, помимо очевидных плюсов в виде электронной настройки и очень высокой производительности, он может быть перестроен даже полным дилетантом в электронике. Достаточно просто уметь держать в руках паяльник, иметь сам паяльник, пару отверток и желательно (но не обязательно) автомобильный FM-трансмиттер.

В качестве примера - магнитола "Аэлита-102". Данным способом может быть перестроен любой приемник, рассчитанный на использование блока "УКВ 1-05С".

Перед тем, как приступать к переделке, хочу предупредить: если во время настройки блок работает очень плохо, его никак не удается настроить, или он не работает вообще - в этом с высокой степенью вероятности виноваты конденсаторы К26-1.

Мелкие бордовые, глянцевые, выглядят как спичечные головки, вот они

Именно они являются одной из самых распространенных причин отказа советской техники выпуска 1980-х годов. Столкнулись с такой ситуацией? Меняйте их на нормальные, например, на китайские многослойные или дисковые. Главное - строго соблюдайте их номиналы, которые указаны на схеме блока ниже.

Схема

Удаляем лишние конденсаторы:

На схеме красным цветом зачеркнуты конденсаторы, которые нам надо будет удалить.

C2 - конденсатор во входном контуре
С7 - конденсатор в контуре УВЧ
С13 - конденсатор в контуре гетеродина

Удалив их, мы расширим диапазон перестройки гетеродина и УВЧ. Это пока все, что нужно сделать с блоком. После удаления конденсаторов блок можно возвращать обратно в приемник. Далее переходим к предварительной проверке.

Отключение АПЧ и БШН:

Что нужно сейчас - это обязательно отключить автоматическую подстройку частоты (АПЧ) и бесшумную настройку (БШН). Они будут только мешать нормальной настройке и укладке диапазона.

У меня в Аэлите-102 применена ужасно неудобная система управления этими двумя функциями: АПЧ и БШН объединены в один тумблер с двумя положениями. То есть можно выключить только что-то одно - либо АПЧ, либо БШН. Нам нужно отключить все.

АПЧ будет удерживать частоту и мешать точной установке границ диапазона и настройке чувствительности. БШН будет глушить станции с недостаточно высоким уровнем сигнала, поэтому чувствительность настроить будет просто невозможно.

За эти две функции у меня отвечает блок демодулятора ДЧМ-II-6, он установлен рядом с блоком УКВ

Чтобы отключить бесшумную настройку, отсчитайте от выступа (ключа) на разъеме до контакта №7, этот контакт нужно будет соединить с минусом перемычкой. Кусочек белого провода внизу.

Блок ДЧМ можно возвращать на место, тумблер необходимо установить в положение "БШН". После этого ничто не будет мешать дальнейшей настройке.

Предварительная проверка:

Включаем приемник и, вращая ручку настройки, пытаемся принять хоть что-то. Обычно на этом этапе блок УКВ уже начинает подавать первые признаки жизни. Но на идеальный результат рассчитывать пока рано.

Укладка диапазона и настройка чувствительности:

Фото блока УКВ уже после переделки. Цифрами отмечены те места, которые нам нужно будет настроить.

Перед настройкой блока закройте его металлической крышкой.

1 - катушка гетеродина (на схеме - L3.2). Укладка начала диапазона.

Удаляем из нее ферритовый сердечник, меняем его на латунный. Тут может возникнуть проблема - латунные сердечники на дороге не валяются. Встает вопрос: откуда их достать? Их можно найти в советских телевизорах, например, в их селекторах каналов "СКМ-24" или "СКД-24", или изготовить самостоятельно из латунных винтов М4. Поскольку я уже давно распотрошил все советские селекторы, какие только мог найти в своей округе, я начал вытачивать сердечники из винтов. Высота сердечника: 3...5 мм.

Устанавливаем стрелку шкалы приемника в начало диапазона (87,5 МГц). У меня начало шкалы находится слева (разметка в мегагерцах). В других приемниках, использующих данный блок, может быть по-другому - все зависит от того, на какую разметку рассчитан шкальный механизм вашего приемника: на длину волны (м) или частоту (МГц).

Запускаем FM-трансмиттер на частоте 87,5. Вращаем сердечник в катушке гетеродина до тех пор, пока не услышим звук с трансмиттера. Таким образом мы уложили начало диапазона.

2 - гетеродинный триммер (на схеме - C15). Укладка конца диапазона.

Переводим стрелку шкалы в противоположный край, а на трансмиттере устанавливаем частоту 108 МГц. Используя диэлектрическую отвертку, вращаем триммер и добиваемся приема с трансмиттера. Конец диапазона можно считать уложенным.

Однако, советую снова перенастроить приемник и трансмиттер в начало диапазона, чтобы убедиться в том, что настройка в начале не "уплыла". Если вдруг уложить диапазон не получается - подбираем латунный сердечник по высоте: если он слишком длинный - укорачиваем его, и наоборот.

3 - катушка УВЧ (на схеме - L2.2). Настройка усиления в начале диапазона.

Для начала надо убедиться, сердечник из какого материала нужен для работы с этой катушкой. Удаляем из нее сердечник. Берем два стержня: один из феррита, другой из латуни. Возвращаем приемник и трансмиттер на частоту 87,5.

Теперь берем латунный стержень и помещаем в катушку. Если работать стало хуже - помещаем в нее стержень из феррита. Если оба варианта не дают удовлетворительного результата, а прием улучшается, если сердечник извлечь - поздравляю: катушка работает правильно и не нуждается в сердечнике. Дальше можно не читать, а сразу переходить к четвертому пункту.


Определившись с материалом сердечника, эту катушку желательно настраивать на сигнал станции, которая ловится на уровне помех. Таким образом мы сможем настроить максимально возможное усиление. Сделайте так, чтобы трансмиттер находился от приемника на расстоянии 7~10 метров, унесите его в другую комнату, сделайте все возможное, чтобы его сигнал был подвергнут препятствиям, но не полностью заглушен.

Теперь, находясь в начале шкалы, принимая сигнал с трансмиттера, вращаем сердечник в этой катушке. Добиваемся максимально низкого уровня помех. Если у приемника есть стрелочный индикатор - следим за тем, чтобы его стрелка отклонялась как можно правее.

4 - триммер УВЧ (на схеме - C8). Настройка усиления в конце диапазона.

Все то же самое, что и с катушкой, только в конце диапазона. Добивайтесь самого низкого уровня помех и максимального отклонения стрелки индикатора. Для настройки триммера используйте диэлектрическую отвертку.

5 - катушка входного контура (на схеме - L1.2). Сопряжение входного контура с УВЧ в начале диапазона.

Подбираем сердечник для этой катушки таким же способом, как и в случае с катушкой УВЧ (L3). При регулировке добиваемся самого чистого и качественного звука. Если катушку УВЧ вы смогли настроить с использованием сердечника, рекомендую не полениться и снова вернуться к ее настройке, чтобы добиться наилучшего результата при сопряжении.

6 - триммер входного контура (на схеме - C3). Сопряжение входного контура с УВЧ в конце диапазона.

Диэлектрической отверткой вращаем триммер для достижения того же результата, как и в начале диапазона. Рекомендую вернуться к подстройке триммера УВЧ.

Настройка завершена. Приемник полностью готов к использованию, его можно собирать. Перемычку с блока ДЧМ можно убрать. Если вам не нужна бесшумная настройка - можете ее оставить.

Демонстрация работы приемника в начале видео
Показать полностью 5 1
2568

Ответ на пост «Пентагон обвинил российских коллег в нежелании "брать трубку"»1

Официальный представитель Пентагона Джон Кирби выступил с обвинением в адрес российских коллег, поскольку они якобы не желают брать трубку

Честно сказать, я прекрасно понимаю ребят из минобороны. Я и сам трубку на стал бы брать. За долгие годы хождения по квартирам надоели как черти, а тут еще и звонят.

Ответ на пост «Пентагон обвинил российских коллег в нежелании "брать трубку"»
10

Перестройка блока "УКВ 2-2-Е" с УКВ-OIRT на УКВ-CCIR (он же - FM) в радиоприемнике "Океан-209"

Данная тема подойдет не только для "Океана-209". Любой советский приемник с блоком "УКВ 2-2-Е" может быть переделан данным способом. Так как давно существует проверенная методика переделки, я не стал изобретать велосипед, лишь некоторые моменты я решил упростить, так как считаю это вполне целесообразным. В целом методика рабочая, мною проверена многократно.

Сейчас решил немного систематизировать собранные знания и кое-что добавить от себя здесь. Так же на просторах интернета есть темы, например, вот эта, где люди делятся своими примерами, задают вопросы и помогают другу другу. Думаю, многим интересующимся переделкой тоже будет полезно почитать.

Перед тем как перейти к делу, напоминаю о том, что надо убедиться в работоспособности блока. О том, как это сделать, я уже писал в статье про радиолу "Игла 301-1" здесь. Оттуда же можно взять и некоторые другие рекомендации.

Схема блока

Внешний вид блока уже после переделки

Номиналы компонентов, которые нужно изменить в схеме.

В СССР производились экспортные варианты радиоприемников - это те же приемники, с таким же точно блоком УКВ, но использующим номиналы в колонке "87.5~108 MHz" из таблицы выше.

Если возникает вопрос про резистор R12: что значит "0" в его номинале - это значит, что вместо резистора надо поставить перемычку.

Так как компоненты на плате блока не подписаны - вот схема их расположения

В обсуждениях часто рекомендуется перемотка контурных катушек. Я просто не вижу в этом никакого смысла. Пару раз я это делал, но потом понял, что лучше всего - подобрать сердечники, это куда проще и занимает меньше времени. Результат тот же.

После того, как все работы по замене будут завершены, блок можно возвращать на место и переходить к настройке. При выполнении регулировок обязательно наденьте на блок крышку.

Укладываем диапазон:

В Океане-209 УКВ-шкала изначально рассчитана на разметку в метрах, поэтому диапазон на ней начинается справа, а заканчивается - слева. Начальная отметка 87,5 МГц находится в левой части. Включаем автомобильный FM-трансмиттер, настраиваем на нем частоту передачи 87,5, а стрелку шкалы приемника ведем в левый край.

Катушка L4 - это гетеродин. Вращая ее сердечник добиваемся приема сигнала с трансмиттера. Меняем на трансмиттере частоту на 108 МГц, а стрелку шкалы приемника переводим в противоположный край. Если сигнал с трансмиттера поймать не удалось, значит у нас проблемы с конденсаторами C6 и C16. Их номиналы не должны очень сильно отклоняться от указанных в таблице. При необходимости их можно подбирать, применяя близкие по номиналу.

С16 - последовательный растягивающий конденсатор в гетеродинной секции. Подбирая его мы можем двигать нижнюю часть диапазона в начало шкалы.
С6 - последовательный растягивающий конденсатор в усилителе радиочастоты. Им мы можем как расширить и так и сжать диапазон по всей его длине: уменьшая его емкость мы расширяем диапазон, а увеличивая - сжимаем.

Боремся с побочным приемом станций и настраиваем чувствительность:

Катушка L3 в усилителе радиочастоты. Есть рекомендации увеличить в ней количество витков, как я уже сказал ранее и повторюсь еще раз: не вижу в этом смысла. Я просто меняю в ней латунный сердечник на ферритовый. Так как ферритовый сердечник значительно длиннее латунного, его придется укоротить, просто разламываем его напополам кусачками. Это важно, потому что у ферритового сердечника в данной ситуации просто избыточная длина, что будет мешать при настройке.

Устанавливаем получившийся сердечник в катушку и настраиваемся на трансмиттер посередине диапазона на частоту 97,5 МГц. Вращая сердечник следим за индикатором настройки приемника. Настраиваем сердечник в катушке таким образом, чтобы стрелка индикатора находилась чуть правее от середины. Не надо гнаться за "ломовой чувствительностью" и за максимально крайним положением стрелки. Такова схемотехника этого блока: здесь выбирается золотая середина между адекватной чувствительностью и побочным приемом.

После настройки катушки необходимо провести полный обзор станций, от начала до конца. Нигде не должны вылезать побочные каналы. Если станции, вещающие в начале или посередине диапазона, начинают выскакивать в конце, либо какая-то станция продолжает приниматься даже при вращении ручки настройки - подстраивайте L3 до тех пор пока подобное явление полностью не исчезнет.

Настройка входного контура:

Парная катушка L1-L2 во входном контуре. Через нее на УРЧ поступает сигнал с антенны. После замены конденсаторов во входном контуре нелишним будет подстроить эту катушку. Снова настраиваемся на трансмиттер, можно посередине диапазона. Вот теперь, вращая сердечник в этой катушке добиваемся самого максимального отклонения стрелки индикатора настройки.

Снова проводим обзор шкалы на предмет побочных каналов - их быть не должно. Если что-то снова появилось - повторяем настройку катушки L3.

После настройки заливаем катушки парафином. Так как приемник для своего размера ну просто очень громкий, нередки на моей памяти случаи, когда от вибрации катушки просто-напросто раскручивались "в хлам".

Переделку приемника можно считать завершенной и переходить к его сборке.

Небольшой твик (необязательно):

Блоки УКВ в Океанах закреплены на шасси через резиновые амортизационные шайбы, решение красивое, но по сути бестолковое. Адекватная связь корпуса блока с шасси приемника по этой причине отсутствует. По массе блок с приемником связан лишь тонким проводком и кабелем ПЧ. Для лучшего экранирования рекомендую соединить крышку блока с шасси проводом, используя винтовые клеммы. Чем толще провод, тем лучше.

Выглядеть это должно примерно так

Демонстрация работы приемника:

Приемник способен ловить станции в деревне, которая находится в 60 километрах от Останкинской башни.

Показать полностью 5 1
20

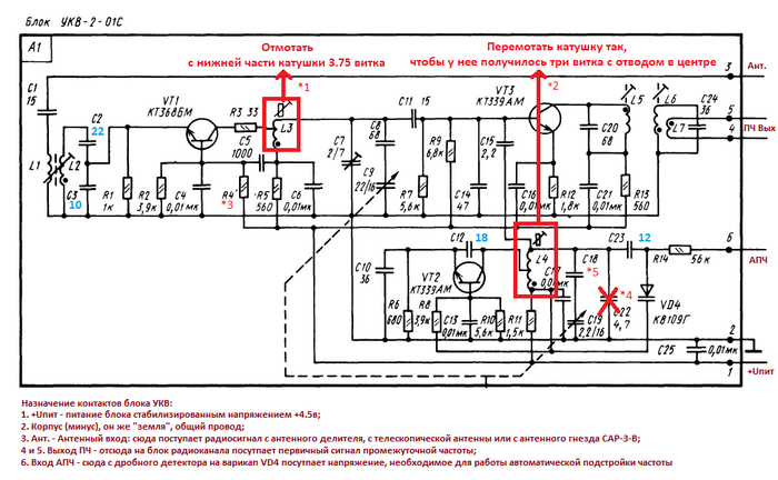
Перестройка блока "УКВ 2-01С" с диапазона УКВ-OIRT (65.81~74) на УКВ-CCIR (87.5~108) на примере радиолы "Игла 301-1"

На восточно-европейском (советском) УКВ-OIRT все равно вещание свернуто, а УКВ-CCIR - он же FM - полностью забит станциями, поэтому мною было принято решение переделать свою радиолу.

В моей радиоле применяется унифицированный блок "УКВ 2-01С" на кремниевых ВЧ-транзисторах. Этот же блок применялся в большинстве другой радиоаппаратуры, например: в Ореанде-201, в Океане-214, в Сириусе-324-Пано, в ВЭФ-260-Сигма и еще много-много где. Поэтому, если у вас не радиола "Игла" - данный вариант все равно может подойти и вам. Переделке подвергается только сам блок - никакие другие блоки радиоприемника трогать не нужно!

В Океанах-214 подобный блок может называться просто "УКВ-С", это блок производства ПО "Горизонт", внешне его плата может иметь незначительные отличия от блоков этой же модели в других аппаратах, но схема абсолютно та же. В "Игле" используется такой же, просто производства другого радиозавода.

Следует так же заметить, что проводимость транзисторов в данном блоке - NPN, в отличие от ранних моделей блоков (например, УКВ 2-2-Е) на германиевых транзисторах, где проводимость - PNP. Несмотря на полное внешнее сходство блоков и их унификацию - схемотехника и полярность питания у них разная. Если у вас, например, имеется радиоприемник Океан-209 или Спидола-207 на германиевых транзисторах - там используется УКВ-2-2-Е, это значит, что данная статья вам не подойдет.

Уточняйте, какая именно у вас модель радиоприемника, и какой блок в нем используется, чтобы понять, стоит ли пользоваться инструкциями из этой статьи. В данной статье речь идет о радиоприемниках с блоком УКВ 2-01С с кремниевыми транзисторами типа NPN.

Вот собственно блок УКВ 2-01С без крышки, уже снят и подготовлен к переделке. Снимать его пока не стоит. Фото просто для наглядности. Обязательно сфотографируйте все провода, припаянные к блоку до его демонтажа - это облегчит задачу, когда будете ставить его обратно.

1) Проверка работоспособности блока УКВ:

Изначально нужно убедиться в работоспособности блока УКВ - если ваш приемник ничего не принимает, причиной может являться не только отсутствие вещания на старом диапазоне, но и неисправность самого блока. Это важно, чтобы избежать разочарования от проделанного мартышкина труда.


Самое простое - для проверки нам потребуется PCI-радиотюнер с расширенным УКВ-диапазоном, например, "Beholder TV 505 FM", подойдет и обычный USB-"свисток". Можем собрать любительский жучок для начинающих, потратив немного времени. Ну а если мы "бояре" - можно воспользоваться высокочастотным генератором, например, Г4-116. Разберем все подробнее.

С помощью генератора сигналов:

В случае Г4-116: настраиваем генератор на частоту в диапазоне от 65.8 до 74; режим модуляции - ЧМ; звуковой сигнал - синус 1000 Гц. Вращаем ручку настройки шкалы УКВ на приемнике до тех пор, пока не поймаем звуковой сигнал с генератора. Сигнал пойман - блок работает. Можно приступать к переделке.

С помощью радиожука на транзисторе КТ315:

Данный "жук" является маломощным любительским перестраиваемым ЧМ-радиопередатчиком, вещающим в диапазоне 65~74 МГц, который можно собрать за 10-15 минут из подручных средств. Схему и подробности можно найти здесь. Если под рукой вдруг не оказалось КТ315, для сборки данного передатчика, то подойдет любой "буржуйский" мелкий транзистор структуры NPN с граничной частотой (fгр) не ниже 80 МГц: 2SC1815, 2N2222 и т.д. Их можно выковырять практически из любого старенького японского телевизора или видеомагнитофона. Исправный блок поймает сигнал с "жука", как только будет настроен на него.

С помощью PCI/USB-радиотюнера:


Блок УКВ имеет свой ВЧ-генератор, так называемый гетеродин. Это источник вспомогательного сигнала низкой мощности, частота которого отстоит от радиочастоты, на прием которой настроен радиоприемник, ровно на 10,7 МГц вверх. Например: наш приемник настроен на частоту 68 МГц, прибавьте к этому числу 10,7. Простое сложение будет выглядеть так: 68+10,7=78,7. Частота 78,7 - это та частота, с которой гетеродин будет излучать в антенну радиоприемника свой сигнал в виде тишины, если шкалу приемника настроить на прием частоты 68 МГц.

Если шкала размечена не в частотах (мегагерцах), а в длине волн (метрах), и вы не можете определить как настроить приемник на взятую за пример выше частоту 68 МГц - включите на компьютере радиотюнер, настройте его на прием частоты 78,7 FM, расположите его в непосредственной близости от переделываемого приемника. Вращайте ручку настройки УКВ на приемнике до тех пор, пока в динамике компьютера шипение не сменится на тишину. Если все так - значит вы поймали сигнал гетеродина. Блок УКВ работает.

Частота 68 МГц указана в качестве примера. Вы можете выбрать любую другую в промежутке от 65.8 до 74, просто прибавляйте к ней 10,7.

2) Схема блока УКВ:

Для наглядности - вот электрическая схема нашего блока и точки, где нужно произвести изменения.

3) Замена деталей:

Для начала извлекаем блок из приемника. Расслабив крепежные винты, снимаем с вала пластмассовый шкив, связывающий блок УКВ с верньерным механизмом. Чтобы нить не запуталась и ее не пришлось потом долго и муторно собирать - обмотайте шкив скотчем или изолентой.

Теперь нам потребуются низковольтные мелкие керамические конденсаторы. Подойдут любые: трубчатые КТК; многослойные китайские, аналоги К10-17 и им подобные; "флажки", круглые и квадратные - без разницы. Главное - иметь подходящие номиналы, и не допускать от них отклонений, так как техника - высокочастотная, даже самые минимальные отклонения могут серьезно нарушить ее работу.

Не используйте тонкопленочные конденсаторы К26-1, тем более БУшные. Они крайне нестабильны и недолговечны  - даже советские "флажки" будут работать лучше, чем они.

Конденсаторы:


Сперва заменим все детали, отмеченные голубым цветом на схеме.
Перечисляю те конденсаторы, которые нам будут нужны взамен старых:
C2 - 22 пф
C3 - 10 пф
C12 - 18 пф
С23 - 12 пф

Контурные катушки:

Переходим к помеченному красным цветом. Теперь по порядку изменим количество витков у катушек: сначала у L3, затем у L4. Перед демонтажом катушек с платы запомните, как они были установлены. Для простоты сделайте пометку маркером. Снимать катушки легче всего с помощью шпирцевого оловоотсоса, таким образом вы избежите расплавления их корпусов в результате длительного нагрева при пайке. Катушка L3 - в контуре УРЧ (усилителя радиочастоты) - снимаем с нижней части ее каркаса 3,75 витка. Катушка L4 - находится в контуре гетеродина - перематываем ее таким образом, чтобы посередине ее каркаса были расположены три витка и ровно посередине катушки - центральный отвод. Возвращаем катушки на место.

Подбор и замена резистора R4:

Тут вам не потребуется ничего подбирать самим. Я уже все подобрал. Вам нужно будет просто заменить текущий резистор R4 на постоянный резистор с сопротивлением 10 кОм. Ниже я просто расскажу, как это у меня получилось.

Очевидно, после всех переделок выше схема не заработает, так как транзистор V1 (иногда может иметь обозначение VT1 или T1) вышел из своего рабочего режима. Чтобы транзистор ввести в рабочий режим, необходимо подобрать другой резистор взамен того, что стоит под обозначением R4. Самый простой способ это сделать - использовать подстроечный резистор с сопротивлением от 15 до 20 кОм.

Я просто припаял к подстроечному резистору два проводка, другой конец проводков припаял на плату, где стоял старый R4. Вот так выглядит мое "творение".

Вращая резистор отверткой, я добился адекватной работы транзистора V1. Требуемое сопротивление получилось в районе 10 кОм. Если быть точнее - 10,2.

Удалить из схемы C22 и подобрать С18:

С22 - удаляем из схемы. Так как нам надо расширить диапазон, за это будет отвечать С18, а С22 при этом будет только мешать.
С18 - я подбирал аналогично резистору выше, только использовал для этого подстроечный конденсатор. Наиболее удачный номинал, который мне часто приходится здесь использовать, равен 56 пф. У вас может получиться другая емкость. Этот конденсатор пока можно не трогать, пускай остается такой, какой есть. Подробности будут ниже.

4) Предварительная проверка после замены деталей:

Устанавливаем блок обратно в приемник, припаиваем к нему все провода. Обязательно накрывайте блок металлической крышкой каждый раз при выполнении подстроек или после подбора номиналов. Для удобства подборки конденсатора гетеродинного контура С18 не спешите привинчивать плату блока к шасси.

У моей радиолы нет телескопической антенны, только антенное гнездо САР-3-В, если у вас такая же ситуация, не забудьте вставить в трех-контактное гнездо "УКВ Антенна" (контакт посередине) провод длиной 2-3 метра. Включаем приемник. Выбираем диапазон УКВ. Кнопка АПЧ должна быть отжата. Для начала пытаемся поймать хоть что-то, вращая вал двойного конденсатора С9-С19 - далее буду называть его КПЕ (это тот большой переменный конденсатор с пластинами, его можно видеть на первом фото).

Если с блоком все хорошо, самые мощные в вашей местности FM-станции должны будут приняться (в моей местности ближайшие станции доступны с радиомачты в Балашихе). Даже если прием идет с помехами - не стоит расстраиваться, мы еще ничего не настроили, а только убеждаемся в работоспособности переделки.

Если ничего принять не удалось, не следует делать вывод о неудаче, возможно в ваше здание плохо проникают радиоволны извне. Нам потребуется источник сигнала в диапазоне 87,5~108 МГц, с этой задачей легко справится автомобильный FM-трансмиттер. Дешевый, компактный, и безотказно действующий вариант, доступный в любом магазине электроники и автозапчастей. Когда мне лень пользоваться Г4-116 или его у меня забирают - я пользуюсь трансмиттером, результат с ним ничем не хуже.

Устанавливаем КПЕ блока УКВ примерно посередине. Запустите на трансмиттере с флешки файл с записью синуса 1000 Гц или какой-нибудь песни, установите частоту передачи 100 МГц. Вращая отверткой сердечник катушки L4 (гетеродин) пытаемся найти сигнал с трансмиттера. Поймали сигнал - отлично, оставляйте все так как есть.

Чтобы убедиться в том, что мы поймали именно прямой сигнал с трансмиттера, а не его зеркальный канал или одну из его гармоник, нажимаем кнопку АПЧ. Радиоприемник не должен сбиваться с настроенной частоты. Отключаем АПЧ. Теперь вспоминаем про компьютерный тюнер, о котором я писал выше: чтобы полностью убедиться в том, что гетеродин работает правильно, снова проделываем ту же процедуру с проверкой работы гетеродина тюнером.

Так как мы уже можем с высокой степенью вероятности считать, что приемник настроен на частоту 100 Мгц - просто прибавляем к ней 10,7. Выполняем сложение: 100+10,7=110,7. Настраиваем на компьютере тюнер на частоту 110,7 МГц. На этой частоте мы должны услышать тишину. Поверните вал КПЕ, если из колонок компьютера в этот момент послышится шипение - все отлично. Теперь мы знаем, что приемник был настроен на частоту 100 МГц и его гетеродин работает отлично.

5) Укладка диапазона 87,5~108:

Теперь переходим к укладке диапазона. Если подвижные пластины КПЕ находятся полностью  наверху - значит блок УКВ настроен на верхнюю крайнюю частоту (верхняя точка), здесь должна быть частота 108 МГц; если они полностью утоплены вниз - здесь будет нижняя крайняя частота 87,5 МГц (нижняя точка). Переводим КПЕ на нижнюю точку (вращаем вал КПЕ до упора), устанавливаем на трансмиттере частоту передачи 87,5 МГц. Вращая сердечник катушки L4 добиваемся приема. Перенастраиваем трансмиттер - на частоту 108 МГц, а КПЕ - вращаем в противоположный край. Если в конце вы услышали звук с трансмиттера - укладку можно считать завершенной.

Здесь считаю нелишним предупредить: каждый раз, при замене деталей в блоке УКВ, полностью отключайте приемник от электросети, чтобы предотвратить его выход из строя.

Если что то пошло не так, вспоминаем про конденсатор C18. Если сигнал с трансмиттера принимается посередине или где-то между серединой диапазона и верхней точкой - уменьшаем емкость конденсатора до 56 пф. Результат снова неудовлетворительный? Ставим еще меньше - 47 пф. Если диапазон никак не удается уложить, значит у нас неисправен конденсатор С8, его емкость должна быть равна 68 пф. Меняйте его, и снова повторите подборку C18. После этого диапазон будет полностью уложен в границы КПЕ.

Очень маловероятно, но: по завершении укладки вернитесь обратно в нижнюю точку, перенастроив трансмиттер на 87,5, чтобы убедиться, в том, что ее настройка не "уплыла".

6) Настройка чувствительности:

Так как вряд ли у каждого дома может заваляться "под подушкой" свип генератор - нас снова спасет трансмиттер. Самый хороший способ начать, проверенный мною на практике, - установить КПЕ посередине, на частоту 97,5 МГц. Сделать это легко: настраиваем на трансмиттере 97,5. На переделываемом приемнике поворачиваем пластины КПЕ в среднее положение до тех пор, пока не поймаем наш трансмиттер. Теперь мы находимся ровно посередине диапазона.

Удаляемся с трансмиттером от приемника на такое расстояние, на котором его сигнал будет приниматься на уровне помех. То есть нам нужно настроить максимальную чувствительность, когда напряжение АРУ в приемнике максимально высокое.

После выполнения вышеописанной манипуляции, вращением сердечника в катушке L3 добиваемся самого низкого уровня шумов. Если вращение сердечника ничего не дает - поворачиваем триммер С7, добиваясь того же результата, используя диэлектрическую отвертку. Как только уровень помех снизится, снова выполните настройку катушки L3. Проделайте эту процедуру последовательно несколько раз, пока не добьетесь наилучшего результата.

7) Дополнительные настройки:

Настройтесь на самую хорошо принимаемую станцию, доступную в вашей местности. Подстраивая сердечник в катушке входного контура L1-L2, добейтесь приема с максимально чистым и неискаженным звуком. Остальные катушки трогать не нужно, они уже были настроены на заводе и в дополнительной регулировке не нуждаются.

8) Окончательная сборка:

Заливаем катушки, которые мы трогали, парафином. Я это делаю так: кладу по кусочку, отрезанному от свечи, на каждую катушку и грею паяльным феном при температуре 95 градусов. Теперь можно прикручивать плату блока к шасси винтами, закреплять крышку, восстанавливать верньер и собирать все взад.

9) Демонстрация:


Вот так теперь работает переделанная радиола

Постскриптум:

Вот так выглядит блок после переделки

Показать полностью 5 1
Отличная работа, все прочитано!

Темы

Политика

Теги

Популярные авторы

Сообщества

18+

Теги

Популярные авторы

Сообщества

Игры

Теги

Популярные авторы

Сообщества

Юмор

Теги

Популярные авторы

Сообщества

Отношения

Теги

Популярные авторы

Сообщества

Здоровье

Теги

Популярные авторы

Сообщества

Путешествия

Теги

Популярные авторы

Сообщества

Спорт

Теги

Популярные авторы

Сообщества

Хобби

Теги

Популярные авторы

Сообщества

Сервис

Теги

Популярные авторы

Сообщества

Природа

Теги

Популярные авторы

Сообщества

Бизнес

Теги

Популярные авторы

Сообщества

Транспорт

Теги

Популярные авторы

Сообщества

Общение

Теги

Популярные авторы

Сообщества

Юриспруденция

Теги

Популярные авторы

Сообщества

Наука

Теги

Популярные авторы

Сообщества

IT

Теги

Популярные авторы

Сообщества

Животные

Теги

Популярные авторы

Сообщества

Кино и сериалы

Теги

Популярные авторы

Сообщества

Экономика

Теги

Популярные авторы

Сообщества

Кулинария

Теги

Популярные авторы

Сообщества

История

Теги

Популярные авторы

Сообщества