Доводим до ума самую первую "Денди" - Nintendo Famicom 1983 года
Привет, Пикабу!
Давно у меня не было постов про приставку Денди. Исправляюсь. Сегодня у нас на обзоре и модификации самая первая версия этой приставки родом из 1983 года.
Отличительной особенностью этой версии являются квадратные кнопки A/B и глянцевая (а не матовая) задняя крышка:
К сожалению, первый блин у японцев вышел комом - впоследствии все первые консоли были отозваны у покупателей, на руках остались единицы. Что же не так с этой версией?
Всё сложно: часть картриджей она вообще отказывается запускать, а часть запускает с графическими артефактами:
Чтож, полезем внутрь. Авось, получится поставить её на ноги.
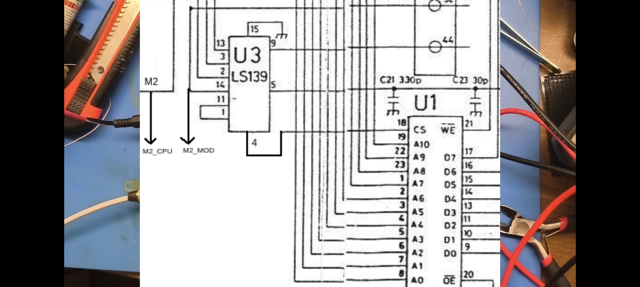
Внутри нас ждёт типичная для Фамикомов материнка с нетипичным радиатором на видиочипе - он слишком сильно греется для пластикового корпуса.
Сзади навесом напаяны несколько элементов. Для чего же их поставили? А вот для чего. Взглянем на осциллограмму сигнала процессора М2 (жёлтый) относительно сигнала R/W (синий):
И видим серьёзные проблемы у сигнала M2 во время перехода к чтению: фронт M2 почти опережает фронт R/W. Естественно, это создаёт ошибки на шине процессора. Решение - слегка отодвинуть фронт M2 вправо. Именно для этого сделана RCD цепочка, бездумно копируемая со схемы Famicom и в наши дни:
Но японцы, к сожалению, не исправили проблему полностью. Чтобы она ушла, необходимо убрать то, что добавили японцы, разорвать линию М2 от процессора и вставить схему коррекции фронта уже на неё:
После этой модификации тот картридж, на который консоль никак не реагировала, стал запускаться (правда, графические артефакты никуда не делись):
Что же не так с графикой? А тут целых две проблемы с сигналами. Первый - у линии чтения RD - он аналогичен проблеме М2 и исправляется так же.
Линия записи WR, увы, тоже инвалид:
Сигналы адреса (синий график) меняются синхронно с окончанием записи (жёлтый график), а так быть тоже не должно. Поправить сие непотребство не просто: легко создать задержку по переднему фронту, но крайне сложно сгенерировать задний фронт раньше, чем это сделает чип. Но у архитектуры есть особенность: она никогда не пишет два байта подряд, и длительность сигнала записи всегда одна и та же. Таким образом, сформируем исправленный сигнал WR при помощи схемы одновибратора, работающего по переднему фронту:
Ну и до кучи ещё заменим линейник питания 7805 на импульсник, ибо очень уж сильно греется.
Вот так выглядят все наши исправления, оформленные в виде одной платки:
Что у нас теперь с графикой?
А с графикой всё отлично! Теперь эта консоль почти ничем не уступает по функционалу более поздним ревизиям.
Всем спасибо за внимание :)
P.S. видеоверсия поста
P.P.S. @SupportTech, почему с мобилы из браузера Chrome в пост не грузятся изображения? Пишет, что файл повреждён. Пришлось редактировать из огнелиса.



















Уголок ретрогеймера
4K постов13.2K подписчик
Правила сообщества
Регистрационный номер: № 5416719577
Правила сообщества:
1. Игры вне религии и политики
2. Уважайте игровые предпочтения других пользователей
3. Любые оскорбления других пользователей запрещены
4. Пустые и бессмысленные посты запрещены и кидаются в общую ленту
5. Игры, которые не относятся к категории ретро будут переносится в Лигу Геймеров или общую ленту Пикабу
6. Реклама любой продукции и сервисов без согласования запрещена
7. Любой поиск игр происходит в Лиге Потерянных Игр:
9. Все договоренности игры по сети происходят в сообществе Онлайн ретро-игр: