В Волгограде 18-летний парень издевался над воробьем, заставляя его курить.
Скриншот из видео, в котором 18-летний житель Волгограда Виктор Авдеев издевается над воробьем, вставляя ему в клюв спички и сигареты, вызвал шквал негодования в Сети. Вплоть до того, что требуют привлечь юношу к ответственности. Изначально 14-минутный ролик был выложен в соцсети ВКонтакте. В нем демонстрировалось, как Виктор управляет автомобилем, а рядом с ним сидит маленький воробей. Во время одной из остановок парень начинает засовывать в клюв воробью, который не пытался сопротивляться, зажженные сигарету и спички. Скринами из этого видео в своем Instagram решила поделиться другая жительница Волгограда – Елена Грекова, и получила массу разгневанных откликов, которые сводились к тому, что это – издевательство над братьями нашими меньшими. Ситуацию даже прокомментировали в областном фонде защиты животных, где назвали подобное поведение садизмом и посетовали на недостаточную строгость наказания за издевательство над животными.
Источник: https://vistanews.ru/incident/150769
Потеряны социальная и 2 банковские карты!
Привет, Пикабу.
Прошу выручить, хоть немного поднять в топ.
Сегодня, около 20:00 по мск, скорее всего в автобусе маршрута 400, который следует из Зеленограда до ст. метро Речной Вокзал, мной был утерян кардхолдер от Тинькоф банка с социальной картой студента, картой Сбербанка и картой Тинькоф банк, всё на имя Воронина Дмитрия Дмитриевича, т.е. меня. На социалке есть моя фотка.
Если кто что нашёл, или знает, то, пожалуйста, отпишите на vk.com/white_dis
Интересный БП ATX.
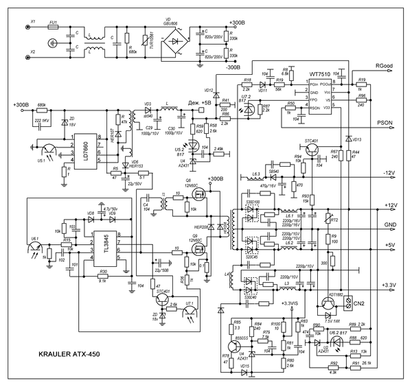
Однажды попался в руки БП Veltron ATX-400(ныне успешно отремонтированный, по схеме этого аналога). Однако я до сих пор нахожусь в небольшом когнитивном диссонансе от примененных в этих БП решений. В первую очередь- со схемы основного преобразователя. Правильно ли я понимаю, что ключ Q8 подключенный через трансформатор на 6 ногу TL3845, открывается в то время когда ключ Q9 закрыт, а этот БП двухтактный? При этом, средняя точка сетевых конденсаторов не используется.
p.s. Схему взял тут: http://www.sector.biz.ua/docs/power_supply_schemes_2/power_s...
Илон Маск о расценках SpaceX.
Бюджет американских ВВС недавно стал доступен для ознакомления всем желающим, поэтому появилась возможность сравнить цены на запуски у компаний, предоставляющих такие услуги. Выяснилось, что SpaceX — большие молодцы, и их цены существенно отличаются от расценок United Launch Alliance (ULA), принадлежащей Boeing и Lockheed Martin.
Американское правительство платит ULA фиксированную цену за запуск любой ракеты-носителя, будь то Atlas V, Delta IV или Delta IV Heavy. Кроме того, компании выплачивают дополнительные взносы, которые гарантируют стопроцентную готовность к запуску в случае непредвиденных ситуаций.
Согласно опубликованной на сайте смете, стоимость запуска одной ракеты в 2020 финансовом году составит 422 миллиона американских долларов, а в следующем — уже 424 миллиона. При этом в прошлом году ВВС США заплатили SpaceX за запуск спутника связи всего 83 миллиона, а весной 2017 года SpaceX вывела на орбиту ещё один такой спутник за 96 миллионов. Коммерческий запуск одной ракеты Falcon 9 стоит около 65 миллионов долларов, но военные обычно предъявляют более серьёзные требования по части безопасности и обеспечения запусков, поэтому для них цена обычно бывает повыше. Но даже в том случае разница очевидна.
По этому поводу Илон Маск написал у себя в Twitter, что при таких расценках заказчик по сути получает сам спутник бесплатно, а исполнительный директор ULA признал, что компания не может конкурировать с SpaceX по стоимости запуска.








