Проектные перевозки, или "Нет, это не «Тополь-М»...". Часть 2.2 Железная дорога. Как это у нас.
Продолжу повествование о своем скромном видении сферы проектных перевозок.
Для тех, кто не в курсе, напомню: это всевозможные перевозки, которые нельзя осуществить, просто погрузив груз в машинку и отправив ее к получателю, где она будет благополучно разгружена. Короче, грузы большие и очень большие, тяжелые и сверхтяжелые, просто неудобные и/или требующие применения особых мер, способов и условий перевозки.
Железная дорога. Как это у нас.
Итак, как это происходит у нас. Говоря «нас» - я имею в виду страны, получившие в наследство от Союза колею 1520 мм и прилагающуюся к ней инфраструктуру. С незначительными различиями, во всех бывших братских республиках такие перевозки осуществляются одинаковым образом.
Еще одна колонна, наподобие показанной в предыдущем посте. В этом сезоне мне на них везет. Длина 29 метров, масса 224 тонны. Транспортер тот же 16-осник грузоподъемностью 240 тонн. Погрузка в процессе. Дело происходит в Нижнекамске, Татарстан.
Как уже поминалось в предыдущем посте, в перевозках тяжеловесов и негабаритов по ЖД рулят специальные вагоны, которые, не смотря на различия в конструкции, известны под общим названием «транспортеры». Да, в определенной степени, такие грузы могут перевозиться и рядовыми 4-осными платформами грузоподъемностью до 72 тонн, коих тысячи, но, согласитесь, на фоне 200-300-тонных транспортеров это смотрится блекло. Поэтому, далее повествование пойдет о них.
Помним. Любим. Скорбим.
С большим сожалением отмечу, что технологии тут прочно застряли на уровне 70-х и какого-либо положительного развития ситуации не предвидится. Имеющийся в строю парк транспортеров неумолимо сокращается с каждым годом – просто заканчивается срок эксплуатации (например, на боку изображенного выше написано: «… продлен до 2022» - и продление это сделано далеко не в первый раз), накапливается усталость металла в основных несущих конструкциях – и вот уже никакой ремонт с заменой отдельных частей неспособен оживить старичков. На сегодняшний день парк транспортеров РЖД не насчитывает и одной сотни, причем 80% из них составляют относительно небольшие 4- и 8-осные модели грузоподъемностью «всего лишь» 60 и 120 тонн соответственно.
Представители вагоностроительных организаций, с которыми довелось поговорить, разводят руками: «Заказов нет, техдокументации нет, опыта нет», короче, прогнозы неутешительные. Подкрепляет эту убежденность то, что разработка и производство транспортеров в СССР было полностью отдано на откуп группе предприятий расположенных в славном городе Луганске и его окрестностях (например, завод, когда-то поэтично называвшийся «ВЗОР»), и, хоть о судьбе их лично мне неизвестно, надеяться на лучшее крайне сложно.
Ну а пока еще эти колымаги на ходу – работаем с тем, что есть.
Относительно небольшой трансформатор массой 105 тонн погруженный на 8-осный транспортер грузоподъемность 120 тонн. Ушел на Белорусский металлургический завод. Фото сделано в Одессе, вроде, точно не помню. На маленьком зеленом вагончике, если присмотреться, можно увидеть контрольную раму (для чего она нужна, рассказывал в предыдущем посте). Да, это вон те 4 торчащие палки – это она. Говорил же – у меня впечатляющих фото этой конструкции нет))
Учи матчасть!
Как уже упоминалось выше, транспортеры по своей конструкции делятся на несколько основных типов. Подробно нам об этом рассказывает все та же Инструкция ДЧ-1835 и еще парочка документов: 161-ПКБ ЦВ «Каталог по транспортерам железных дорог России колеи 1520 мм» и «Единые технические условия эксплуатации транспортеров», для друзей – ЕТУЭ-Т, где подробно прописано что, как и каким образом можно возить на этих трудягах. Итого, в нескольких постах я планирую человеческим языком изложить содержание двух одного маленького талмуда, второго размером чуть больше, и третьего «опус магнум» на 300 страниц формата А3. Начинаю сомневаться в собственной адекватности)). Ладно, к делу! Пойдем по возрастающей – от простого к сложному.
Платформенный тип.
Собственно, как и подразумевает название, внешне мало чем отличаются от обычной ЖД платформы. Грузовая площадка – ровная металлическая поверхность с несколькими десятками отверстий для болтовых креплений (да, вскользь уже упоминал, что для крепления груза на транспортерах в абсолютном большинстве случаев приходится сооружать металлоконструкции разнообразных фасонов и форм – а к вагону они, в свою очередь, крепятся здоровыми такими болтами, обычно с резьбой М30 или М56). По бокам имеются ряды кронштейнов и проушин, также предназначенных для крепления груза с помощью разнообразных растяжек. Вот, в принципе, и все, что о них можно сказать примечательного. Грузы возят, преимущественно, длинные (но не очень, реально – до 30 метров) и тяжелые (но, опять же, не очень – до 120 тонн). Короче, самые средние середнячки, выполняющие, как это обычно и водится, львиную долю черной работы. Возможно, именно поэтому и являются самыми многочисленными на сегодняшний день: в общей сложности, платформенные транспортеры двух оставшихся в строю моделей (4-осные 63-тонники и 8-осные 120-тонники) насчитывают порядка 60 особей.
Поймал себя на том, что последнее предложение в голове само собой прозвучало голосом Николая Дроздова…
Свежак. Фото сделано 3 дня назад. 96 тонн, что-то нефтехимическое, 8-осный транспортер грузоподъемностью 120 тонн. Хорошо видно растяжки и обвязки из металла и троса, которыми крепится груз. Да, питерцы признают ЗСД на фоне))
Очередная колонна (мда... разнообразием перевозимые грузы радуют нечасто) не помню уже куда отправленная, но точно на НПЗ. Масса под 90 тонн, длина в районе 20. Транспортер 8-осник грузоподъемностью 120 тонн. Ничего особо примечательного, кроме того, что их было отправлено разом 8 штук. Не качеством, так количеством))) Еще тут замечательно виден такой анахронизм, как крепление груза проволокой. Да, реально, 90-тонная болванка опутана парой десятков растяжек из обычной проволоки диаметром 6 мм. Да, это повсеместная практика. Потому, что во-первых - можно, а во-вторых - дешево. А в 100% случаев крепеж вам никто не вернет, если только не озаботиться и не организовать специально его возврат.
Вот чуть более красивое, но чужое, фото. Транспортер 4-осный грузоподъемностью всего лишь 63 тонны. Но, при этом, способный тягать весьма длинные грузы, особенно при использовании платформ прикрытия (да, снова отсылка к предыдущему посту – там все-таки был изложен необходимый минимум теории), что, собственно, здесь и изображено – слева видно ее краешек, над которым нависает груз, приподнятый на деревянных подкладках.
Площадочный тип.
Во многом похожий на предыдущий, но имеющий свою фишку, тип транспортеров. Тут главное преимущество – поверхность грузовой площадки расположена на минимальной высоте (да, шутки про «заниженный» и «опущенный» слышу регулярно. Нет, не надоело, но это я просто такой флегматичный))), за счет чего перевозимый груз может быть немного выше, не рискуя при этом вылезти за пределы габаритов погрузки. Расплачиваются они за это ограничениями, налагаемыми на длину груза формой самого транспортера. Племя относительно немногочисленное, насчитывает в живых, в лучшем случае, десятка три единиц всех моделей (от 4-осных 62-тонников до 16-осных с грузоподъемностью 225 тонн). По существу – наиболее сбалансированный и практичный тип транспортеров, способный таскать на себе, при определенной доле фантазии, практически любые грузы (в рамках здравого смысла и сопромата, конечно). Опять же – самые рядовые трудяги, выполняющие довольно большой объем перевозок. Возят они практически все: легионы трансформаторов, турбин и генераторов, тяжелую технику, аппараты для химических производств и прочая, и прочая.
Какой-то котел-утилизатор, массой около 130 тонн, грузящийся на 16-осный площадочный транспортер в порту Ростова-на-Дону. Как и писал выше, грузовая площадка расположена как можно ниже, но это все же 200-тонник – поэтому сама рама вагона имеет почти 85 см в «толщину». Итого – около метра от уровня головки рельса до низа груза, что тоже не фонтан, но в подобных случаях приходится выбирать лучшее из худшего. (Бонусом: фанаты железнодорожной техники разглядят слева Takraf EDK-1000/2)
Еще один 16-осник грузоподъемностью 220 тонн. Как уже говорил выше, приложив определенную долю воображения, на эти транспортеры можно погрузить штуковины и побольше. Здесь груз массой 171 с копейками тонну имеет длину около 17 метров, но, за счет высоких опор, прекрасно размещается на этом транспортере. Насколько помню, это была какая-то деталь прокатного стана, отправленная на Каменск-Уральский металлургический завод.
Вот еще один образец приложения воображения, правда чужой. Груз похож на дробилку-измельчитель для горных пород или фрезу для снятия асфальта. Неважно, в любом случае, преимущества использования транспортера площадочного типа (4-осник, маленький совсем:)) тут реализованы по максимуму (груз довольно высокий, при это выходит за пределы грузовой площадки вагона, но все в пределах допустимого).
Колодцевый тип.
По-своему интересный тип транспортеров, заточенный на перевозку грузов конкретной формы, хотя и имеющий потенциал в других областях. Характерная особенность у них: у них нет пола (не в смысле «sex», а в смысле «bottom»), груз подвешивается между двумя продольными балками рамы, за счет чего его можно расположить настолько низко, насколько это вообще возможно, вплоть до уровня шпал (хоть это и не позволит сделать устройство ЖД пути). Само собой, с точки зрения максимальной высоты груза тут сплошные плюсы, но ширина, длина и масса жестко ограничены. Таким образом, стихия этого типа транспортеров – плоские, преимущественно «дисковидные», грузы, поставленные на ребро: обечайки цилиндрических конструкций, катушки с кабелем, роторы и опорные кольца карьерных экскаваторов, проходческие шиты и любые другие штуковины, которые можно впихнуть в тот самый «колодец», благодаря которому эти транспортеры получили свое название. Поработать с ними мне практически не удалось, поэтому фото все чужие.
(Бгг.. при попытке поиска этого изображения в Гугле, выдает как похожие картинки образа святых… Да не оскорбятся верующие:))) Вот самый идеальный груз для этих вагонов – плоский диск, судя по всему – часть проходческого щита метростроя. Если присмотреться – снизу он висит ниже уровня вагона.
Пара обечаек (это, грубо говоря, короткие куски «трубы», которые затем соединяются в длинные цилиндры) – части будущей вращающейся цементной печи. А транспортер – 8-осник грузоподъемностью 120 тонн.
Или вот парочка судовых винтов на нем же. Винтажное фото)) Груз при это закреплен на оси, и, вполне мог бы вращаться от потока набегающего воздуха, как детская «игрушка-вертушка», но скучные железнодорожники заставляют его жестко закреплять. Говорят «транспортная безопасность», какая-то… Понапридумывали тоже! Последнего развлечения лишают!
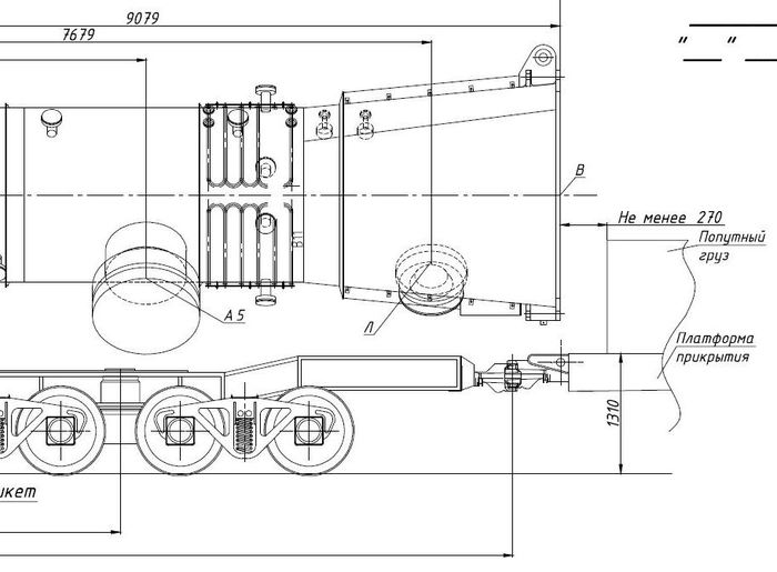
Сцепной тип.
Тут дела обстоят еще более интересно, то есть сложнее. Груз в этом случае может ставиться и крепиться только на двух опорах, называемых турникетами, расстояние между которыми, в зависимости от модели транспортера и его комплектации, составляет от 12 с небольшим до почти 46 метров. Из этого ясно, что стихия этих транспортеров – максимально длинные грузы. На 99% это все то же колонное оборудование для химических заводов, но и длинные металлоконструкции тоже иногда бывают: пролеты мостов, части подъемных кранов и тому подобное. Важным моментом, подтверждаемым специальными расчетами, является прочность самого груза: прогиб под собственным весом, динамика колебаний и прочий сопромат тут играют решающую роль, выход за предельные значения любого из параметров позволяют проверяющим проект сотрудникам РЖД зарезать его на любом этапе. Но это так, байки на ночь для непослушных инженеров-технологов:))
Насчет «фишек» этого типа. Собственно, почему «сцепной»? Потому, что состоит из двух отдельных вагонов («секций» на языке железнодорожных людей, они даже имеют разные номера), которые, у некоторых моделей, не могут быть разделены (разве что на время ремонта и обслуживания). Вот такая драма с сиамскими близнецами в мире ЖД вагонов. Для увеличения максимальной допустимой длины перевозимого груза, между ними могут также ставиться специальные платформы, называемые промежуточными, каждая из которых добавляет 11 метров к общей длине сцепа. В максимальной комплектации это может выглядеть так: платформа прикрытия, секция транспортера, две промежуточные платформы и еще секция транспортера с платформой прикрытия. Итого сцеп длиной почти 77 метров. Страшный сон составителя поездов Груз при этом может достигать 55-60 метров длины, если, конечно, его прочность позволит.
Но есть парочка моделей сцепных транспортеров, где эти половинки намного более независимы и вполне могут использоваться как отдельные транспортеры грузоподъемностью 170 и 240 тонн. Такие вот индивидуалисты, требующие особого отношения. Причем 240-тонная отдельная секция – реально особого, т. к. ее постановка в состав обычных грузовых поездов запрещена. Только специальный поезд, со своим отдельным локомотивом и группой поддержки из 5 вагонов сопровождения.
С количеством и доступностью у этих транспортеров все в высшей степени плохо – не наберется даже десятка, очередь расписана на полгода, состояние и возраст – без комментариев. Конечно, «малышей» грузоподъемностью 120 тонн среди выживших большинство, а вот 240-, 340- и 480-тонников осталось всего лишь по одному (т.е. по 2 «половинки-секции», соединенных в один транспортер).
«Слайды! Слайды!» - ставь плюс, если узнал старый советский анекдот))) Да уж... опустился до приемчиков современных недоблоггеров.
205-тонная «колбаса» длиной чуть более 30 метров на все том же 16-осном 240-тоннике. Где-то на подходе к Нижнекамскому НПЗ. Видите два ржавых «кирпича», на которых лежит груз? Это дополнительные «переходные» ложементы, через которые вес груза (а также динамические нагрузки при движении) и передается на турникеты. Больше никаким местом он не опирается – только эти две точки. На фото в начале поста это тоже хорошо видно. Этот проект особенно запомнился ползаньем по обледенелому от брызг морской воды грузу на пятиметровой высоте (погрузка в Новороссийске, середина января, штормило). «Наша служба и опасна, и трудна…»
Тут фото чужое, но случай интересный. Насколько мне известно, груз массой около 180 тонн на 16-осном транспортере грузоподъемностью 240 тонн. Длину груза тут увеличили путем установки специально сконструированной «насадки», приваренной к корпусу. Довольно смелое решение, но перевозка стала возможна только благодаря ему.
А это та самая «отдельная секция» грузоподъемностью 240 тонн, требующая перевозки в специальном поезде. Две таких можно соединить в 480-тонного монстрика, способно нести 50-метровую колонну, правда, осуществить эту перевозку будет весьма непросто – такие грузы практически всегда имеют внушительный диаметр, выходящий за все возможные габариты погрузки. Здесь на транспортер (точнее его «половинку») погружен не очень большой, но весящий 230 тонн валок прокатного стана. Учитывая, что валки – фактически расходная деталь, требующая периодической замены, эти перевозки стали чуть ли не рутиной, где успели поучаствовать почти все значимые компании на рынке проектных перевозок. Конкретно этот отправился на Магнитогорский металлургический комбинат, второй, абсолютно такой же – на Выксунский. И так пару раз в год.
А это – на сладкое. Солью внутренний документ РЖД))). Из-за, мягко говоря, «неопытности» людей, осуществлявших погрузку (хотя, черт побери, "Ижоры" же, там всегда были классные специалисты!!! Как недосмотрели!!! Как всегда, после резонансных аварий на производстве, в той или иной степени аукается всем причастным к отрасли, досталось немного головной боли и мне), был прощелкан важный момент, свойственный только этой конкретной модели сцепного транспортера. В результате чего турникеты просто «ушли в отрыв» от рамы вагона. Вместе с грузом. Подробности причин, по которым это произошло, если пожелаете, можете найти по ссылке
(паблик некоммерческий, так что, надеюсь, как рекламу не воспримете; видео чужое, так что залить на ютуб тоже не могу)
Вообще, конечно, вид лежащего на обочине груза бросает в холодный пот, но это, всего лишь, профдеформация)))
Сочлененный тип.
Как и говорил в начале повествования: «От простого, к сложному». Здесь попробуем разобраться с «вершиной пищевой цепочки» – транспортерами сочлененного типа. На сегодняшний день именно они обладают максимальной грузоподъемностью среди всех вагонов, достигающей 500 тонн, модели «помладше» способны нести грузы до 240, 300 и 400 тонн.
Перевозки на них сопряжены с определенными сложностями прежде всего потому, что груз на таком транспортере встраивается в конструкцию вагона, соединяет его отдельные секции (а транспортеры сочлененного типа также состоят из двух «половинок»), становясь неотъемлемой частью поезда, в том числе, передавая тяговые и тормозные усилия от локомотива на следующие за ним вагоны. Часть грузов к этому подготовлена изначально (некоторые типы трансформаторов, изготовленных в СССР, например, имели специальные узлы крепления для перевозки на таких транспортерах и корпус их имел необходимую прочность), остальные в процессе подготовки облачают в металлические конструкции массой до 40-50 тонн, которые и обеспечивают передачу всех нагрузок.
Процесс погрузки тут тоже необычен: груз, облаченный в раму, (обычно это называют «грузовым модулем») ставят на ЖД путь, с двух сторон к нему подъезжают и присоединяются «половинки»-секции сцепного транспортера. Затем в дело вступает гидравлическая система вагона, поднимающая над землей груз и присоединенные к нему с двух сторон консоли транспортера, образующие единую балку. Гидравлика некоторых моделей способна также немного смещать эту балку влево или вправо, что используется при обходе препятствий. Этот тип транспортеров всегда сопровождает приписанная к нему бригада, осуществляющая управление этой самой гидравлической системой, а на 500-тоннике даже имеются полноценные кабины управления, что, насколько мне известно, нигде больше среди грузовых вагонов не встречается.
Еще один момент стоит упомянуть: пальму первенства и вообще масть тут держит сумрачный тевтонский гений в лице Krupp. Да, советские 500-тонники (а также еще разные модели сочлененных и не только транспортеров, расползшиеся по всему миру, но о них – в следующий раз) были разработаны и произведены теми самыми товарищами, что в свое время снабжали Вермахт, а до него – и кайзеровский Рейхсхеер, одними из лучших, если не лучшими, в мире «шушпанцерами» и многим другим шустро ездящим и громко стреляющим. Гении, что тут еще сказать, за что ни возьмутся – все получается.
Еще одну модель советских сочлененных транспортеров (грузоподъемностью 300 тонн) разработали и построили не менее гениальные, но не столь эпичные, как Krupp, тевтонские товарищи – MAN. А вот 400-, 240- и 120-тонники (а также полулегендарный 700-тонник, который, якобы, полностью спроектировали, но так и не успели построить до развала СССР) – это уже чисто советские разработки. Не хочется никого принижать, но технически немецкие «поделки» намного более сложные и обладающие бОльшими возможностями.
А теперь более наглядно (фото не мои, не довелось с ними поработать).
Процесс помещения груза (трансформатора) в металлическую транспортную раму-«клетку». Две ржаво-красные штуковины слева и справа – две секции 28-осного транспортера грузоподъемностью 400 тонн. В нижней части транспортной рамы видны проушины, которыми она присоединяется к транспортеру и воспринимает растягивающие нагрузки, в верхней – упорные площадки, воспринимающие сжатие от консолей транспортера.
А на этих фото – тот самый 300-тонник производства MAN, о котором уже упоминалось (вон, можно надпись разглядеть под синей полосой). Груз – опять трансформаторы, но тут их конструкция изначально спроектирована для перевозки на таком транспортере – имеются и проушины, и усиленный пояс с упорными площадками, воспринимающий сжатие (в него упираются оранжевые гидравлические цилиндры; чем сильнее они выдвинуты – тем выше поднимается груз).На втором фото виден также вагончик, на котором катается бригада, рулящая процессом.
А вот «вид изнутри». Реально – изнутри секции 32-осного транспортера грузоподъемностью 500 тонн. Слева и справа видны проушины, которые будут соединены с подобными же проушинами (вон, под ними рабочие ковыряются) на грузе. А груз тут самый известный среди этих перевозок – корпус реактора для Белорусской АЭС, уже облаченный в транспортную раму с проушинами и упорными площадками. А чуть ближе к нам, на деревянных брусках лежит один из «пальцев», призванный эти проушины соединить между собой.
Так эта же секция 32-осника выглядит снаружи. Где-то на промежуточных балках (вон те серые, сразу над тележками) есть надписи «KRUPP» и «построен 01.07.1978», как видите, недавно был юбилей)))
Видны оранжевые цилиндры и магистрали гидравлического оборудования. У этой модели транспортеров (а также у 300-тонников MAN, показанных выше) есть система, способная смещать груз в поперечном направлении для обхода препятствий (более чем на полметра, если сильно захотеть). Там же расположена кабина управления и компрессоры гидравлики.
И вот так все это выглядит в сборе. Корпус реактора подвешен и зажат между двумя секциями транспортера. Едет пугать «мирным атомом» литовцев, латышей и еще пол-Европы. Ну, то есть, едет он, конечно, обеспечивать белорусов и соседей дешевой энергией. Но одно другому не мешает)))
А вот вам еще «винтажное» фото. Не знаю, если честно, где, кем и как сделано (хотя, название журнала на фото есть), но изображенное говорит примерно следующее: ФРГ, завод Крупп, испытания и обкатка тех самых 500-тонников, что на фото выше, конец 70-х.
Еще чуть-чуть истории. 16-осный транспортер грузоподъемностью 220 тонн. Груз, вроде бы, трансформатор, разобрать непросто. Зато хорошо видно консоли транспортера, собранные на заклепках. Вспоминается «Титаник»… В принципе, этих работяг постигла ничуть не лучшая участь, насколько мне известно, целых экземпляров не сохранилось.
А это – напоследок. Тот же 500-тонник, что и парой абзацев выше, но уже не в работе, а на какой-то выставке. Благословенное ОАО «РЖД» озаботилось изготовлением «грузоимитатора», резинового и надувного, изображающего парогенератор АЭС. Нет, оно конечно, похвально, внимание к деталям и тому подобное. Но ощущение остается странное)))
Ну, и самое последнее – вот вам видео под бодрую советскую музыку (под нее, вроде, погони шли, вот только не помню где...) от РЖД. Для полноты картины.
На этом, пожалуй, закончим сегодняшний пост. Хотя, рассказать тут еще есть о чем, но приберегу на следующий раз. Тем более, что лимит размера поста уже достигнут.
Ну и как обычно – вопросы, пожелания, требования, замечания, мольбы только приветствуются))
P.S.: Баянометр сделал стойку. Серьезно!?! 94%!?! У меня с тем постом одна общая фотка, лечите паранойю, молодой ИИ)))
Проектные перевозки, или "Нет, это не «Тополь-М»...". Часть 2.1 Железная дорога. Основы.
Продолжу повествование о своем скромном видении сферы проектных перевозок.
Для тех, кто не в курсе, напомню: это всевозможные перевозки, которые нельзя осуществить, просто погрузив груз в машинку и отправив ее к получателю, где она будет благополучно разгружена. Короче, грузы большие и очень большие, тяжелые и сверхтяжелые, просто неудобные и/или требующие применения особых мер, способов и условий перевозки.
Почему начинаю ЖД перевозок? Потому, что эта часть мне наиболее известна, да и проект сейчас как раз в процессе – пишу по горячим следам и свежей памяти. Будьте готовы – краткого изложения тут, при всем желании, не получится, и сейчас я даже не предскажу, сколько постов это займет.
Собственно, «горячие следы» - свежепогруженный «Конвертер аммиака» массой 230 тонн на специальном вагоне (транспортере) грузоподъемностью 240 тонн.
ДокУмент покажь!
Как и практически каждая область в чертогах нашего благословенного ОАО «РЖД», эта сфера четко регламентирована десятками инструкций, писем и предписаний (что ни разу не гарантирует отсутствие бардака и косяков – человеческий фактор-с…).
Столпом среди них высится «ДЧ-1835. Инструкция по перевозке негабаритных и тяжеловесных грузов…» полное название занимает 17 строчек, так что приводить его здесь не буду))
Инструкция эта была фактически создана ныне покойным Леонидом Михайловичем Мошеком (тоже, по своему, легенда РЖД, неплохой мужик был, многому у него научился, хоть и не без закидонов), и регламентирует перевозки негабаритных и тяжеловесных грузов на территории всего бывшего СССР (и вообще стран, использующих колею 1520 мм).
Дополнением к ней идет Приложение №3 к СМГС (Соглашение о международном грузовом сообщении) с кучей дополнительных предписаний и указаний, где описываются и регламентируются способы размещения и крепления грузов на вагонах и методика их расчетов.
Об чем речь?
Что называется негабаритным грузом на ЖД?
Тут имеется несколько нюансов:
- существует довольно сложная система степеней негабаритности ЖД вагона, которая, в зависимости от удаления конкретной точки груза или вагона от продольной оси пути и высоты ее расположения от уровня верхней поверхности рельса, присваивает этой точке определенную степень негабаритности (даже не задумывался раньше, что формулировка этого определения человеческим языком, без всяких «…в плоскости, параллельной плоскости…» – довольно сложная задача))). Наглядно это выглядит несколько проще и понятнее (представьте, что взгляд направлен вдоль ЖД пути, а вы стоите на шпалах. Что? Нет, поезд еще далеко, вам кажется… *зловещий смех*):
На схеме видны зоны негабаритности: нижняя, боковая, совместная верхняя и боковая, верхняя и вертикальная (тут не указана, но все, что выше 5300 мм - её) и в каждой из них имеются несколько степеней (фиолетовый – 1-я, желтый – 2-я, зеленый – 3-я и т.д., как видите, в боковой зоне – их 6, в нижней – частично 3, частично 6, в верхней - 3). Все, что выходит за пределы очертаний этих степеней зовется сверхнегабаритом, включая «сверхсверхнегабариты» выходящие за пределы Габарита С – эти штуки при движении уже должны сносить светофоры, пассажирские платформы и прочие сооружения. Поэтому возить их по ЖД - страшный геморрой))
Совокупность всех максимально выступающих (обычно их называют «критическими») точек груза, поставленного на вагон, создает т.н. индекс негабаритности вагона. На первом фото можно видеть накарябанные моей лапкой на боку груза ярко-красные «Н0630» - это он и есть. «Н» означает «Негабаритность», первая цифра «0» - в нижней зоне негабаритности нет, вторая «6» - 6-я степень боковой негабаритности, третья «3» - 3-я степень в верхней зоне, четвертая «0» - вертикальной негабаритности также нет.
А вот так это выглядит на чертеже из проекта погрузки. Видите выноски, указывающие на точки Г, Д, Е? Вот это и есть критические точки данного груза, находящиеся в 6-й боковой и 3-й верхней зонах негабаритности. А две красные штрихпунктирные линии – это те самые границы, после которых груз становится сверхнегабариттом и «сверхсверхнегабаритом». Как видите, счет там шел на единицы миллиметров (что-то около 7-8 мм в качестве запаса было). Если помните, из первого поста – груз уменьшить, насколько это вообще возможно, демонтировать лишнее и крутнуть вокруг своей оси? Это как раз про такие случаи.
Зачем это все? Зачем такая точность? Ответ, думаю, всем прост и понятен – бабло, конечно же. Чем выше индекс негабаритности – тем значительней тариф на перевозку. Причем рост его скачкообразный, и на высоких степенях изменяется в разы. Как раз, как в этом случае: разница между 6-й степенью и сверхнегабаритом - примерно в 2 раза.
Дополнением к обычной негабаритности, которую получаем простым наложением очертания груза, как на картинке выше, идет расчетная негабаритность (да, я сейчас лезу в дебри, но вскользь все же упомяну). За этим кроется поведение груза при движении по кривым участкам пути, ведь, как бы того иногда не хотелось, груз не будет изгибаться вместе в ЖД путями (вот тут я вас немного обманываю, есть такая методика, но применима она буквально для пары конкретных видов грузов). Короче, в кривом участке пути груз становится по хорде (напрягли извилины и выудили из закромов остатки школьного курса геометрии!) и критические точки удаляются от продольной оси пути. Та-дам!!! Индекс негабаритности вырос, тариф подскочил, РЖД радуется (экономисты) и плачет (эксплуатационники), отправитель груза тоже плачет, т.к. все расходы на нем. Само собой, это все учитывается на стадии проектирования, но, для драматизьма и понимания, опишу так.
Завершу сказ про негабаритность на ЖД самым большим и страшным
- если есть 6-я степень (неважно, нижняя или боковая) или любой сверхнегабарит – вагон с грузом нужно сопровождать вагоном с контрольной рамой. Выглядит это примерно так (возьму чужую фотку, для наглядности, у меня таких красивых нет:)):
Вот эти красные пластинки, на краях деревянной конструкции (как их зовут романтичные железнодорожники – «лепестки») обозначают самые выступающие критические точки груза. Ставится вагон с контрольной рамой сразу за локомотивом вместе с пустой платформой, которая обеспечивает лучший обзор. А в задней кабине локомотива сидит и бдит железнодорожный человек. И если «лепесток» или рама бьётся о препятствие – рвет стоп-кран. В этом случае собирается комиссия, и народ усиленно чешет репу с вопросом: «Где ж это мы так про*бали?». Хотя вру, главный вопрос при этом: «Кого назначат крайним?». Жопы с начальственных кресел при этом летят – залюбуешься…
- если любая критическая точка выходит за пределы Габарита С – вот тут и начинается самая жесть. Прежде всего, по маршруту прогоняется вагон-габаритообследовательская лаборатория (тут обычно задействуют ВНИИЖТ, великий и ужасный НИИ ЖД транспорта, это тема вообще отдельного разговора), по результатам чего составляется большой список вида «этот светофор убрать, здесь вокзал снести, а этого столба тут вообще быть не должно…». В итоге, перевозка выглядит таким образом: впереди двигается бригада путейцев, демонтирующая все по списку, за ней – вагон с грузом. А следом за всем этим шапито – еще одна бригада, восстанавливающая все в исходное состояние. Короче, как и писал выше – геморрой страшный, парализует работу ЖД на довольно больших участках, стоит десятки миллионов рупий. Это не твой бро… (хотя, попробовать всегда хотелось, но это чисто профессиональное любопытство).
Теперь про тяжеловесный груз.
Тут все несколько проще, чем у негабаритности, можно уместиться в одну строчку. Формально, на РЖД тяжеловесным грузом считается любой, масса которого превышает 60 тонн. Хорошо, в две строчки.
Далее все завязано на грузоподъемности конкретного вагона: начиная с обычных 4-осных универсальных платформ и полувагонов (грузоподъемностью до 72 тонн), коих легион, заканчивая 32-осными транспортерами (грузоподъемностью 500 тонн), которых осталось в строю всего 2 и работают они только по большим праздникам (типа строительства очередной АЭС).
В среднем, масса подавляющего большинства тяжеловесных грузов, перевозимых по ЖД, находится в пределах 240 тонн, т.к. процесс разработки и согласования проектов, а также сам процесс погрузки, крепления и перевозки грузов большей массы качественно отличается (тут и привлечение к работе того самого ВНИИЖТ, и отправка только в составе специального поезда отдельно от других грузов, а не общим порядком, и прочая, и прочая). Что выливается, само собой, в заоблачное бабло.
Да, особо следует отметить, что масса груза должна учитывать крепеж, которого, поверьте, бывает очень много: от 300-500 кг для небольших грузов на платформах, до 40-50 тонн металлоконструкций на тех самых 32-осных монстрах. В моей практике, масса крепежа достигала 9,9 тонн при креплении груза массой 227 тонн. До сих пор от того проекта нервный тик бьет, как-нибудь позже о нем расскажу.
Также, при подборе вагона учитываются некоторые моменты, типа схемы передачи и распределения нагрузок от груза на раму вагона, положения центра тяжести груза и вагона, возможность крепления и прочие, не столь значимые.
В российской практике это, пожалуй, самый тяжелый груз, перевезенный по ЖД – статоры генераторов АЭС на 32-осном транспортере грузоподъемностью 500 тонн. Масса груза с учетом довольно тяжелой транспортной оснастки указана равной 500 т, в реальности, насколько я знаю, немного меньше, но 470-480 тут точно есть. И да, это, ко всему прочему, сверхнегабарит.
Тут еще момент: эти статоры, а также корпуса реакторов ВВЭР и парогенераторы ПГМ для тех же АЭС (возятся таким же образом, масса поменьше, но ненамного) в последние несколько лет производятся ударными темпами и спрос на них немалый. Таким образом, подобные перевозки стали не то что бы обыденностью, но относительно частым явлением. Да, выше я писал, про страшный геморрой с этими грузами, но, когда речь идет об атомной промышленности, бюджеты позволяют размахнуться, да и затраты на подготовку оправданы, т. к. это совсем не разовая перевозка (один энергоблок АЭС ВВЭР-1100 или 1200 – это корпус реактора, четыре парогенератора, турбина, статор и еще куча всего). Да, фото чужое, мне в этих перевозка принять участие не довелось.
Что называется длинномерным грузом на ЖД?
Еще один параметр, который налагает особые требования к ЖД перевозке.
Тут «нюансы» начинаются с длин от 14,2 м. Такая некруглая цифра обусловлена тем, что длина грузовой площадки универсальной 4-осной платформы (самого рядового вагона) - 13,4 м, а руководства требуют, чтобы груз выступал за ее пределы в продольном направлении не более, чем на 0,4 м. Если выступает на большее расстояние – с этой стороны ставится дополнительная платформа, называемая «платформой прикрытия».
Вот, как это выглядит на чертежах:
А вот так – вживую (опять чужое, неожиданно беден я на красивые фотографии оказался… все больше практичные, для сохранения опыта))):
На переднем плане слева находится платформа прикрытия, груз нависает над ней. Большими красными буквами на боках платформ написано: «Сцеп не разъединять», но разве ж у нас кто предостерегающие надписи читает?))) Да, случаи были. Потом, в процессе формирования новых составов, груз оказывался автоматически «погружен» сразу на два вагона. Методом тарана. Затем по отработанному сценарию: комиссии чешут репы, назначают крайнего, головы летят, начинается новый цикл (как там было в «Симпсонах»? «ХРЯСЬ!!!» - «Дней без инцидентов - 0»)
Если возникает необходимость перевозки более длинных грузов, платформы прикрытия могут быть и с двух сторон. А можно и другие типы вагонов использовать, например транспортеры площадочного или сцепного типа (о них подробно расскажу чуть ниже). В общем, если сильно постараться, задействовать максимальную по длине комбинацию вагонов, то можно вкорячить на ЖД груз длиной до 60 метров. В моей практике были грузы длиной до 34 метров (был разработан проект на 50-метровый груз, но он так и не поехал). Вот один из них
Очередная колонна на Мозырьский НПЗ, в братскую республику. Погружена на такой же 16-осный транспортер, что и груз на первом фото. Масса самой «колбасы» – около 230 тонн, длина – 33,7 м. На чертеже чуть выше, с платформой прикрытия - как раз она. Видите: красная "юбка" груза немного выходит за пределы вагона - вот под нее прикрытие и ставится.
Здесь, я думаю, можно завершить рассказ о том, что такое «негабаритный тяжеловесный груз» применительно к ЖД транспорту. Да, много нюансов осталось без внимания, но не хочется перегружать и без того тяжелое повествование. Это, все же, развлекательный ресурс:)
В теме ЖД перевозок негабаритов планирую еще минимум 2 поста с «кейсами» - как и на чем это возится у нас, и как обстоят дела за рубежом. Сразу скажу, по второму вопросу инфы у меня немного, но интересности есть, да и материал будет полегче к восприятию.
Вопросы/предложения/замечания приветствуются:)
P.S.: баянометр выдал сношающихся кошаков... Стыдно стало за свой пост:))))
Проектные перевозки, или "Нет, это не Тополь-М...". Часть 1. Введение.
Давным-давно, 2 города и хренову тьму проектов назад, мое предыдущее альтер-эго, мир праху его, решило повыпендриваться в комментариях и выставить себя крутым специалистом в области проектных перевозок
Проект благополучно завершился, за ним еще один, и еще... А вот руки до поста так и не дошли. А следом и аккаунт с почтой, куда он был привязан, были благополучно про.. утрачены. Потом и город обитания сменился, в общем не до того было. А люди ведь ждут (*sarcasm* ага, аж кушать не могут без моих нетленок...)
Ну что ж, хоть совесть и атрофировалась за ненадобностью, но, как говорят у нас, в высшем обществе: "За базар ответить надо!"
Постараюсь по мере своих сил и знаний рассказать о проектных перевозках как таковых, с теорией, примерами, фото, может быть и видео. Материалы, в большинстве, будут использоваться свои собственные (мои или моих коллег), но, к сожалению, не все технологии перевозок довелось увидеть и запечатлеть вживую, так что небольшая часть фото из сети также будет присутствовать (о чем будут соответствующие отметки).
Информацию о своей компании буду удалять, дабы не сочли за рекламу, хотя, по фото можно вычислить без особых сложностей.
К вопросам о компетенции: 6 лет работаю в этой отрасли как технический специалист. Компания занимает далеко не последнее место в стране в области именно проектных перевозок.
О чем вообще речь?
Здесь уже не раз рассказывали о негабаритных перевозках на автотранспорте, про прицепы, тягачи, получение разрешений и прочее, приводились заветные максимальные допустимые размеры и массы автопоездов и т.д. и т.п.
Так вот, проектные перевозки - следующий этап развития перевозок крупногабаритных и тяжеловесных грузов, где их массы и размеры, как правило, значительно больше, либо условия и маршрут перевозки требуют использования особых способов или технологий выполнения.
Короче, если для перевозки груза необходимо найти специальный маршрут, демонтировать препятствия, задействовать спецтехнику, конвой сопровождения, несколько видов транспорта (авто, ж.-д., водный, воздушный), и, самое главное, разработать специализированную техническую документацию для выполнения каждого этапа перевозки и пройти процесс ее согласования и утверждения с различными надзорными органами - то это и будет назваться проектной перевозкой.
Груз массой 316 тонн и диаметром 9 м прибыл на Мозырьский НПЗ, РБ. Родом из Италии.
Для чего это вот все?
99% перевозимых грузов составляет разнообразное промышленное оборудование.
Примерный список того, с чем довелось поработать:
- химия и нефтехимия (колонны, резервуары, сепараторы... тьма их);
- металлургия и производство металлопроката (части прокатных станов и ковши для расплавленного металла);
- энергетика всех видов и направлений (тепло-, гидро-, атом-, ветро- и десятки трансформаторов);
- нефтедобывающая, горная и шахтная техника (от бульдозера до частей морских буровых платформ);
И прочая, и прочая... Общее у всех этих грузов одно - их нельзя просто погрузить в машину и отвезти к получателю по кратчайшему маршруту.
Вообще, следует упомянуть об одной тенденции: производители и пользователи всего этого добра стремятся к увеличению размеров отдельных агрегатов и даже перевозке целых заводов в виде уже собранных огромных модулей. Фактически, возможность перевозки - основное, что их в этом ограничивает. Задача проектных перевозок как раз и состоит в расширении этих границ.
Откуда и куда?
Два основных вопроса, которые и определяют возможность перевозки. Возможности современной техники давно переплюнули пропускную способность любых дорог, так что, при наличии подготовленной поверхности и отсутствии препятствий можно перемещать грузы практически любой массы и размеров. Отдельные модули буровых платформ или нефтехимических заводов, например, могут весить более 10 тысяч тонн и иметь размеры 40-50 метров во всех направлениях.
Вот, для примера, относительно небольшой модуль газоперерабатывающего завода массой около 1500 тонн и высотой 30 с лишним метров стоящий на SPMT (Self-propelled modular transporter/trailer - самоходный модульный транспортер, но о них - позже) (фото Mammoet-Rus).
Само собой разумеется, по рядовым дорогам общего пользования такие штуки не возят. Но вот такие - вполне себе
Один из рекордных для меня грузов - колонное оборудование для завода по производству аммиака массой 670 тонн, длиной 59 м, высотой 9 м. Жители небольшого городка на границе с Эстонией надолго запомнили серию из 3 подобных грузов, провезенную через их главную площадь))) Кстати, "Нет, это не Тополь-М..." из заголовка - это как раз про эти перевозки
Но вернемся к теме. Планирование маршрута - основа всей перевозки.
Так уж сложилось, что производителя и получателя зачастую разделяют тысячи километров (например, фото выше сделано в Малайзии, получатель груза - в Ленобласти). Причин для этого множество от чисто технических возможностей производства, до политических. Но экономика, само собой, тут решает все.
В любом случае, на этапах планирования здравый смысл диктует нам главное правило перевозки сверхтяжелых грузов: "Вода - твой друг". От гигантского глубоководного порта Бусан, до полупересохших верховьев Оки - будет использована любая возможность дотянуть тяжеловес по воде как можно ближе к получателю. Полноценно об этом расскажу как-нибудь позже, но основная причина очевидна: для среднеразмерной баржи груз массой 500-600 тонн длиной 50-60 метров - абсолютно рядовое явление, а для наземной перевозки даже на расстояния 100-150 км - крайне сложная и дорогая затея, зачастую вообще невыполнимая.
Тот же груз массой 316 тонн, что изображен выше, и второй, поменьше, "всего лишь" 61 тонну. Пересекают просторы самостийной и незалежной на баржах.
Но на просторах как нашей необъятной, так и зарубежья хватает производств расположенных в жутких ..бенях, вдали от судоходных рек и нормальных дорог, не говоря уже о морских портах. Тут приходится искать более изощренные способы.
Например, ситуация, когда, в процессе плотной работы с производителем груза, приходится делать кульбиты типа: "А сделайте пожалуйста вот эту часть груза на 300 мм меньше, а вот эту - вообще уберите. А в порту мы крутанем груз на 142 градуса вокруг продольной оси и заменим ложементы на другие - вот тогда и поедем, иначе просто не пролезет по маршруту" - не очень частая, но удивления и отторжения ни у кого не вызывает.
Да, в процессе таких обсуждений очень часто в голову лезут две настойчивые мысли: "5000-тонный пресс" и "переплавка"...
Вот для примера, относительно простая операция - кантование на 90 градусов хреновины массой 211 тонн
Груз был перевернут набок, часть опорной рамы была демонтирована. Все потому, что груз имеет размеры 14,0х8,5х11,0 м. И если с высотой 8,5 м еще можно проползти, то 11 м - без вариантов.
Другим способом "создать возможность" перевозки является работа с инфраструктурой. И под словом "работа" зачастую можно понимать "создание с нуля". В отдельных случаях проводятся масштабные строительные работы.
Сооружение причалов и переездов через ж.-д. пути, укрепление и строительство мостов и дорог, демонтаж разнообразных трубопроводов и бессчетное количество опор ЛЭП, светофоров и дорожных знаков полегших (конечно же, временно) во время перевозок, даже небо, даже "Платон"... (да, ненавистную дальнобойщикам систему взимания платы однажды тоже сковырнули с насиженного места) - это краткий список того, с чем приходилось сталкиваться в работе.
На этом, пожалуй, вводную часть закончу.
Пост первый, тапки, табуретки и прочее бла-бла-бла, ну, вы знаете, как обычно.
Замечания ("давненько не брал в руки шашек", уже забыл, как это вообще - писать что-то кроме деловой переписки) и пожелания приветствуются, по мере сил буду учитываться, но хочется планомерно все изложить, так что скачек с темы на тему постараюсь избегать.
С уважением,
Кто резину заказывал?
Про перевозки негабаритных грузов
Навеело темой. https://pikabu.ru/story/pro_perevozki_negabaritnyikh_gruzov_...
Работаю в светофорной компании, в Израиле.
Часто приходится работать на обслуживании перевозок негабаритов. Поднятие нависных кабелей, развод мачт светофоров.....
И вот, несколько фот. с одной работы. Днем они стояли на "островке безопасности", а ночью передвигались. Мы приехали, ближе к вечеру.
Про перевозки негабаритных грузов
Решился написать немного про свою профессиональную деятельность. Если будет кому-то интересно или полезно, буду рад. :)
Что же за зверь такой - "негабаритный груз"?
Негабаритом считаются грузы, которые превышают по своим габаритам в составе автопоезда следующие размеры (хотя бы один из них):
Длина - 20 метров (тягач+прицеп с грузом), Ширина - 2,55 метра, Высота - 4 метра.
Чаще всего, негабарит - это промышленные грузы и специальная техника. Начиная от станков и бочек, заканчивая самолетами, танками и специальными контейнерами. Сюда же попадают бытовки с "немного нестандартной шириной 3 метра" (ребята, если кто-то предлагает вам купить такую бытовку, подумайте несколько раз - она стоит дешевле стандартной, но вот доставка выходит раза в три дороже).
Чем отличается доставка такого груза от стандартной перевозки? Необходимо получить разрешение на перевозку негабаритного груза. Звучит просто, а на деле это (в России) - от 5 до 15 рабочих дней без гарантии, что разрешение таки дадут. :)
Кроме того, негабарит - это повышенная опасность на дороге и очень-очень печальные последствия при пренебрежении безопасностью дорожного движения. ДТП бывают просто страшные.
Совет №1. Если вы едете и видите желтые проблесковые маяки, будьте внимательнее. Особенно это важно, когда где-то на трассе вам встречается машинка (чаще всего легковушка), которая неспешно ползет по встречке с такими маяками. Вероятнее всего, за ней проедет что-то широкое, тяжелое и страшное.
Такие машинки называются "Пилот" и используются для прикрытия автопоездов с негабаритом спереди/сзади. По закону при ширине груза свыше 3,5 метров положена такая машина сопровождения. При ширине свыше 4 метров нужны 2-3 машины. Самые прикольные "негабариты" сопровождают экипажи ГИБДД.
Отдельная песня - проработка маршрута следования такого груза. Если с шириной проблемы возникают не так часто, то с высотой - только в путь. Например, на первой фотографии поста бочки из красного дерева для кожевенной промышленности. Цена одной бочки ~ 5 000 000 рублей. До нас одну такую бочку пытался вывезти "конкурент" на манипуляторе. Высота его борта была 1,4 метра. Высота бочки - 3,8 метра. Высота бочки на манипуляторе - 5,2 метра. Когда конкурент на скорости пролетел под мостом... в общем, побитую бочку он сгрузил и слинял в закат. :)
При перевозке высоких грузов всегда проводится промер маршрута, а при самой перевозке впереди тягача едет машина сопровождения с "палкой", которая на несколько сантиметров выше высоты автопоезда с грузом (чаще всего называют "удочкой").
Совет №2. Для тех, кому надо перевезти негабарит. Точнее, несколько советов.
1. Подумайте, можно ли сделать из этого груза габарит (самый глупый пример - бытовка, у которой открыта форточка);
2. Чем раньше займетесь подготовкой, тем дешевле получится. Помните, что разрешение делается +- 10 дней;
3. Не останавливайтесь на одном перевозчике, но и не стоит запрашивать больше 3-5, если сроки сжатые или масса груза зашкаливает. Есть способы ускорить такую перевозку и есть способы изгадить работу коллегам. Поэтому не стоит пускать груз по рынку, чтобы не переплатить в итоге, вот такой парадокс;
4. Торгуйтесь. Условия оплаты, скорость заключения договора, адекватность ваших сотрудников - все это оценивают контрагенты;
5. Несмотря на пункт 4, не просите сэкономить на безопасности. Дороже выйдет.
6. "Лучшая цена" - не так актуальна в негабарите. Не всегда с лучшей ценой довезут груз. При миллионных штрафах не так страшно переплатить 20-30-50 тысяч за своевременную доставку без проблем.
Дальше буду писать про некоторые интересные перевозки, пока баллы мои не упадут в минус. :)
Следующий пост будет про перевозку кабины самолета, в которой снимали сцены фильма "Экипаж".
P.s. фото мои, теги тоже, контент авторский. )













































