Замена э/м реле на симисторный ключ в выключателе Livolo
Решил я в квартиру накупить сенсорных выключателей. Вообще началось все с соседа, который жаловался, что они слышат, как мы пользуемся выключателем в спальне (дом - панелька). Ха ха. Я этому значения особо не придал, но червячок зашевелился. Хотелось, как в Stargate Atlantis, включать свет махом руки у выключателя.
Наткнулся на эти выключатели у российских магазинов, где они достаточно дороги. На Али они же оказались несколько дешевле. Вот только неоднозначно было, то ли они на реле, то ли на ключах. В обзорах встречаются и те и те, причем выключатели с ключами помаргивают лампочками, судя по отзывам. Может в силу схемотехники, или использования простых дешевых компонентов.
Заказал один на пробу. Пробу он прошел на ура, но подло щелкал релюшкой как дешевый кнопочный выключатель.
Поэтому решил заменить реле на ключ. Задача осложнялась двумя неудобствами: оптопара работает по управлению на 5в, а выключатель на 12, и, как выяснилось в последствии, реле импульсное (первый раз с такими столкнулся).
Пришлось думать, откуда взять постоянный сигнал на управление и куда впихнуть делитель, чтобы делать из 12в 5.
Сам ключ получился по габаритам недалеким от родного реле
В данном случае собрать на плату не получалось и в угоду компактности пришлось лепить навесным монтажом. Да и то на двойной выключатель такая конструкция не встанет, надо искать двойную оптопару, для уменьшения занимаемой площади.
После попыток реверс-инженеринга выключателя, я нашел только одну точку с постоянным и подходящим управляющим напряжением - питание светодиодов индикации. Да и при напряжении 3в не нужен громоздкий делитель.
Потребление у оптопары очень маленькое, питания индикатора должно хватить. Бонусом - выбор цвета индикации вкл/выкл заменой точки подключения ключа.
За монтаж просьба сильно ногами не пинать - отладочный образец. На остальных придумаю, как более компактно и аккуратно все скомпоновать и подключить.
Точка снятия управляющего сигнала. (+3в)
Точка снятия управляющего сигнала (-3в). Вторая нога разъема справа, в нижнем ряду по фото.
Общий вид того, что получилось.
Проводок, опоясывающий сенсор добавлен для увеличения активной площади сенсора, чтобы не надо было пальцем тыкать в центр, а достаточно было махнуть рукой около выключателя.
Как результат - выключатель работает бесшумно. Лампочки (LED и энергосберегайки) не моргают и не светят в полнакала. Ключ и схемы выключателя не греются.
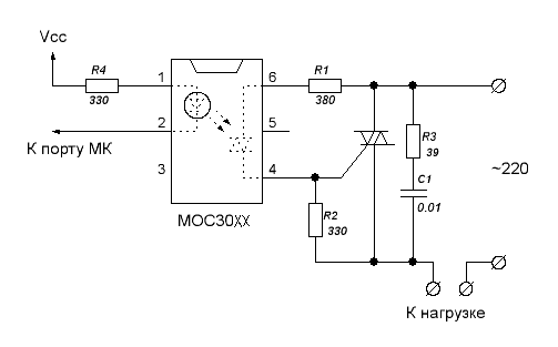
Состав ключа:
оптопара MOC3023 и симистор Q8025L6 (все снято с плат от дохлых ИБП)
Схема стандартная из датащита на МОС:



























