Восстановление шлейфа подложки клавиатуры на телефоне Nokia X3-02
Аппарат мне передали со словами: "Полный труп". На кнопку включения реакции не было. Поставил телефон на зарядку, наблюдал следующую картину.
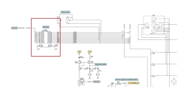
Что то тут явно не сходится. Открываем схему. Ход диагностики/ремонта при данной неисправности следующий:
1. Проверяем шлейф клавиатуры/коннекторы.
2. Меняем EMI фильтр.
3. Реболим КП'шку.
В моём случаи, дальше первого пункта двигаться не пришлось, аппарат стартанул после замыкания на землю 25 контакта, на разъёме клавиатуры.
Добавляем в аппарат самую важную делать, без которой он работать не будет - перемычку. )))
Собираем. )))
P.S. Интересна ли читателям тема перемычек или не стоит писать такие посты? )))
Моя группа в вк: https://vk.com/igor_repair














