Ответ Astean86 в «Вот настолько обнаглели»12
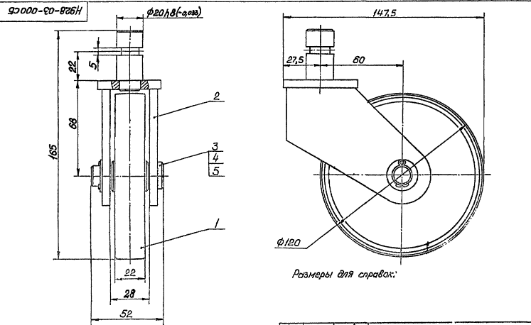
По теме "не по теме": первый курс первый семестр радиотехнического института, предмет "начертательная геометрия и инженерная графика". Задание (курсовым назвать сложно, по факту большое задание для допуска к зачету) три проекции и изометрия с разрезом "Деталей используемых в радиотехнической промышленности" и что-то еще, но не помню уже (листов на 5 работа) ну и карточки раздали с этими самыми деталями. Мне досталась "Колесо поворотное тележки для перевозки радиодеталей" . Что-то вроде такого


Студенческое общество
1.3K пост3.7K подписчиков