Блок питания для Р-311 ( сплошной плагиат )
Знакомые музейщики попросили сделать.
Сложность Р-311 - прямонакальные низковольтные лампы.
То есть, как минимум накал надо стабилизировать "насмерть". Лампы по накалу потребляют полампера, лампочка освещения шкалы - ещё столько же.
Мое предложение заменить лампочку на светодиод было с негодованием отвергнуто, ибо - теряется аутентичность.
Вздохнул, стал искать.
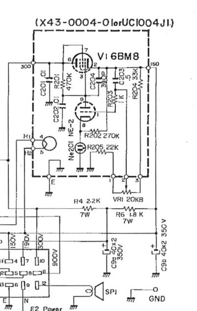
Стабилизатор накала сделал по схеме знакомого гения:
Самая мякотка этой схемы в том, что две интегрирующие цепочки R1-C2 и R2-C3 смещают фазу пульсаций, получившихся после диодного моста до противофазы.
Дальше этим пульсирующим напряжением управляется стабилизатор. Так как в управляющем напряжении пульсации в противофазе к стабилизируемому, пульсации эффективно гасятся.
Использую эту схему около двух лет - работает безупречно.
Низковольтных стабилитронов под рукой не оказалось, заменил диодиками в прямом включении.
VD2 - два диодика, VD1-три диодика, один из которых повесил на радиатор транзистора VT3.
Типа - термостабилизция. Но, кстати - прокатило.
В качестве стабилизатора анодного применил т.н. "электронный дроссель" c ютубчика.
Делитель R2-R3 пришлось подбирать, конечно. R5 посчитал на ток 1 миллиампер. С2 набрал "плёнками" микрофарад на 10 что ли.
MOSFET поставил... даже не помню какой.
Копался в коробочке, проверял по даташитам. Как нашёл чтоб сток-исток = многовольт, а исток-затвор = хотя бы вольт 10 - его и поставил. Какой-то полностью пластиковый, хоть и TO220 из разобранного горелого компьютерного блока питания. В корпусе от этого блока всё и собрал.
( Кстати, вы разбираете дохлые блоки питания ? Нет ? А зря ! С дохлого компьютерного БП можно снять кучу разных диодов, почти всегда живые MOSFET-ы и до 200 грамм припоя ! )
До кучи впихнул УНЧ на к157уд1. Валялась одна штука, не знал куда деть. Вот и пригодилась.
Для него сделал стабилизатор "по классике" : ёмкость - КРЕНка - ёмкость.
Динамик вставил на место вентилятора - встал, как родной.
Трансформатор заказал в "Мирсо" - намотали за день за полтора косаря - они сейчас почему то сидят без заказов.
Если кому понадобятся платы в lay6 - отпишитесь - скину.





















Лига Радиолюбителей
1.4K постов9.9K подписчиков
Правила сообщества
Соблюдайте правила Пикабу. Посты выкладывать лишь касаемо нашей тематики. Приветствуется грамотное изложение. Старайтесь не использовать мат.
Постарайтесь не быть снобами в отношении новичков. Все мы когда-то ничего не знали и ничего не умели.
За попытку приплести политику или религию - предупреждение. 2 предупреждения - бан.