Мультифизическое моделирование технологических схем. Наш опыт
Математическая модель технологической схемы – система математических соотношений, описывающих с требуемой точностью имитируемый объект или процесс (реакцию системы на действия пользователя или инструктора).
Высокая адекватность и универсальность модели тренажера определяет соответствие поведения реальной системы и поведения модели в штатном и аварийном режимах.
Под адекватностью понимается способность модели отражать заданные свойства объекта с приемлемой точностью. Универсальность модели определяется количеством параметров, учитываемых в процессе имитации. Наша компания имеет собственную запатентованную технологию синтеза высокоточных математических моделей, работающих в режиме реального времени.
Мы используем математические модели для моделирования системы в тренажерах для подготовки персонала. Для тренажеров особенное значение имеет идентичность моделируемой среды. Идентичная реальной система – это система, обеспечивающая генерацию модели реальной в соответствии с математической моделью этой реальной системы при помощи программных или аппаратных средств. Идентичность имитируемой системы … это идентичность подачи на основные каналы восприятия пользователя программно- или аппаратно- управляемых воздействий и реалистичной реакции моделируемой среды на производимые пользователями действия.
Итак, что мы сделали....
Разработана технология автоматического синтеза математической модели объекта. Технология повышает качество и технико-экономический уровень создаваемых математических моделей. Поддержка однофазных и многофазных режимов течения жидкости и газа. Точный контроль фазовых состояний веществ во всех элементах модели технологической схемы.
Были созданы следующие модули следующие модули – техническое обеспечение, математическое обеспечение, программное обеспечение, информационное обеспечение, лингвистическое обеспечение, методическое обеспечение, организационное обеспечение, интеграция с другими системами:
математическое обеспечение — совокупность математических методов, моделей и алгоритмов для выполнения проектирования ЦОР (цифровые образовательные ресурсы);
Моделирование и симуляция АСУиТП;
Мультифизическое моделирование технологических схем;
Моделирование и симуляция физических процессов по направлениям
Гидродинамика и теплопередача (модифицированная сетчатая модель Больцмана)
Электродинамика и оптика
Механика (Классическая, Релятивистская, Механика сплошных сред (Гидродинамика, Пневматика, Гидростатика)
Химия
Механика твёрдого тела
Термодинамика жидкостей и газов. Доступные термодинамические модели: Идеального газа; Пенга-Робинсона; Пенга-Робинсона (с модификацией Тву); Соаве-Редлиха-Квонга; Соаве-Редлиха-Квонга (с модификацией Граборски-Дауберта). Для смесей жидкостей доступны следующие термодинамические модели: Чао-Сидера (с модификацией Грейсона-Стрида); Уилсона; NRTL; UNIFAC VLE; UNIQUAC; Регулярного раствора; Расширенная модель регулярного раствора; Идеального раствора.
программное обеспечение — компьютерные программы, реализующие проектирование и предоставление ЦОР;
встраиваемый мультипарадигменный язык LUA, интеграция / имплементация
стандартов и спецификаций OPC, IEEE1516, XAPI
интеграция с OpenModelica
информационное обеспечение — базы данных, содержащие информацию, необходимую для проектирования ЦОР;
База данных фазовых состояний веществ
База данных плотности, теплоемкости, молекулярной массы веществ и т.д.
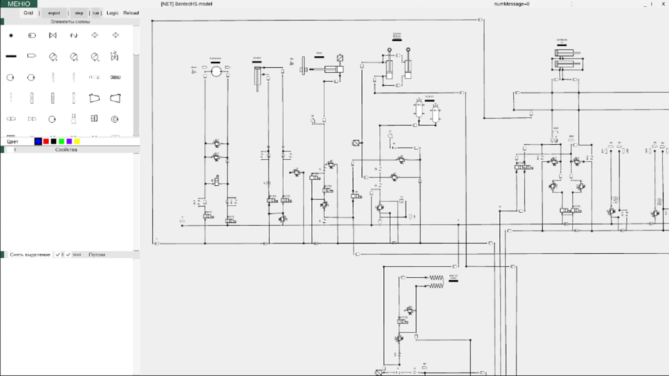
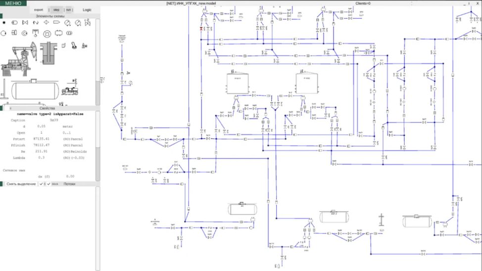
Создан графический редактор, позволяющий создавать точную модуль технологической схемы объекта.
2. Создан модуль экспорта из технологической схемы в математическую модель с последующим выполнением пошаговых или непрерывных расчетов
Полностью автоматический расчет всех вариантов потоков жидкости и газа.
Разработаны универсальные математические модели оборудования, в т.ч.
Запорнорегулирующая арматура, гидро-пневмо- трубопровод
Пласты-Скважины
Печи
Обратные клапаны
Динамические насосы и компрессоры
Объемные насосы и компрессоры
Теплообменники
Подогреватели
СППК
Измерительные приборы (манометры, термометры, расходомеры)
3. Создан и тестируется экспериментальный модуль на основе модифицированного метода решетчатых уравнений Больцмана (LBM)
4. Создан и используется последовательная схема расчетов- на базе решения линейных уравнений для нахождения начальных условий с последующим решением с использованием прямых численных итерационных методов на основе найденного приближенного решения и величины шага.
5. Создана точная модель > 10 полномасштабных установок для различных заказчиков (УПППНГ, УПН, УПХГК и т.д.) с точным соответствием данных по хайсису и юнисиму (отклонения не более 5-7%)
Создано значительное количество математических моделей:
Колонны
Ребойлеры
Турбодетандеры
Двухфазные и трехфазные сепараторы и т.д.
Создана расширяемая библиотека для предоставления компонентного состава. Высокая точность предоставления компонентного состава нефти и попутного газа:
Фракционный состав нефти от C1 до С40+
Метан CH4
Этан C2H6
Пропан C3H8
И-Бутан iC4H10
Бутан C4H10
И-Пентаны iC5H12
Пентан C5H12
И-Гексаны
Гексан C6H14
И-Гептаны
Бензол C6H6
Гептан C7H16
И-Октаны iC8H18
Толуол C7H8
Октан C8H18
И-Нонаны iC9H20
Нонан C9H20
И-Деканы iC10H22
Декан C10H22
Углекислый газ CO2
Азот N2
Сероводород H2S
Разработаны средства высокоточной имитации автоматики (АСУ ТП нижний и верхний уровень)
Имитация управляющих устройств
Имитация датчиков
Имитация алгоритмов контроллеров (ПИД-регуляторы и т.д.)
Имитация системы верхнего уровня (SCADA)
Разработан модуль создания сценариев событий
Линейная и нелинейная структура
Развитые механизмы ветвления сценария
Развитые механизмы задания последствий действий или условий
Простой графический редактор
Связь с математическим описанием объекта
Выполнена поддержка стандартов IEEE1516e, OPC UA, xAPI для взаимодействия с другими системами.
Выполнена интеграция с алгоритмом моделирования процессов, протекающих в электронных схемах SPICE. SPICE (Simulation Program with Integrated Circuit Emphasis). Благодаря полной поддержке данного алгоритма наши тренажеры позволяют выполнять высокоточную симуляцию электрических схем, в том числе:
AC анализ (анализ по переменному току)
DC анализ (анализ по постоянному току) для слабых сигналов
анализ DC transfer curve
анализ шумов
анализ передаточной функции (входное и выходное усиление малых сигналов и вычисление импеданса)
анализ переходных процессов
Выполнена интеграция со свободным открытым программным обеспечением для моделирования, симуляции, оптимизации и анализа сложных динамических систем – OpenModelica, основанным на языке Modelica. Modelica — объектно-ориентированный, декларативный, мультидоменный язык моделирования для компонентно-ориентированного моделирования сложных систем, в частности, систем, содержащих механические, электрические, электронные, гидравлические, тепловые, энергетические компоненты, а также компоненты управления и компоненты, ориентированные на отдельные процессы. По своим возможностям приближается к таким вычислительным средам как Matlab Simulink, Scilab xCos, имея при этом значительно более удобное представление системы уравнений исследуемого блока. Включает блоки:
механики
электрики
электроники
электродвигатели
гидравлики
термодинамики
элементы управления и т. д.
Примеры использования САПР КИТ
Спасибо за внимание! Буду рад ответить на вопросы.









Лига математиков
902 поста2.5K подписчика