Простой способ оживить любой старый радиоприёмник
Очень часто, в комментариях, встречаются просьбы помочь «оживить» старую радиоаппаратуру и в частности радиоприемники. Советские радиоприемники еще хранятся во многих семьях и чаще всего они дороги владельцам как память. Вполне понятно их желание вдохнуть вторую жизнь этим замечательным хранителям приятных воспоминаний.
К одному из диалогов с читателем, во время обсуждения такой просьбы, Сергей Т. и предложил свой, очень простой, вариант. Он переделал свой радиоприемник «Россия» под современный УКВ (FM) диапазон и очень доволен результатом.
Небольшое отступление. Среди любителей старой радиоаппаратуры есть секта ортодоксальных ценителей старины. Для них любое вмешательство в конструкцию радиоприемника, изменение или доработка схемы- это сумма семи «смертных грехов», да еще и в квадрате. Вот специально для них я сейчас задал поиск на авито и смотрите результат. Радиоприемник «Россия» продают аж 24221 продавца! Покупайте и спасайте девственность раритетов, если уж так радеете.
Обратите внимание на цены- предложение настолько превышает спрос, что даже по бросовым ценам не удается продать эти симпатичные радиоприемники.
Вернемся к доработанному Сергеем Т. радиоприемнику. Я ему предложил написать краткое пояснение, на что он ответил: «Там и так понятно без подсказок -всё очень просто». Чтобы было еще понятней, он поделился фотоотчетом.
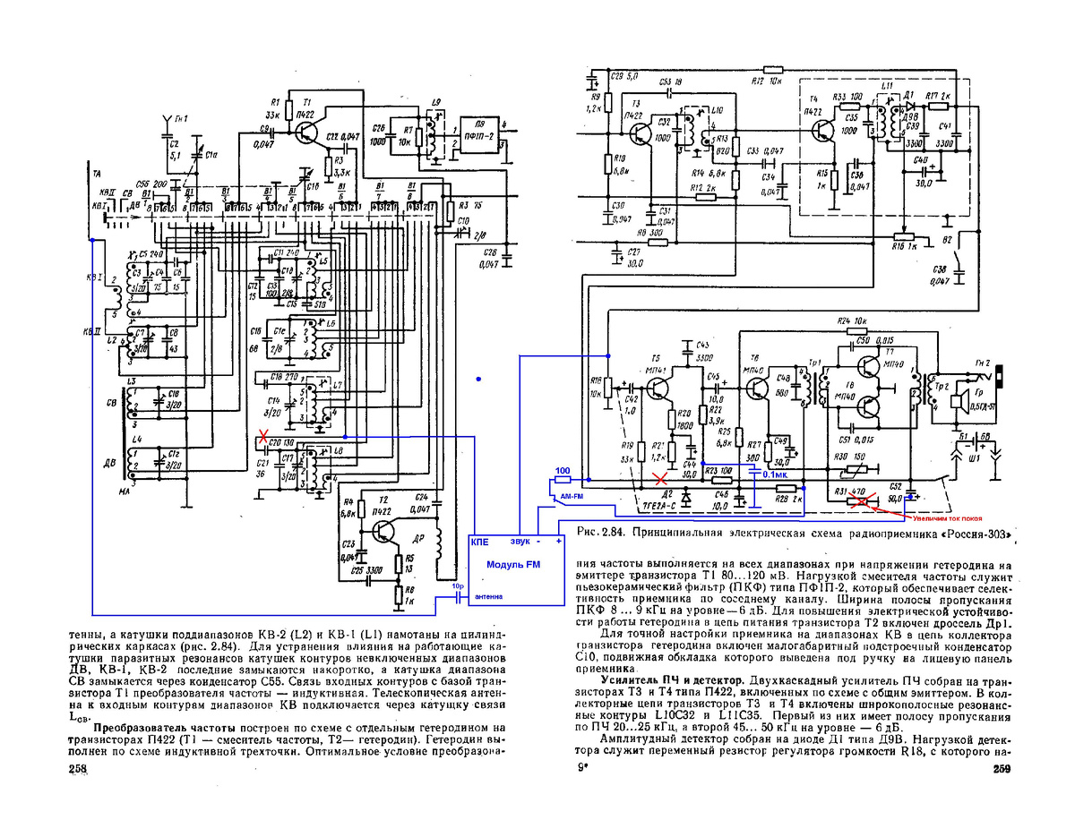
Вот так выглядит родная плата радиоприемника "Россия".
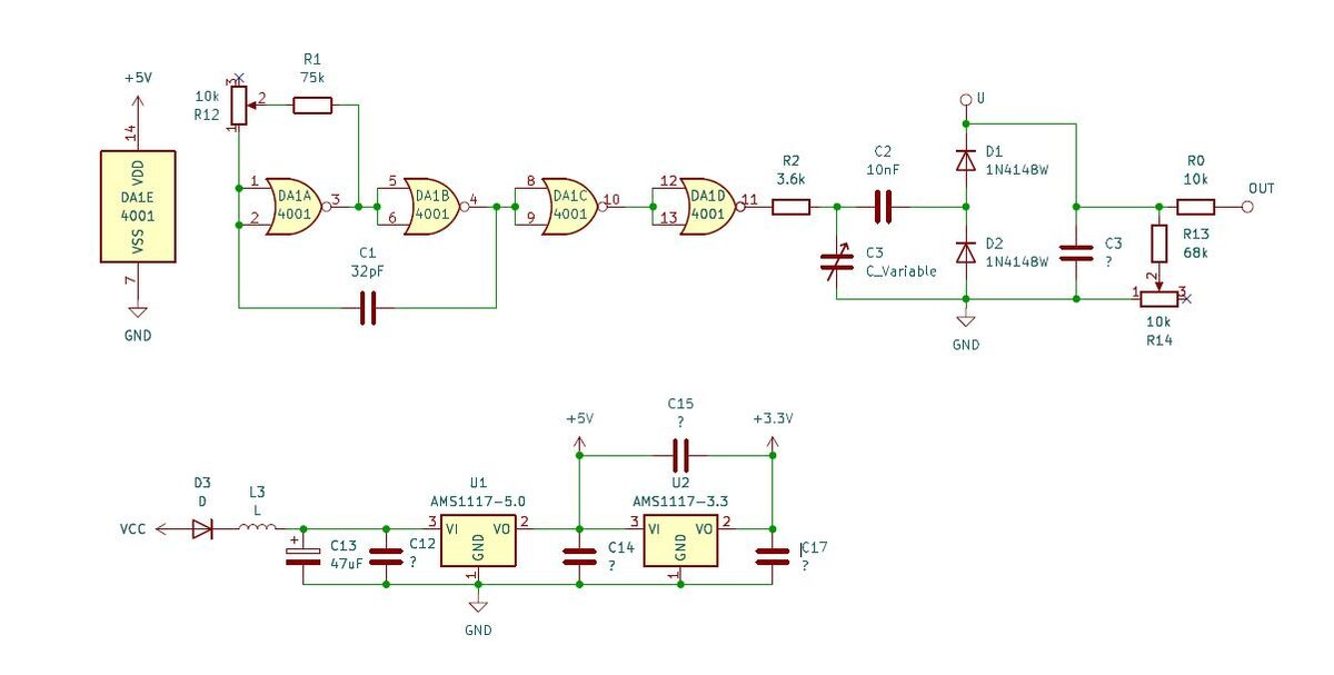
Для модернизации Сергей купил готовый модуль. Размеры платы сделаны под барабан радиоприемников ВЭФ и Спидола.
Впрочем это не мешает вставить плату в любой другой радиоприемник. Вот плата в радиоприемнике "Россия".
Крепление платы самое простое и доступное-на термоклей.
Очень хитро сделан включатель -на герконе, срабатывает при повороте ручки переключения диапазонов.
Магнит для управления герконом крепится на термоклей к указателю диапазонов.
Требуется небольшая доработка "колёсика" указателя диапазонов.
Планка "реверс-инжиниринг".
Ну и схема сопряжения планки со схемой радиоприемника:
В схему радиоприемника надо добавить только один конденсатор:
Вариант Сергея хорош тем, что не требует особых навыков в настройке собранной схемы. Ну и внешне радиоприемник совершенно не отличается от своих собратьев-органы управления остались те же самые.












