Очепятка...
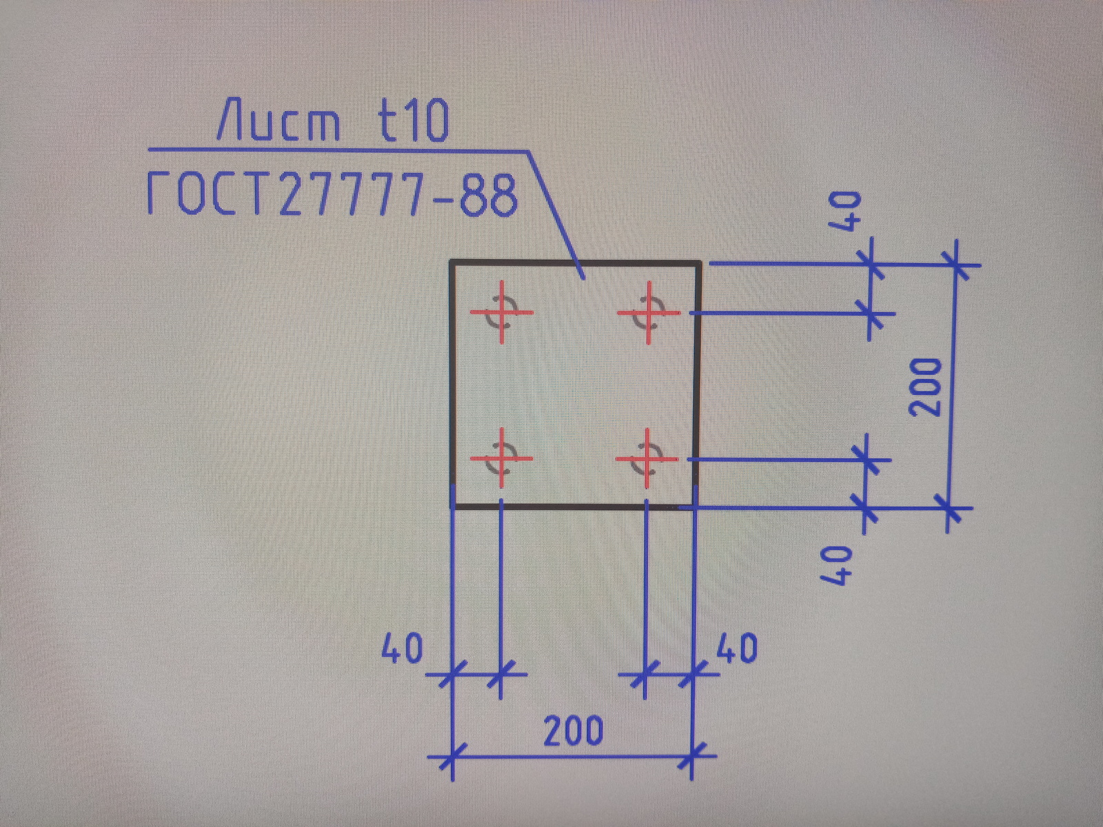
Звонят конструкторам с производства и срочно просят чертёж детали. Тупо стальной лист 200х200мм, пару минут и чертёж отправили.
Через час звонит главный инженер ржёт и говорит:
Г: Молодцы, оперативно, только исправьте опечатку на чертеже в ГОСТе на сталь, шутники блять. Да и сметчица в интернете стоимость материала этого найти не смогла.
P. S. Видимо рука дрогнула...
Правильно ГОСТ27772-88 Прокат для строительных стальных конструкций.
У нас было ГОСТ27777-88 Сперма быков замороженная. О_о

