Обработка ШВП
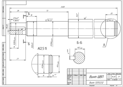
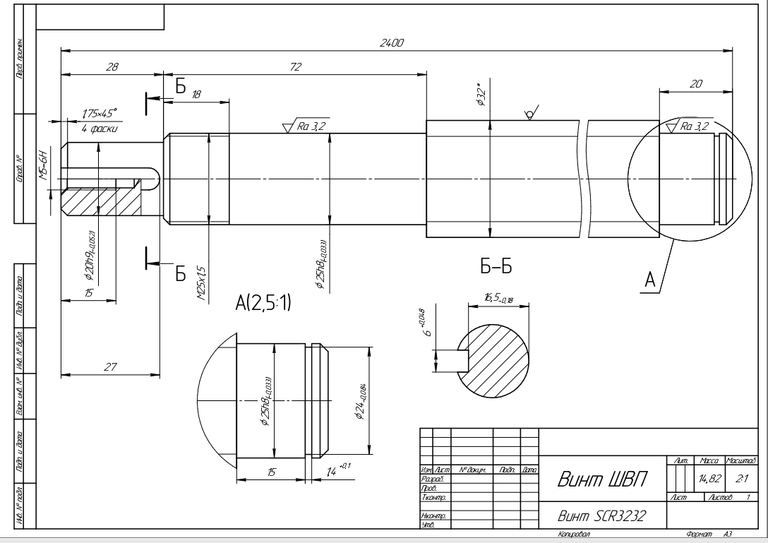
Друзья, добрый день! Первый пост в данном сообществе, так что панамку приготовил... Обращаюсь с просьбой в поиске исполнителей токарно -фрезерной обработки винтов ШВП длиной до 3 метров. Территориально: Москва или Московская область. Кол-во: 2 шт. Если кто-то готов помочь за финансовое вознаграждение - прошу прислать контакты! Заранее спасибо! #токарная обработка, #поиск исполнителя


Лига ЧПУшников
2.1K постов12K подписчика
Правила сообщества
никакой политики