Гайд по ремонту
Как правило я выкладывал ремонт такого рода как " тут сломалось это... и это меняю так" но я никогда не выкладывал пост о том как именно я нахожу поломку в телефоне, я не уверен что это будет интересно ибо все непонятно для тех кто не занимается ремонтом, но постараюсь все написать очень доходчиво.
И так iphone 5 нет подсветки.
Мы открываем схему расположения элементов.
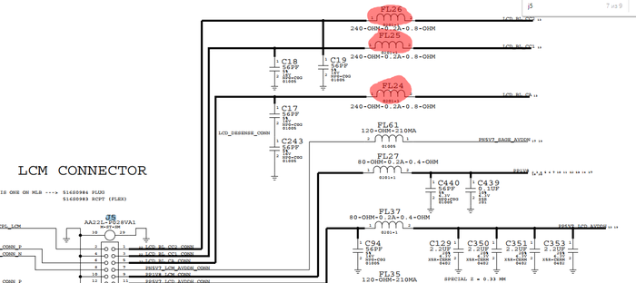
На схеме мы видим разъем от дисплея J5. на плате он выглядит так.
Теперь нам нужно открыть подробную схему и найти куда от разъема идут контакты на подсветку.
Вот наш разъем, и не все так ужасно как выглядит с первого раза, если чуть почитать инфу, то Вы сможете научится читать схемы за пару недель. И так, видим что контакты 1,2,3 идут на подсветку и из разъема они идут на катушки (Пометил их красным)
Вот наши катушки, и прозваниваем их.
Катушки оказались в порядке, смотрим дальше. Обвел конденсаторы которые нам тоже нужно проверить.
Открываем схему расположения элементов и ищем их.
Как оказалась проблема была в пробитом конденсаторе С18. Он был в коротком замыкании. Его замена решила проблему и подсветка запустилась.
Если подобные гайды будут в дальнейшем интересны, и кому-то понятны то могу продолжить серию таких постов.







