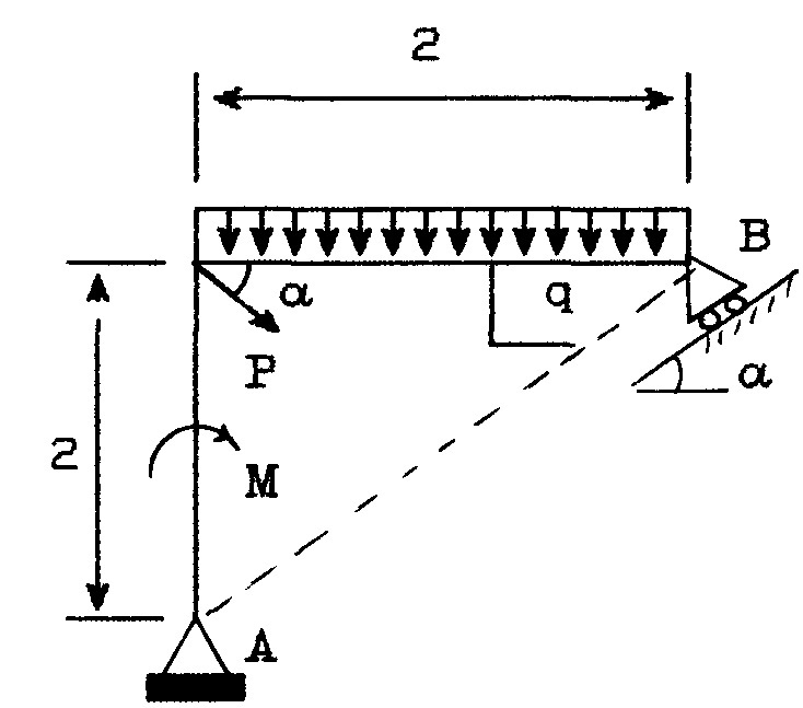
1905202 Помогите решить задачу 10 лет назад Год назад проходили эту тему, уже и не помню как решать, конспектов не осталось. Пытался сам систему составить, но получается мутня, помогите решить, ну или хотя бы научите :сP(f)=6kH M=5kHm q=1kH/m a=45 градусов Картинки Задача Механика помогитеплз