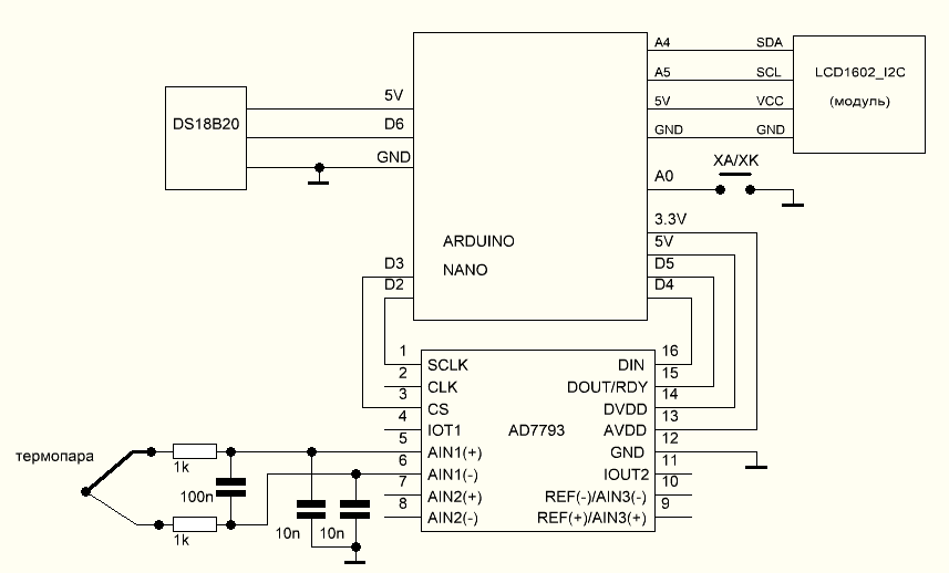
AD7793 + термопара (Arduino)
AD7793 — малошумящий 24-разрядный сигма-дельта АЦП с тремя дифференциальными аналоговыми входами. АЦП AD7793 предназначен для высокоточного измерения постоянного напряжения, может применяться для измерения напряжения термопар и других датчиков с выходным напряжением в несколько единиц или десятков мВ.
Более подробно об АЦП AD7793 можно узнать из — http://rcl-radio.ru/?p=128932
На базе АЦП AD7793 можно сделать высокоточный измеритель температуры термопары. Для примера в измерителе температуры будут применены наиболее популярные характеристики термопар ТХА и ТХК.
Термопара ТХА
Тип: К
Обозначение: ТХА
Материал: хромель/алюмель
Рабочая температура: -270…+1372°С
Термопара ТХК
Тип: L
Обозначение: ТХК
Материал: хромель/копель
Рабочая температура: -200…+800°С
Для компенсации температуры холодного спая будет использован цифровой датчик температуры DS18B20. Для предотвращения саморазогрева датчика, обращение микроконтроллера к датчику будет проводится один раз в 10 секунд. В состав измерителя входит плата разработчика Arduino Nano, дисплей LCD1602 с модулем I2C, одна тактовая кнопка, датчик температуры (моуль) DS18B20, АЦП AD7793.
Для точного измерения температуры термопары подсоединение термопары к измерителю должно быть через термокомпенсационный провод с характеристикой аналогичной термопаре.
Схема измерителя термопары
Температура термопары с учетом температуры окружающей среды
ЭДС термопары (без учета температуры окружающей среды)
Тип термопары (выбор кнопкой ХА/ХК)
Температура окружающей среды
Выбранный тип термопары заносится в EEPROM. В настройке и калибровке измеритель термопары не нуждается.
--------------------------------------------------------------------------------------------------------------------------------------------------------------------
Добавив в схему несколько простых компонентов можно сделать простой терморегулятор.
При помощи энкодера можно настроить температуру регулирования, а кнопкой энкодера выбрать тип термопары.
Температура термопары с учетом температуры окружающей среды
ЭДС термопары (без учета температуры окружающей среды)
Индикатор нагрева
Тип термопары (выбор кнопкой энкодера)
Температура регулирования
Выбранный тип термопары и температура регулирования заносится в EEPROM. В настройке и калибровке измеритель термопары не нуждается, единственный параметр который может нуждаться к корректировке это гистерезис: float gis=0.2; // гистерезис 0,2 гр.ЦельсияСкетчи - http://rcl-radio.ru/?p=128968






TECHNO BROTHER
2.1K пост13.6K подписчиков
Правила сообщества
1-Мы А-политическое сообщество. 2-Запрещено оскорбление: Администрации Пикабу, сообщества, участников сообщества а также родных, близких выше указанных.
3-Категорически запрещается разжигание межнациональной розни или действий, направленных на возбуждение национальной, расовой вражды, унижение национального достоинства, а также высказывания о превосходстве либо неполноценности пользователей по признаку их отношения к национальной принадлежности или политических взглядов. Мат - Нежелателен. Учитесь выражать мысли без матерщины