Горячее
Лучшее
Свежее
Подписки
Сообщества
Блоги
Эксперты
Войти
Забыли пароль?
или продолжите с
Создать аккаунт
Регистрируясь, я даю согласие на обработку данных и условия почтовых рассылок.
или
Восстановление пароля
Восстановление пароля
Получить код в Telegram
Войти с Яндекс ID Войти через VK ID
ПромокодыРаботаКурсыРекламаИгрыПополнение Steam
Пикабу Игры +1000 бесплатных онлайн игр Погрузись в удивительный мир настоящей рыбалки! Лови живую рыбу в естественных водоёмах, открой для себя новые рыбные места и поймай свой долгожданный трофей!

Реальная Рыбалка

Симуляторы, Мультиплеер, Спорт

Играть

Топ прошлой недели

  • solenakrivetka solenakrivetka 7 постов
  • Animalrescueed Animalrescueed 53 поста
  • ia.panorama ia.panorama 12 постов
Посмотреть весь топ

Лучшие посты недели

Рассылка Пикабу: отправляем самые рейтинговые материалы за 7 дней 🔥

Нажимая «Подписаться», я даю согласие на обработку данных и условия почтовых рассылок.

Спасибо, что подписались!
Пожалуйста, проверьте почту 😊

Помощь Кодекс Пикабу Команда Пикабу Моб. приложение
Правила соцсети О рекомендациях О компании
Промокоды Биг Гик Промокоды Lamoda Промокоды МВидео Промокоды Яндекс Маркет Промокоды Пятерочка Промокоды Aroma Butik Промокоды Яндекс Путешествия Промокоды Яндекс Еда Постила Футбол сегодня
0 просмотренных постов скрыто
13
Kolefun
Kolefun

3Dpr_iz-XJIaMA №3 - экструдер и плата управления⁠⁠

3 года назад

Я собирался показать что экструдер работает, но сначала расскажу как я всё таки его подключал и с чем пришлось столкнуться.

Вот фото оптического датчика квадратурного энкодера, чтобы считать  и крутить на нужное количество шагов и в нужном направлении, для этого есть 4 контакта: +,-(которые я в первый раз, что на фото перепутал), и два выхода с энкодера. Долго ломал голову: почему не работает. Помогло родным шлейфом от струйного принтера подключиться к плате струйника и там вызвонить минусовой провод. На + подал 5 Вольт с ардуины.

В процессе вызванивания я понял что на минус припаял плюсовой провод и на плюс минусовой провод. Перепаял + и -, поменяв их местами и Энкодер начал светиться красным:

Вспоминал статью pamalofeev, про его энкодеры с принтера hp, иподумал было припаять подтягивающие резисторы к плюсу. Но глядя  на осцилограф на сигналы с энкодера при вращении диска, выяснил что в струйниках от Canon всё намного проще, и на энкодерных выходах(2 выхода, тонкий зеленый и желтый проводники) сразу идёт сигнал с TTL уровнями(0 и 5 Вольт).

Дальше прошил Ардубину Уно на проброс ком порта,, подключил выводы Уно DI2,DI3 к RXT, TXD(если не подключается, поменять их местами и не забыть про землю) и соединился с помощью программы ServoTuning c сервоконтроллером. Скорость Com-порта 38400 БоД.

Кстати. Тинька прошита бинарником, который можно найти в иинтернете на форумах чпушников, или могу прислать по электропочте.

Собственно управляющая плата с 4 контроллерами:

Оборотную  сторону показывать не буду, ибо там всё выглядит немного похабно и порнографично не очень. Температуру хотенда Teacup firmware через софт Pronterface уже показывает. Но на настоящий момент она незакончена, нужно соединить Нанку  с Y-осью(X,Z, Extruder уже подсоединены) и добавить схему для датчика температуры стола. И на отдельной небольшой платке расположить полевые транисторы для нагрева стола, экструдера, и вентилятора хотенда.

А вот работа эктрудера но пока без филамента. В процессе тестов я выяснил одну деталь: ось подающей пруток шестерни немного перекошена, что немного печалит и отдаляет запуск, так как экструдер скорее всего придётся переделывать, но посмотрим.

Перейти к видео

Дальше по плану сборка механической части: посадить экстредур на подшипники, заставить его кататься по оси Х, начать делать каретки для оси Y, а уже по ним отталкиваться к постройке рамы. Для оси Х,У я купил профильную стальную трубу квадрат 15мм*15мм, так что съедать её ка алюминиевый профиль подшипники не будут.

Показать полностью 7 1
[моё] Самоделки ЧПУ 3D принтер Arduino Электроника Длиннопост Сервопривод Рукожоп Техника Видео
7
54
TechnoMagic
TechnoMagic
Arduino & Pi

Миньон-копилка на 3D-принтере⁠⁠

3 года назад

Проект подойдет для тех, кто только начинает осваивать Ардуино. Код подробно прокомментирован, а требуемая элементная база минимальна.

Робот реагирует на движение. Если положить мелкий предмет ему в корыто, он открывает рот и забрасывает предмет внутрь себя. Для реализации проекта потребуется 3D-принтер, паяльник, установленная среда программирования Arduino IDE, простейшие навыки работы с Ардуино, большой адронный коллайдер и несколько электронных компонентов:

- Arduino pro mini

- Ультразвуковой дальномер HC-SR04

- Сервопривод SG90 или аналогичный

- Блок питания 5V или аккумуляторы

- Корпус напечатанный на 3D-принтере

- Светодиод и резистор 220 Ом (опционально)


Печатаем корпус

Качаем файлы для печати на 3d-принтере с Thingeverse и собираем по инструкции. При желании можно раскрасить корпус акриловыми красками.

Анимация с процессом сборки робота

Паяем электронику

Перед пайкой прошиваем контроллер. Здесь Качаем скетч для загрузки в Arduino IDE. Затем паяем по схеме.

Вместо Arduino Uno (на схеме) нужно использовать Arduino Pro Mini. Компактная плата легко умещается в голове робота, на то она и mini.


Для питания робота из его затылка выведен провод для подключения блока питания на 5 вольт.

И на прощание видео с процессом сборки и демонстрация результата.

Показать полностью 5 2
[моё] Arduino Электроника Самоделки 3D принтер 3D печать Сервопривод Видео YouTube Длиннопост
6
21
maxikk13
Оружейная лига

Ответ на пост «Дистанционная централизованная система управления огнём бомбардировщика Boeing B-29 Superfortress»⁠⁠1

3 года назад

Самолёт и система управления огнём это ещё пол беды. Они мультик про это сняли - куда интереснее ;-)

Ответ на пост «Дистанционная централизованная система управления огнём бомбардировщика Boeing B-29 Superfortress»
Без перевода 50 bmg B-29 Superfortress Турель Пулемет Сервопривод Дистанционное управление Авиация Вторая мировая война Самолет Оружие M2 Browning Музей Прицел Ответ на пост
4
189
camperJOe
camperJOe
Оружейная лига

Дистанционная централизованная система управления огнём бомбардировщика Boeing B-29 Superfortress⁠⁠1

3 года назад

Данная система давала возможность любому стрелку (кроме хвостового) или бомбардиру управлять огнём всех четырёх башенных установок (включающих в себя 10 или 12 .50 Browning AN/M2) одновременно, концентрируя на противнике максимум огневого воздействия.


Задняя оборонительная турель бомбардировщика B-29 управлялась отдельно и состояла из двух .50 Browning AN/M2 и одной 20-мм. пушки AN/M2.

Видео без перевода. Музей авиации в Сиэтле, штат Вашингтон, США.

Систему управления турелями разработала компания «General Electric».

В ней использовались сервоприводы, которые наводили башенки по показаниям установленного в кабине бортстрелка или бомбардира прицела.


При наведении прицельного устройства на цель системой автоматически выставлялись необходимые поправки на направление и силу ветра, силу гравитации и параллакс.

Видео без перевода. Музей авиации в Сиэтле, штат Вашингтон, США

На 4:09 прямо колоритный Сиэтлский "пацанчик" приобщается к истории!

Показать полностью 1
[моё] Без перевода 50 bmg B-29 Superfortress Турель Пулемет Сервопривод Дистанционное управление Авиация Вторая мировая война Самолет Оружие M2 Browning Музей Прицел Видео
38
8
SHKOLNIK102
SHKOLNIK102
Arduino & Pi

Помогите! Вы моя последняя надежда!⁠⁠

3 года назад

Пикабу, привет!

Вот уже года два с перерывами я собираю один проект на базе Arduino, а именно RC модель на WI-FI управлении, но как и в любом деле встречаются трудности.

Вообщем, в состав моей RC машинки входит:
●сервопривод sg90,
●arduino wemos d1 mini,
●драйвер двигателя
●130 электро двигатель

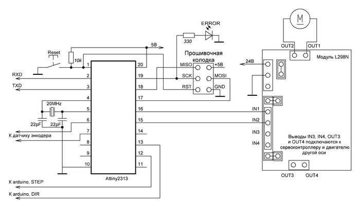
Сама схема:

Помогите! Вы моя последняя надежда!

Само управление происходит с помощью мобильного приложения REMOTE XY

Суть проблемы:
Ни в какую не хочет работать сервопривод, абсолютно не подает никаких признаков жизни, в то время как вся остальная аппаратура исправно работает. Грешу на китайцев, что может они прислали брак, а может и я так криво спаял, а может и ардуинка не пашет, а может я входы на ардуино перегрел и сжег как раз таки входы для сервы, а может, а может все что угодно... Я в этом не очень силен, но закончить дело мне нужно все таки были потрачены деньги на остальные комплектующие, а без решения этой проблемы они абсолютно не нужны.

P.S. Если реально заморочитесь и поможете, скину на хлеб, честно.

Показать полностью 1
[моё] Arduino Электроника Электрика Пайка Радиоуправляемые модели Сервопривод
60
6
Sagoth
Sagoth
Лига ЧПУшников

Настройка серво, Екатеринбург⁠⁠

4 года назад

Есть вопросы к яскавам. Ищу человека, кто может приехать и решить их. Естественно не бесплатно. Но платить готов за решение задач, а не работу

1. Мотор на оси Z резонирует. Автотюнинг не спасает
2. При перегрузке драйвера в ошибку не уходят, а хотелось бы.
3. Есть ли возможность получить больше момента? У меня стоят редукторы 10:1 и 30 метров в минуту это стабильный максимум. Я же вообще ограничил до 25 метров. Хотелось бы побольше… моторы 750вт, редукторы планетарные, рейка косозубая, модуль 1.25

[моё] ЧПУ Сервопривод Текст
12
55
kira106
Строительство и ремонт

Управление отоплением в загородном доме через телефон с помощью ZONT SMART 2.0⁠⁠

4 года назад

Всем привет. Сегодня расскажу о небольшом проекте автоматизации отопления в частном доме. Мы уже не представляем нашу жизнь без смартфона в кармане, огромное количество различных приложений делает нашу жизнь более удобной и комфортной. Неудивительно, что управление и контроль за системой отопления в частном доме стала довольно частым явлением.
Первое знакомство с заказчиком состоялось в феврале 2021 года, когда в морозы отключился котел, система отопления встала и так как в доме шел ремонт оперативно заметить падение температуры в доме не получилось. Утром следующего дня отделочники пришли на работу и уведомили заказчика о том, что в доме стало холодно. Повезло, что предыдущий собственник дома предусмотрел резервный электрокотел и более печальных последствий удалось избежать. Собственно для ремонта котла я и был приглашен. Котел Лемакс Лидер 25-N.

Ремонт оказался довольно простым, помогла замена милливольтного генератора (фото из интернета).

После этого случая встал вопрос об удаленном мониторинге системы отопления с возможностью регулирования. Всего в системе два отопительных контура (радиаторы и теплый пол) и контур нагрева бойлера (для приготовления горячей воды). Схему прилагаю.

По схеме видно, что контур радиаторного отопления прямой, не имеет никаких смесительных узлов или клапанов. Контур теплого пола это низкотемпературный контур, поэтому для регулирования, читай снижения температуры, подаваемого теплоносителя установлен термостатический смесительный клапан STOUT. Клапан ручного управления, то есть никаких двигателей, приводов, моторов на нем не установлено, сколько градусов задал настроечной рукояткой - такой температуры теплоноситель и пойдет в контуры теплого пола. Диапазон от 35 до 60 градусов.

Получается, из исполнительных устройств, которыми можно управлять с помощью автоматики у нас есть три насоса - насос контура радиаторов, насос контура теплых полов и насос "загрузки" бойлера. Так же котел Лемакс серии Лидер хоть и является довольно примитивным, энергонезависимым аппаратом, модели с индексом N оснащены газовым клапаном SIT 820NOVA, что позволяет подключать к котлу внешние устройства типа "комнатный термостат". Это простейшей устройство, при температуре помещения ниже заданной на термостате контакты на нем замкнуты, котел работает в штатном режиме, греет теплоноситель. При достижении заданной температуры контакты размыкаются, цепь рвется и котел гасит горелку, нагрев соответственно прекращается.

На основании собранных данных, для автоматизации системы был выбран контроллер ZONT SMART 2.0. Его функций хватает для решения нашей задаче.

На борту имеет одно встроенное реле, его задействуем как комнатный термостат для формирования запроса тепла у котла. Так же есть три программируемых выхода на 12В, к которым можно подключать различные исполнительные устройства, например, как в нашем случае насосы. Так как насосы работают от однофазной сети 220В - используем промежуточные реле.

Сам контроллер так же работает от 12 вольт постоянного тока, проводной блок питания в комплекте. Термостат можно крепить непосредственно на стену и на DIN-рейку. У нас как раз вариант с установкой всего оборудования в пластиковый шкаф, поэтому блок питания с креплением на DIN-рейку докупаем отдельно. Так же в комплекте паспорт устройства, шаблон для монтажа на стену, один датчик температуры воздуха, выносная антенна, карточка клиента с логином и паролем от личного кабинета и набор клеммников.

Для контроля температуры теплоносителя в отопительных контурах и температуры ГВС в бойлере докупаем три проводных датчика температуры. Плюс берем радиодатчик температуры помещения и радиомодуль для приема сигнала с него.

Шкаф используем IEK Prime. Недорогой и удобный, с регулируемой высотой DIN-рейки. Шины N и PE в комплекте.

Начинаем предварительную сборку. Располагаем все элементы внутри шкафа и соединяем проводами. После этого заходим в личный кабинет на сайте производителя и программируем контроллер под нашу задачу.

Для того чтобы запрограммировать контроллер заходим на оф сайт производителя и использую логин и пароль, указанные на специальной карточке заходим в свой личный кабинет. Заходим в настройки, передвигаем ползунок "сервис" и попадаем в расширенные настройки. Первым делом нужно назначить проводные температурные датчики для каждого контура, а также радиодатчик привязать к радимодулю для получения информации от него.

Далее назначаем исполнительные устройства, в нашем случае это насосы. Их управление доверяем двенадцативольтовым выходам. А включение/выключение котла будет происходить в случае замыкания/размыкания реле.

Далее в разделе "Настройки" идем во вкладку "Отопление" чтобы создать контуры отопления и назначить для них датчики температуры и исполнительные устройства. Каждый отопительный контур имеет довольно гибкие настройки. Так для каждого контура можно прописать способ терморегулирования. Например по температуре теплоносителя в отопительном контуре или по температуре воздуха в помещении. Можно указать минимальную и максимальную температуру теплоносителя в контуре, указать какую температуру в случае запроса на тепло контур затребует у котла, отключать контур или нет при нагреве горячей воды, так же доступно управление в погодозависимом режиме.

После этого создаем "Режимы отопления". В каждом режиме можно указать логику работы каждого отопительного контура. Например рассмотрим один из созданных режимов "Только теплый пол". В данном режиме указываем требуемую температуру для контура ТП 24 градуса. Контур радиаторов-отключено. ГВС - 55 градусов. Этот режим будет актуален например в переходный сезон, весна/осень, когда мощности теплого пола вполне хватает для покрытия теплопотерь здания.

На этом первичные настройки контроллера закончились, можно приступать к монтажу на объекте. Об этом расскажу в следующем посте а так же подробно про интерфейс приложения и другие возможности оборудования.

Показать полностью 24
[моё] Контроллер Отопление Водоснабжение Сервопривод Тольятти Котельная Котел Длиннопост Инженерные системы Умный дом Загородный дом Автоматика Автоматизация
15
14
Zampo
Zampo
Arduino & Pi

Как определить полярность провода через Arduino⁠⁠

4 года назад

Добрый день, возможно немного глупый вопрос, я только начинаю изучать ардуино и как это все работает, подскажите пожалуйста. У меня есть приемник\передатчик 27Мгц, в зависимости от нажатия кнопок на двух проводах полярность либо + - либо - +. Как я могу определить с помощью ардуино какая кнопка в данный момент нажата?

У меня есть вот такой код, но в нем наверное что-то не так:

https://codeshare.io/5wNgOK

Серва подключена к 10 порту, а один из двух проводов к шестому.

[моё] Arduino Сервопривод Текст
17
Посты не найдены
О нас
О Пикабу Контакты Реклама Сообщить об ошибке Сообщить о нарушении законодательства Отзывы и предложения Новости Пикабу Мобильное приложение RSS
Информация
Помощь Кодекс Пикабу Команда Пикабу Конфиденциальность Правила соцсети О рекомендациях О компании
Наши проекты
Блоги Работа Промокоды Игры Курсы
Партнёры
Промокоды Биг Гик Промокоды Lamoda Промокоды Мвидео Промокоды Яндекс Маркет Промокоды Пятерочка Промокоды Aroma Butik Промокоды Яндекс Путешествия Промокоды Яндекс Еда Постила Футбол сегодня
На информационном ресурсе Pikabu.ru применяются рекомендательные технологии