Ремонт видеокарты MSI RX570. Потухла во время игры. Типовая проблема
Видеокарта MSI RX570 от подписчика. С его слов, внезапно во время игры пропало изображение. После этого видеокарта перестала определяться системой. Работает только на встроенной графике. Принёс мне посмотреть проблемную карточку.
Ну посмотрим
Замеры сопротивлений по основным питаниям в полном порядке. Но потребление карты всего 150мА (при норме около 1,5А). Из питаний присутствуют только 3,3В и 5В. Конечно же видеокарта никак не определяется в стенде.
Поскольку одним из первых запускается питание pci-e, которое формируется на данной видеокарте шим-контроллером GS9238, смотрю первым делом его даташит.
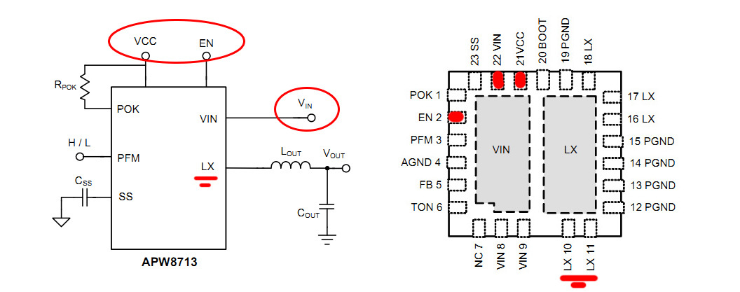
Даташит нашел только на аналог APW8713.
Делаю замеры на шимке. Сначала проверяю наличие питаний Vin и VCC (21 и 22 ноги)
Питания на шим-контроллере присутствуют. Далее замеряю "включающий" сигнал ENable (2 нога шим-контроллера)
ENable так же присутствует. Значит шим-контроллер должен запуститься. Но шим не запускается, на выходе пусто. Так же пусто на 1 ноге POK (PowerOK), что запрещает запуск всех остальных питаний.
Шим-контроллер явно неисправен. Меняю GS9238 на полностью аналогичный APW8713, который был в наличии.
После замены шимки появилось 1,05В питание Pci-e и запустились все остальные напряжения. Видеокарта заработала и дала картинку.
Драйвер установился без проблем. Погонял бенчмарки и стресс тесты, всё в порядке.
В остальном с картой всё нормально, просто шимка сдохла. Типовая проблема на RX'ах. Но это конечно же не значит что нужно менять этот шим при любых проблемах с картой. Типовух много, это просто одна из частых.













Сообщество Ремонтёров
8.1K поста44.1K подписчика
Правила сообщества
ЕСЛИ НЕ ХОТИТЕ, ЧТОБЫ ВАС ЗАМИНУСИЛИ НЕ ПУБЛИКУЙТЕ В ЭТОМ СООБЩЕСТВЕ ПРОСЬБЫ О ПОМОЩИ В РЕМОНТЕ, ДЛЯ ЭТОГО ЕСТЬ ВТОРОЕ СООБЩЕСТВО:
Посты с просьбами о помощи в ремонте создаются в дочернем сообществе:
К публикации допускаются только тематические статьи с тегом "Ремонт техники".
В сообществе строго запрещено и карается баном всего две вещи:
1. Оскорбления.
2. Реклама.
В остальном действуют базовые правила Пикабу.