Quad 303 — полупроводниковая легенда 60-х
Считается, что в первое десятилетие массового применения полупроводников в усилительной схемотехнике (т.е. в 1960-е годы) не существовало устройств, которые могли бы быть сравнимы с ламповыми по верности воспроизведения. Несмотря на это расхожее убеждение, мне знакомо несколько таких устройств, лучшим из которых, пожалуй, является Quad 303.
Этот усилитель многие называют вершиной развития транзисторной схемотехники в 60-е. По утверждениям аудиоинженера Питера Бройнингера, именно схемотехника Quad 303 заложила основы того, что будет с успехом применятся еще пару десятилетий.
Номинальная мощность УМЗЧ составила 45 Ватт на канал вне зависимости от номинального сопротивления АС (в диапазоне 4 – 16 Ом), что очень внушительно для 1968-го года (тогда такой мощностью могли обладать концертные системы).
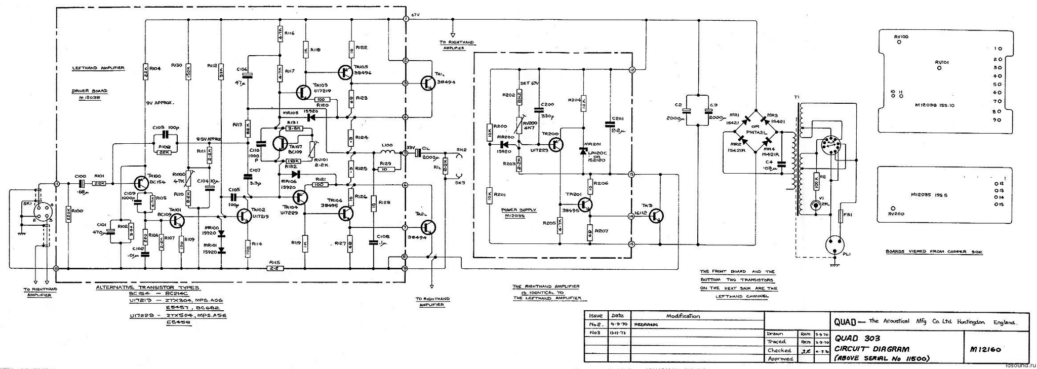
Электрическая схема QUAD 303:
Создателям Quad 303 удалось снизить THD и IMD настолько, что современникам было тяжело их точно измерить.
Основные характеристики:
Частотный диапазон: 30 – 35000 Гц
Выходная мощность: 45 Вт
THD: 0,1%
Входная чувствительность: 0,5 В
Соотношение сигнал/шум: 100 дБ
Габаритные размеры (ШхВхГ): 120х159х324 мм
Вес: 8,2 кг
Достаточно быстро пользователи поняли преимущества двойного моно и стали использовать Quad 303 парами, как 2 моноблока. Дело в том, что по свидетельствам современников устройство одинаково стабильно работало как в стерео, так и в моно-режиме.











Eclectic Audio
59 постов133 подписчика
Правила сообщества
Запрещены:
- оскорбления по нац. признаку;
- призывы к пассивному гомосексуализму;
- травля новорегов;
- политика (исключение: можно, если можешь объяснить, что это касается музыки, даже косвенно).